Will not crank or start

2006 BUICK LUCERNE
116,000 MILES • 3.8L • V6 • 2WD • AUTOMATIC
Avatar
PETE CLARK
  • MEMBER
  • 2 POSTS
Replaced computer with one already programmed, replace cam and crank sensors at dealer. but car still wont start and they still can't read the ECM. also changed out transmission speed sensor.
Sep 8, 2020 at 6:37 PM
Advertisement
Avatar
JACOBANDNICKOLAS
  • CERTIFIED EXPERT
  • 110,175 POSTS
Hi,

Is the starter engaging but the engine not starting? Also, when you say they can't read the ECM, are they able to connect with the vehicle via the data link connector?

Here is what I would suggest checking at the ECM:

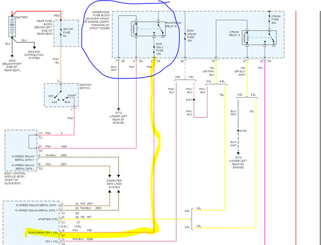
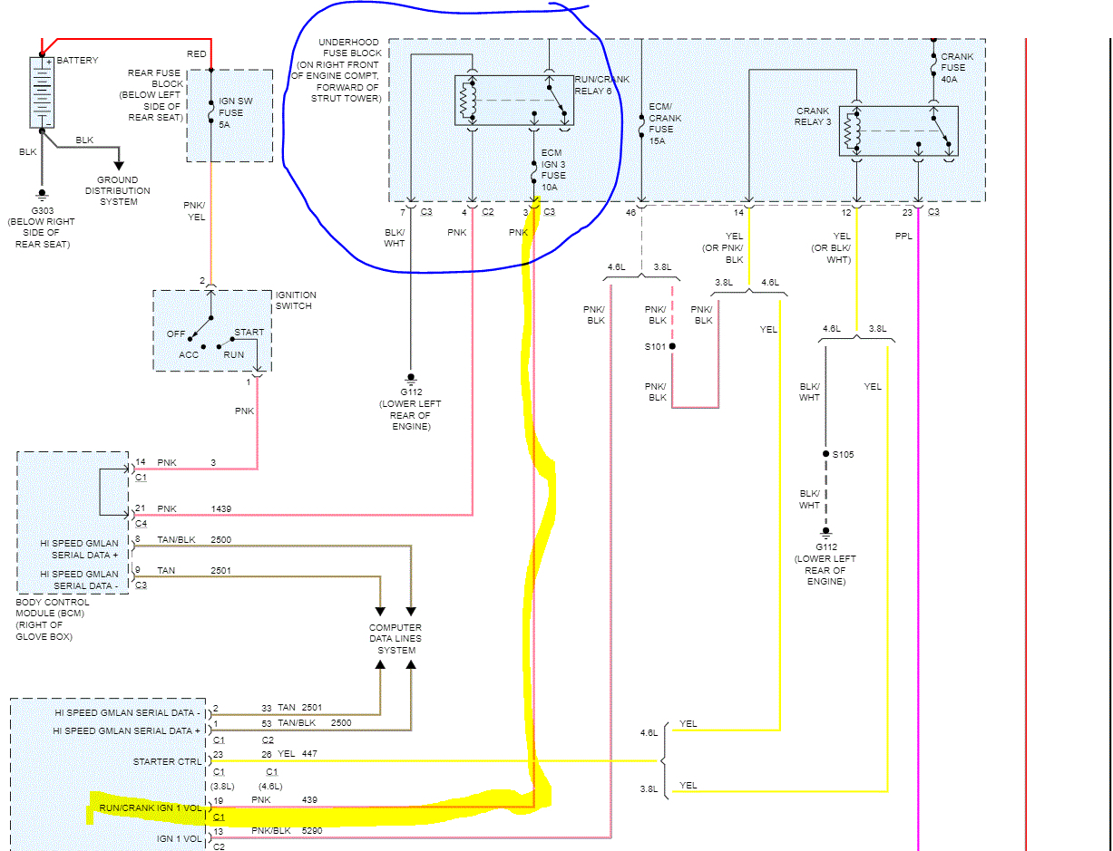
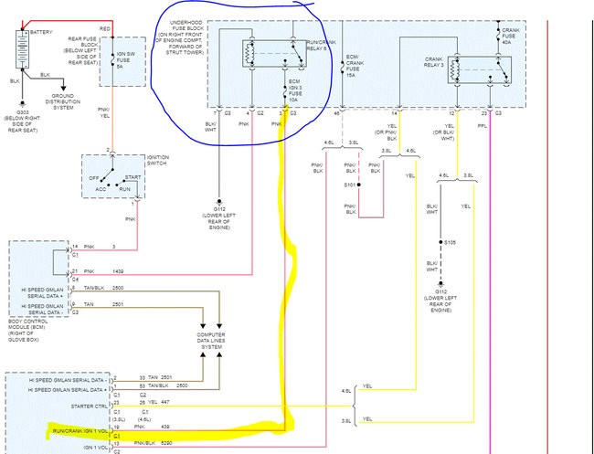
Checked C1 pin 19 (pink) on the ECM for power from run/crank relay (R6)

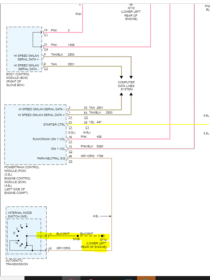
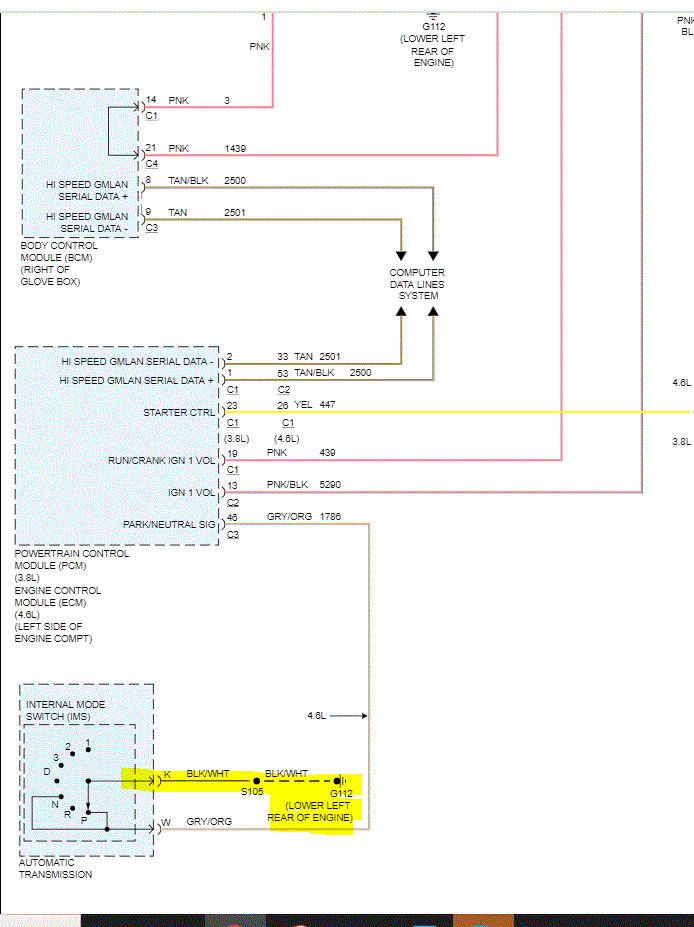
Check C3 Pin 23 (white/black) for ground from range sensor

_________________________

If that checks good, confirm if there is communication with the body control module (BCM) If there is no communication with the BCM and power and grounds are good, there is a good chance the BCM is the cause of the problem.

________________________

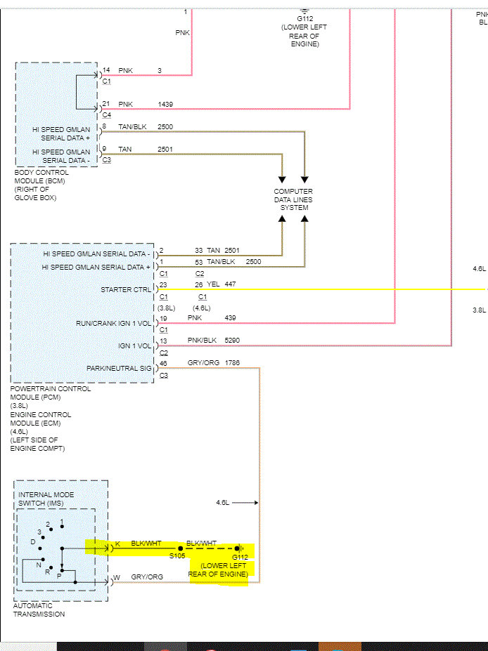
If you look at the two attached pics, I highlighted the wiring and circuits to be tested. Make sure there is power to the ECM ignition / run wire (also confirm the fuse is good).

The second pic shows the grounding location for the range sensor on the transmission.

Let me know if this helps or if you have other questions.

Take care,
Joe
Sep 8, 2020 at 6:55 PM
Avatar
PETE CLARK
  • MEMBER
  • 2 POSTS
Thanks for the help it was the ABS sensor. Salute
Sep 10, 2020 at 4:10 AM
Advertisement
Avatar
JACOBANDNICKOLAS
  • CERTIFIED EXPERT
  • 110,175 POSTS
Hi,

You are very welcome, but I feel I didn't help very much. I never heard of an ABS sensor preventing a vehicle from starting, but we learn something new every day.

Regardless, I'm glad you got it fixed. Please feel free to come back anytime in the future if you have questions.

Take care,
Joe
Sep 10, 2020 at 7:01 PM