Will not charge battery after A/C and are lights on

2006 DODGE STRATUS
115,000 MILES • 2.4L • 4 CYL • 2WD • AUTOMATIC
Avatar
LARRY ANICH
  • MEMBER
  • 8 POSTS
Replaced battery and alternator, in park charges at 13.5/14 volts. When you have load on with lights, radio, heat or A/C battery drops to 11 volts and down continues until engine stops. Please help.
Jul 22, 2018 at 6:23 PM
Advertisement
Avatar
ASEMASTER6371
  • CERTIFIED EXPERT
  • 52,796 POSTS
Good afternoon.

Is the belt good and tight and not slipping across the alternator.

Charging voltage should be between 14 and 14.5 volts.

The other items are effected by low voltage.

Lets start by checking battery voltage with the engine off. Can you give me that reading?

Roy

Jul 23, 2018 at 3:04 PM
Avatar
LARRY ANICH
  • MEMBER
  • 8 POSTS
12.3 volts.
Jul 23, 2018 at 4:00 PM
Advertisement
Avatar
LARRY ANICH
  • MEMBER
  • 8 POSTS
Started now 11.9 volts. Belt tight not slipping had at one time reading of charging at 14-15 volts. Will not come back again.
Jul 23, 2018 at 4:14 PM
Avatar
ASEMASTER6371
  • CERTIFIED EXPERT
  • 52,796 POSTS
Okay, start it and tell me the readings with no load. It should be 14 to 14.5 volts.

Roy
Jul 23, 2018 at 4:14 PM
Avatar
ASEMASTER6371
  • CERTIFIED EXPERT
  • 52,796 POSTS
If the voltage dropped to 11.9 with it running, then the alternator is the issue. It is pulling voltage from the battery.

What brand alternator? New or rebuilt?

Roy
Jul 23, 2018 at 4:16 PM
Avatar
LARRY ANICH
  • MEMBER
  • 8 POSTS
New and as I mentioned before. I think it was charging at one time at 14+ volts and then will not do it again. Cleaned jump ground which was corroded and cleaned positive jump still not changing alternator output. Should I be looking for wiring problem?
Jul 23, 2018 at 5:10 PM
Avatar
ASEMASTER6371
  • CERTIFIED EXPERT
  • 52,796 POSTS
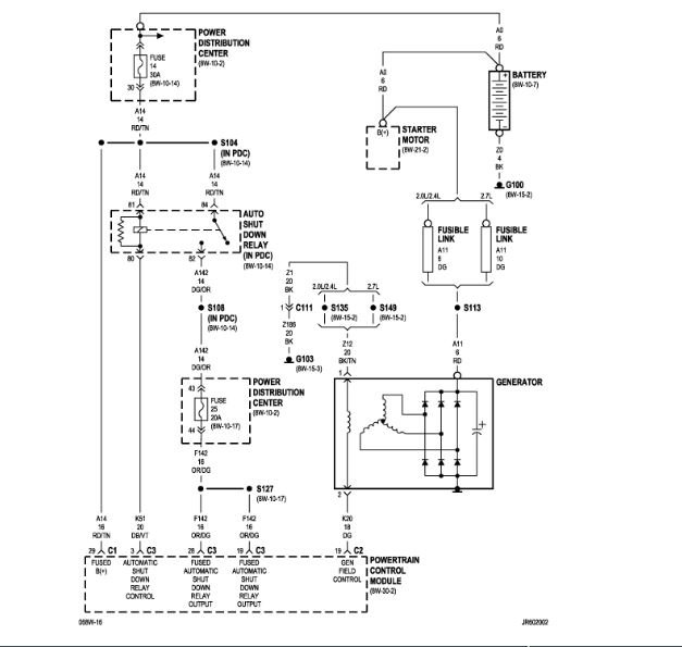
Okay, I attached a diagram for you to view. Make sure you have battery voltage to the red wire at the back. Also, check the power at the dark green wire.

Roy
Jul 23, 2018 at 5:22 PM
Avatar
LARRY ANICH
  • MEMBER
  • 8 POSTS
12.3 volts on red and green.
Jul 23, 2018 at 7:00 PM
Avatar
LARRY ANICH
  • MEMBER
  • 8 POSTS
Someone mentioned the PCM?
Jul 23, 2018 at 7:01 PM
Avatar
ASEMASTER6371
  • CERTIFIED EXPERT
  • 52,796 POSTS
Okay, how about the dark green wire I mentioned?

Roy
Jul 24, 2018 at 2:58 AM
Avatar
LARRY ANICH
  • MEMBER
  • 8 POSTS
12.3 on dark green.
Jul 24, 2018 at 7:32 AM
Avatar
JIS001
  • CERTIFIED EXPERT
  • 3,412 POSTS
You should also do do a voltage drop test on the battery cables. Here is video link that will give you an idea on how to do this test:

https://youtu.be/_B0LjwQbUbg

If voltage is high in any one of those cables, check for corrossion on the other ends of the cable. If it is good then you may just have a defective alternator. Let us know what you measured and do the test with your loads on.
Jul 24, 2018 at 7:48 AM
Avatar
ASEMASTER6371
  • CERTIFIED EXPERT
  • 52,796 POSTS
Okay, if you have power on both wires then it could be either the alternator or the PCM. The PCM does control the field which turns the charging on and off.

The fact you have a new alternator tells me and gives me a good feeling that the PCM may be the issue with this.

Roy
Jul 24, 2018 at 8:06 AM
Avatar
LARRY ANICH
  • MEMBER
  • 8 POSTS
Is the PCM located in front of the power distribution center?
Jul 24, 2018 at 8:17 AM
Avatar
ASEMASTER6371
  • CERTIFIED EXPERT
  • 52,796 POSTS
Procedure and picture

REMOVAL
Use the scan tool to reprogram the new PCM with the vehicles original identification number (VIN) and the vehicles original mileage. If this step is not done a diagnostic trouble code (DTC) may be set

The PCM engine control strategy prevents reduced idle speeds until after the engine operates for 320 km (200 miles). If the PCM is replaced after 320 km (200 miles) of usage, update the mileage and vehicle identification number (VIN) in the new PCM. Use the scan tool to change the millage and VIN in the PCM. If this step is not done a diagnostic trouble code (DTC) may be set and SKIM must be done or car will not start if it is a SKIM equipped car. If a SKIM car you must do a secret key transfer also.

To avoid possible voltage spike damage to PCM, ignition key must be off, and the negative battery cable must be disconnected before unplugging the
PCM connectors. Note radio programs.

Negative Battery Cable
imageZoom/Print

1. Disconnect the negative battery cable and isolate.

Battery Connection
imageZoom/Print

Warning: if the negative battery cable is not disconnected the possibility of damaging the power-train control module by contacting the positive battery cable at the PDC.

PCM & Bracket
imageZoom/Print

2. Remove the 2 nuts holding the PCM and Bracket.
3. Unlock and disconnect the electrical connectors at the PCM.
4. Remove the 3 fasteners holding the PCM to the bracket.

INSTALLATION
The PCM engine control strategy prevents reduced idle speeds until after the engine operates for 320 km (200 miles). If the PCM is replaced after 320 km (200 miles) of usage, update the mileage and vehicle identification number (VIN) in the new PCM. Use the scan tool to change the millage and VIN in the PCM. If this step is not done a diagnostic trouble code (DTC) may be set and SKIM must be done or car will not start if it is a SKIM equipped car. If a SKIM car you must do a secret key transfer also.
1. Install PCM to bracket.
2. Install PCM and bracket to vehicle and connect the electrical connectors and lock connectors.
3. Install the 2 nuts and tighten.
4. Connect negative battery cable and reprogram radio and clock.
5. Using scan tool, program mileage and vehicle identification number (VIN) into PCM.
Jul 24, 2018 at 8:31 AM