Can I get a wiring diagrams for the fuel pump?

2006 BMW 325I
188,000 MILES • 3.0L • V6 • 2WD • MANUAL
Avatar
SMILINGHOTTIE
  • MEMBER
  • 3 POSTS
My fuel pump isn't getting power and want to test it but don't know what wires are power and what aren't
Aug 28, 2023 at 8:36 PM
Advertisement
Avatar
STRAILER
  • CERTIFIED EXPERT
  • 53,854 POSTS
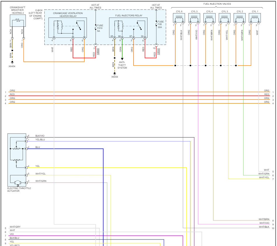
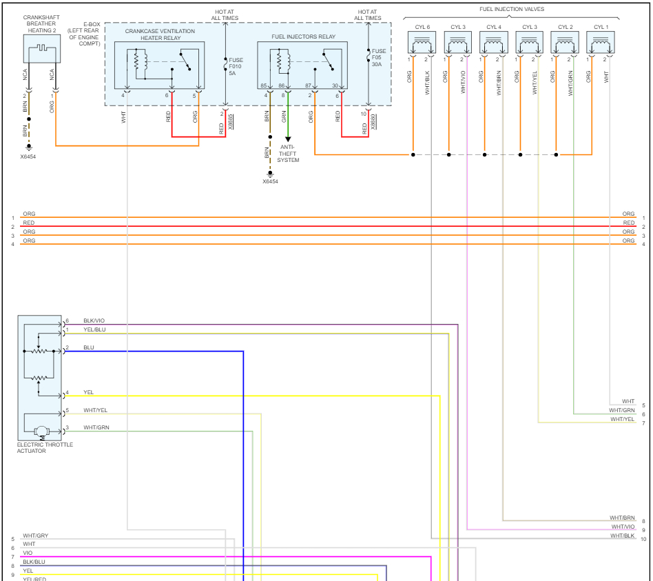
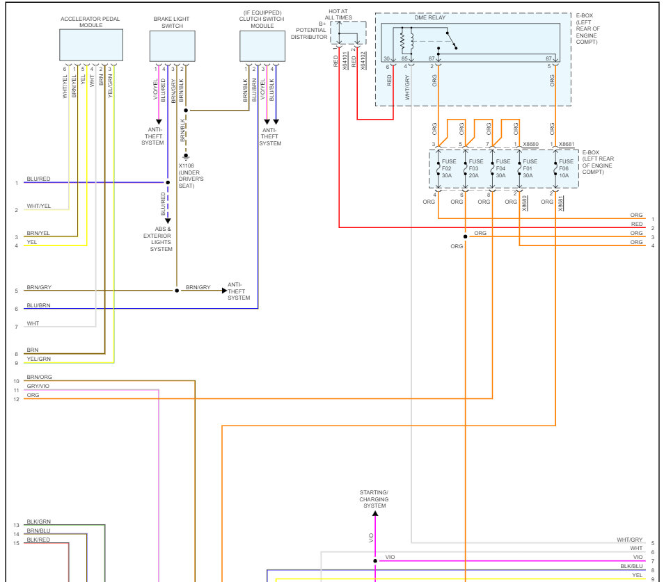
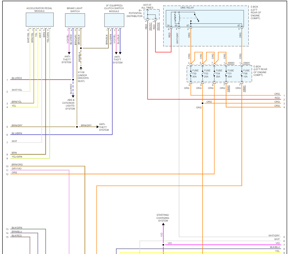
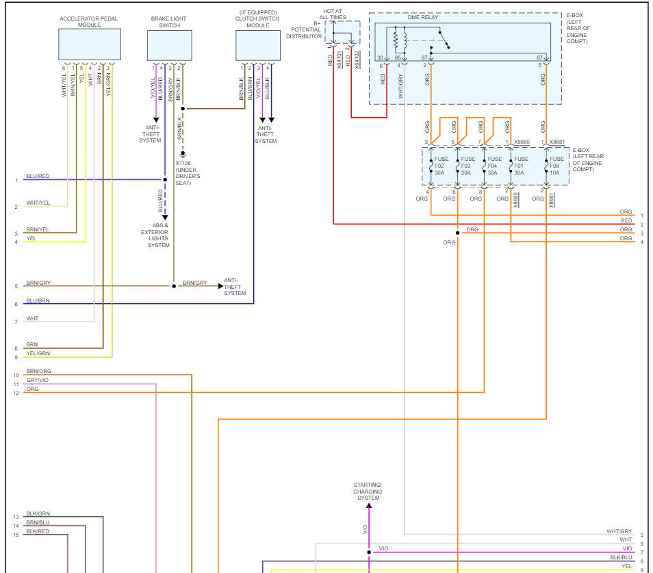
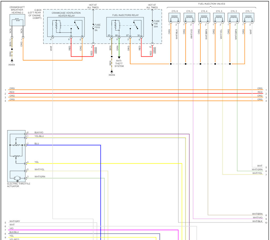
I would check fuse #40f in the engine bay fuse panel here is a guide to help and I have included the engine and fuel pump wiring diagrams so you can see how the system works.

https://www.2carpros.com/articles/how-to-check-a-car-fuse

Check out the images (below). Please let us know if you need anything else to get the problem fixed.
Aug 29, 2023 at 1:22 PM
Avatar
SMILINGHOTTIE
  • MEMBER
  • 3 POSTS
I haven't found the one under hood yet not sure there is one. The only fuse box I have found is in the glove box any help to find any other possible fuse location would be greatly appreciated. Also, the distribution like thing on top of battery has one of the metal clips detached. I wonder since its metal is it possibly supposed to attach and since it's not maybe that's why no start. I mean the rest is plastic why would those be metal if not for connection reasons. I've been told both no, that don't matter and yes maybe it does can anyone tell me why all the complicated stuff on top not just positive and negative terminals?
Aug 29, 2023 at 6:14 PM
Advertisement
Avatar
SMILINGHOTTIE
  • MEMBER
  • 3 POSTS
I haven't found the one under hood yet not sure there is one.
Aug 29, 2023 at 6:15 PM
Avatar
STRAILER
  • CERTIFIED EXPERT
  • 53,854 POSTS
All electrical connection need to be connected but if can see what you are talking about it will help, can you upload an image of it so I can be sure?
May 6, 2024 at 7:59 PM