Wiring schematics for 14 pin Aokus Xenon headlight needed?

2010 AUDI CABRIOLET
130,000 MILES • 2.0L • 4 CYL • TURBO • 4WD • AUTOMATIC
Avatar
AD1984
  • MEMBER
  • 1 POST
I had 5 wires pulled out of my headlight connector on the passenger side.
Dec 8, 2022 at 12:54 AM
Advertisement
Avatar
STEVE W.
  • CERTIFIED EXPERT
  • 15,113 POSTS
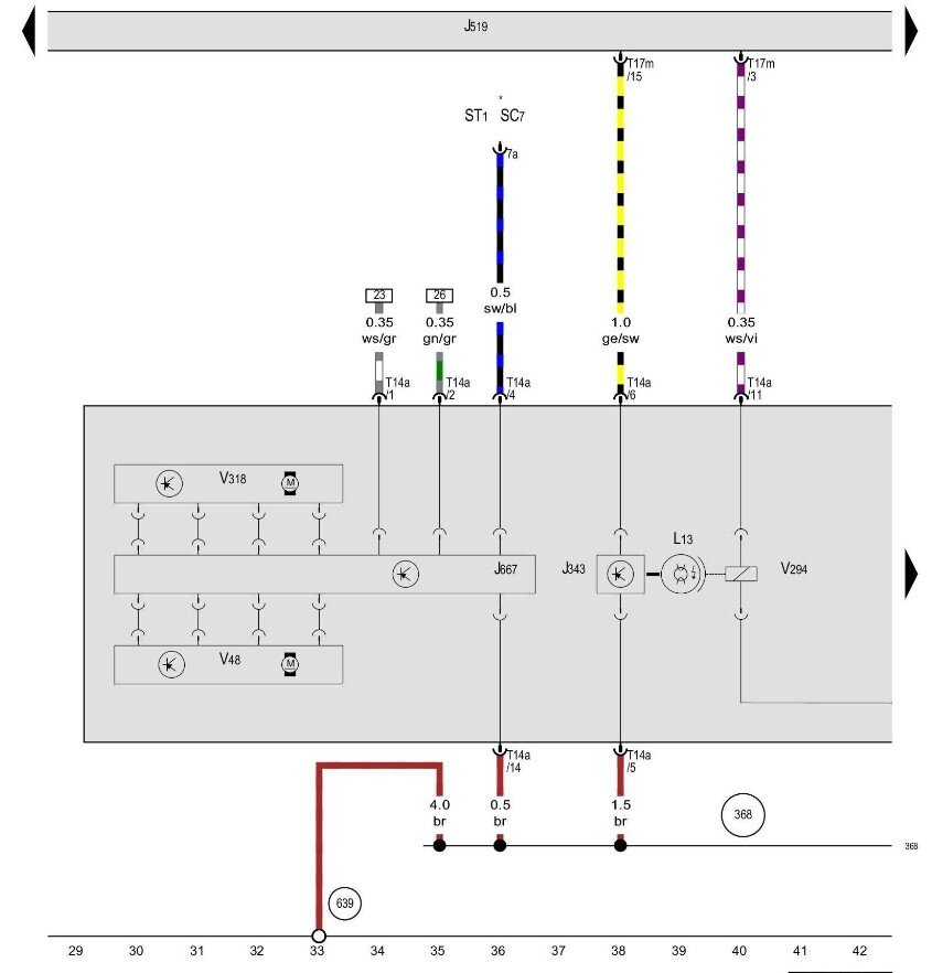
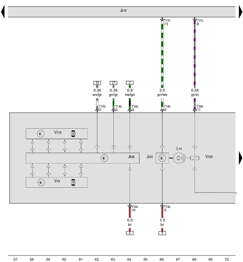
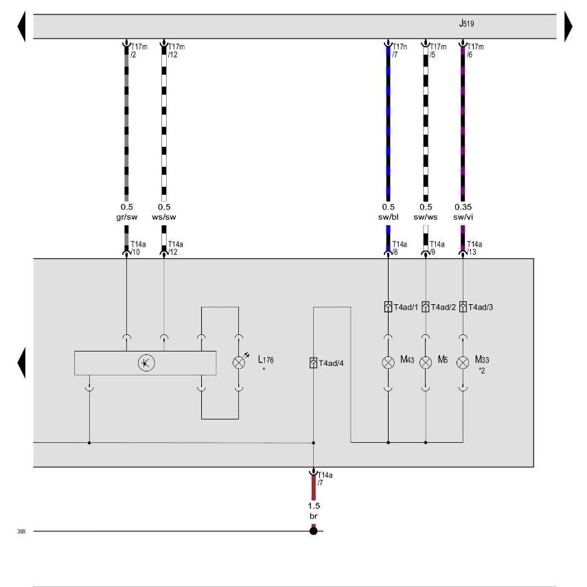
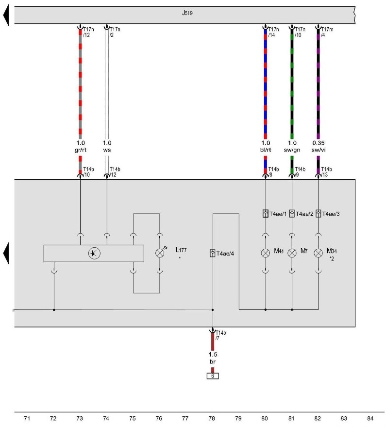
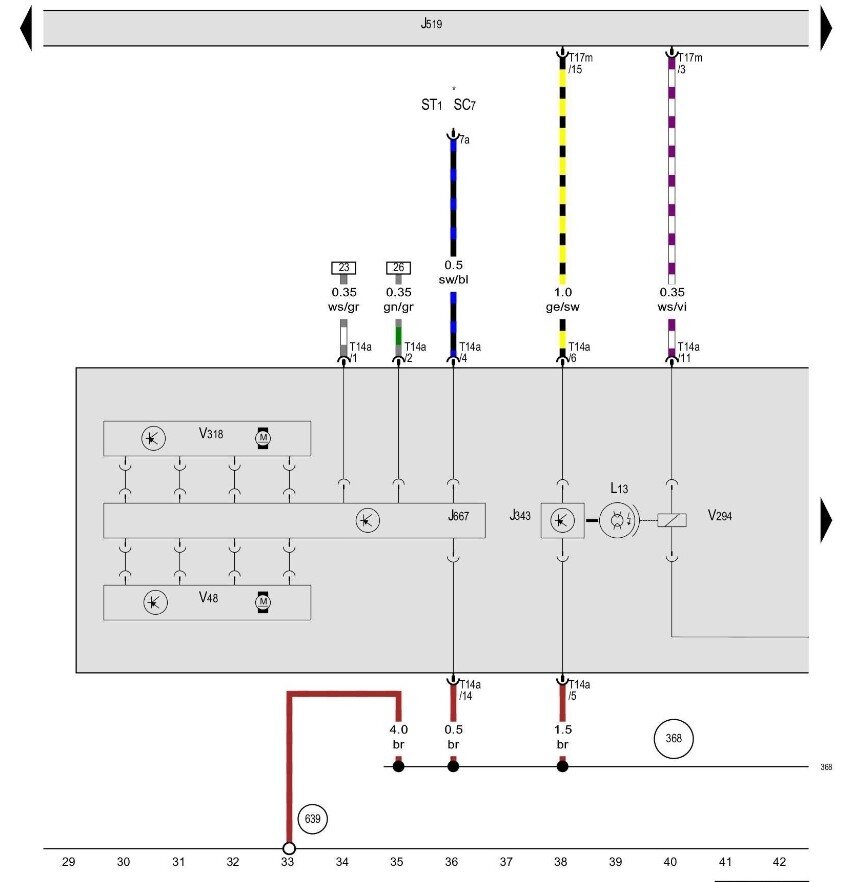
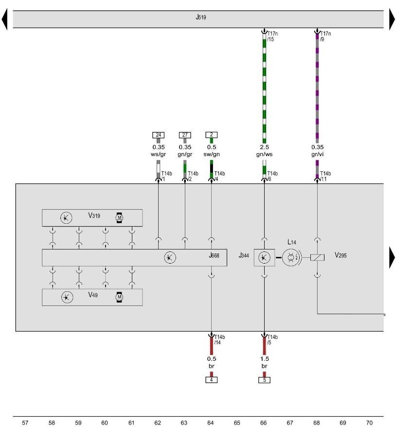
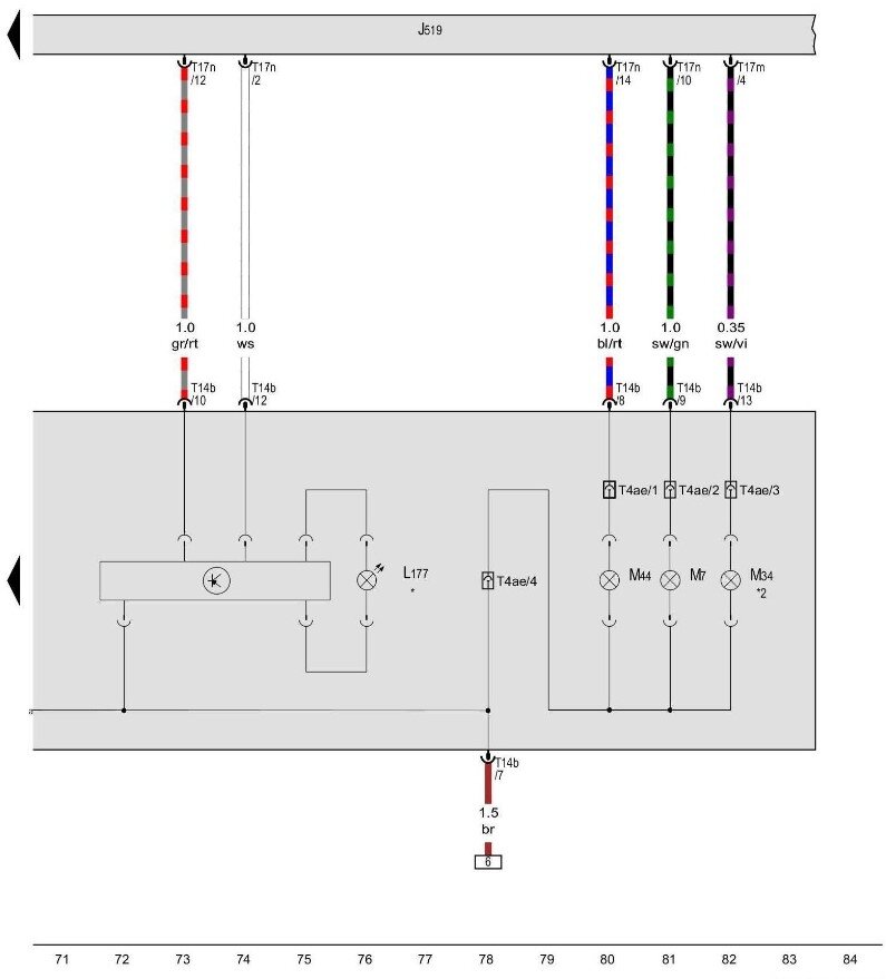
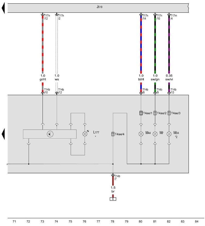
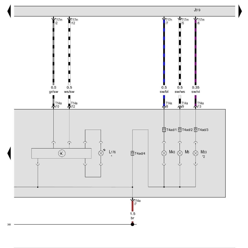
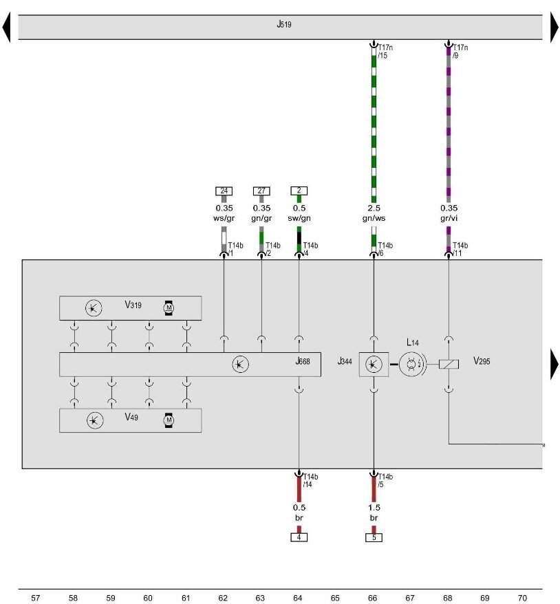
These are the diagrams for the light modules. The first one is just the right-hand lamp module. The other 7 are the OE wiring diagram and the key for the symbols and colors. If the wires pulled free with the contact pins be sure to bend the retainer tangs out so they clip in when you put them back.
Dec 8, 2022 at 8:44 AM