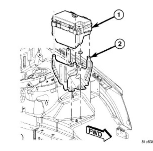
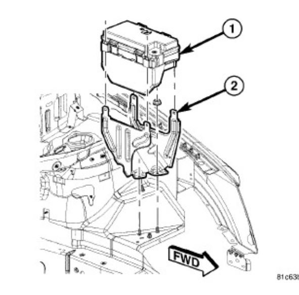
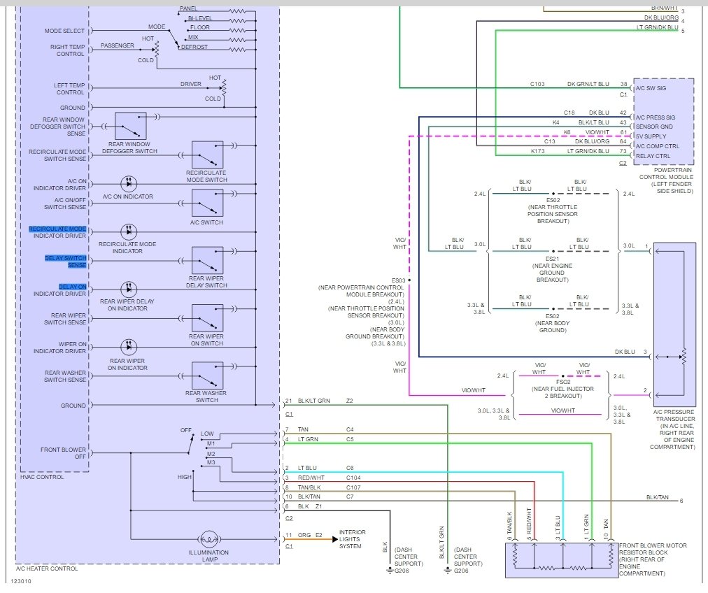
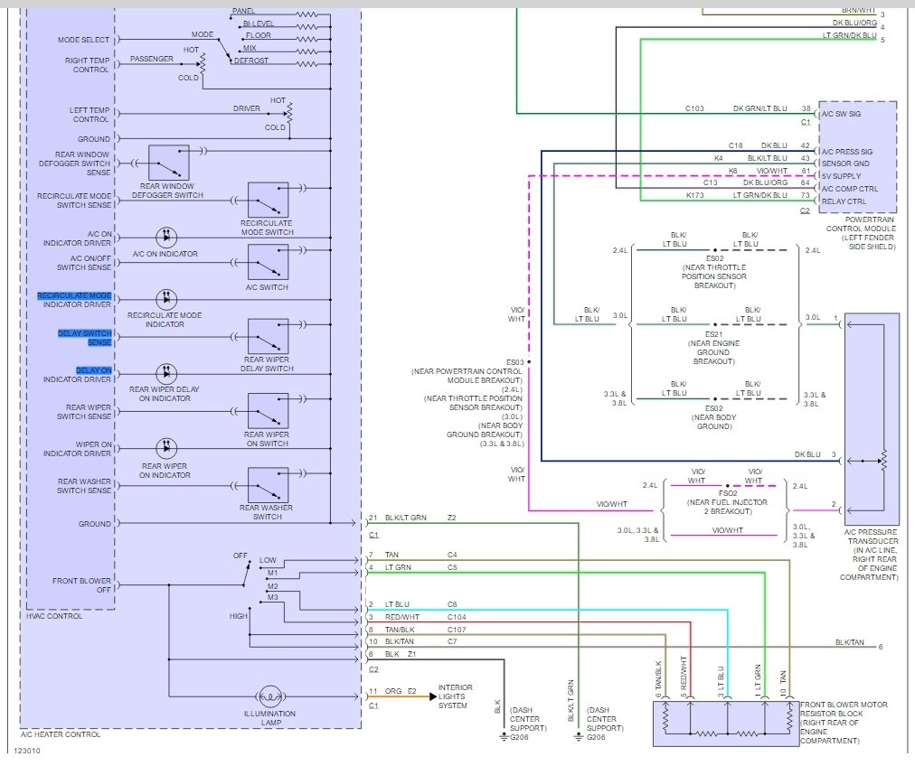
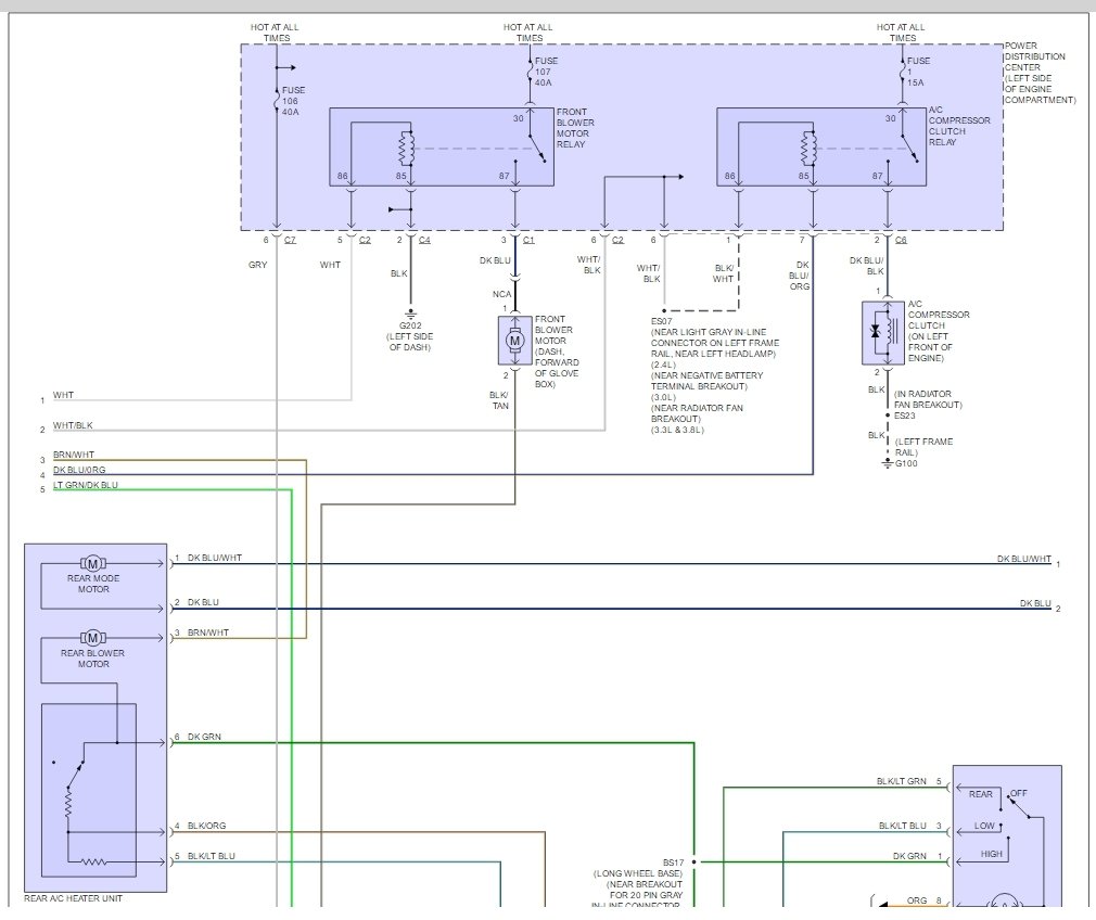
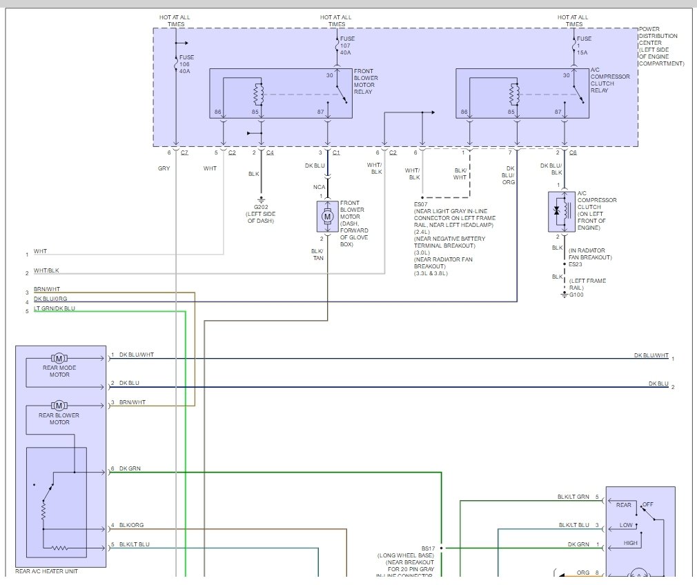
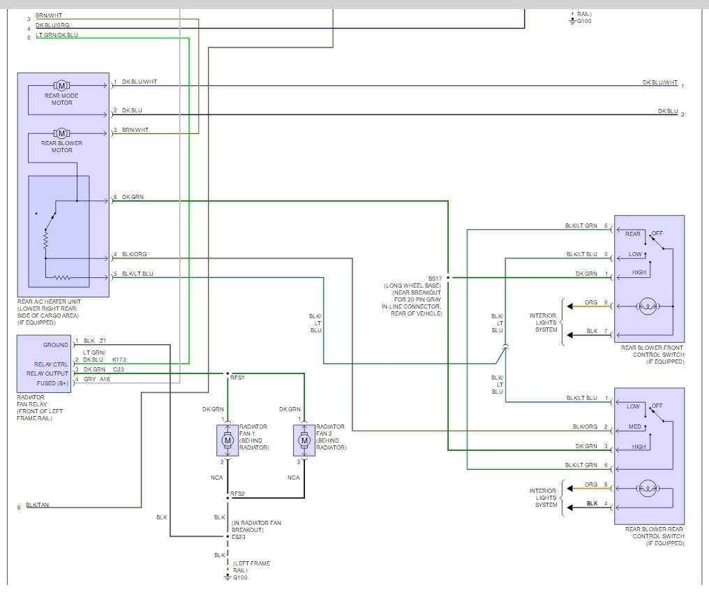
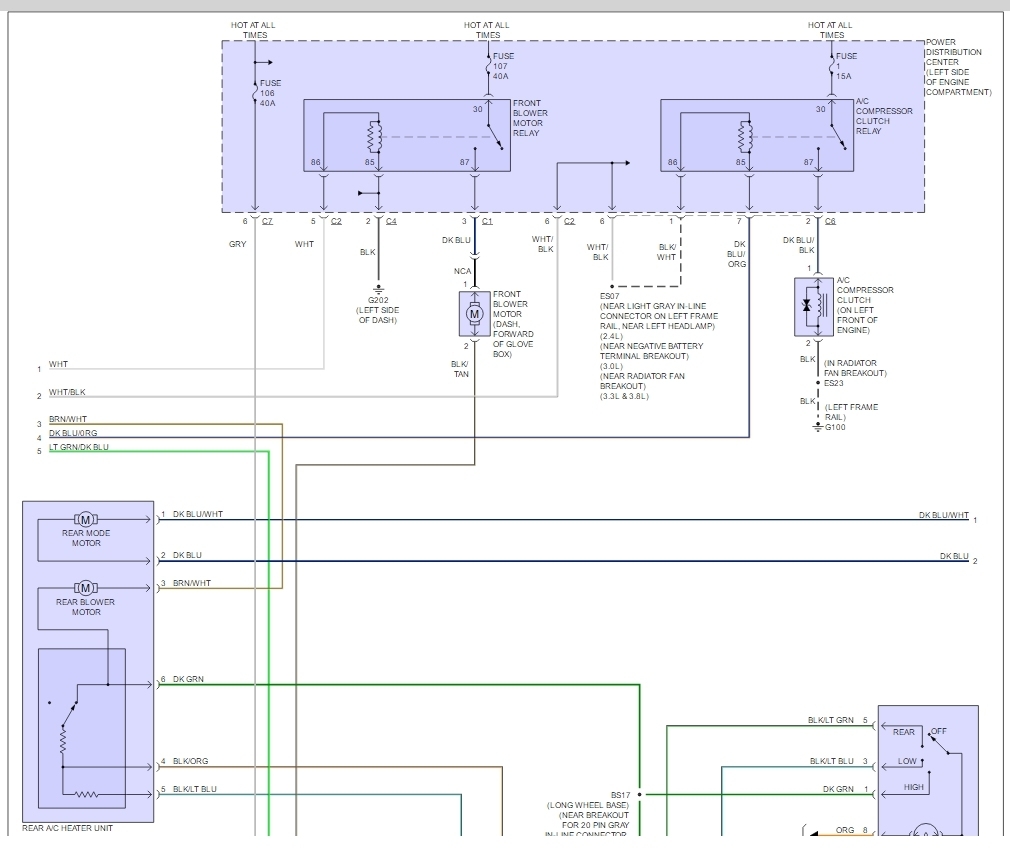
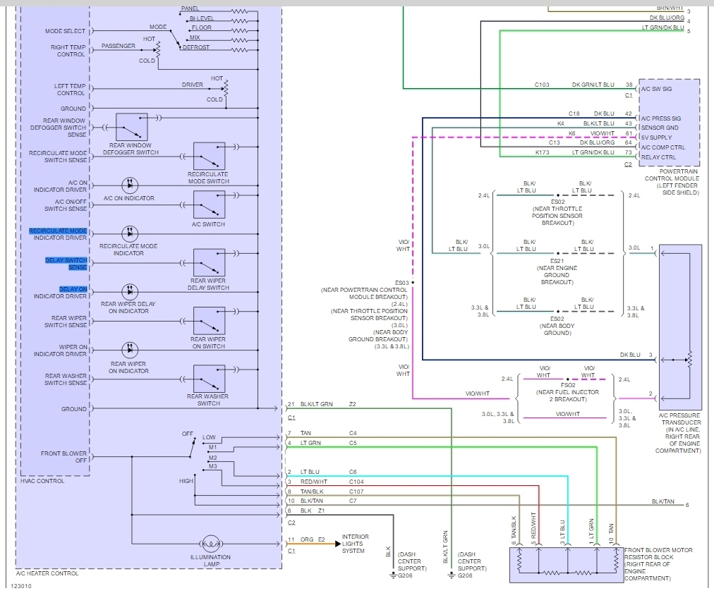
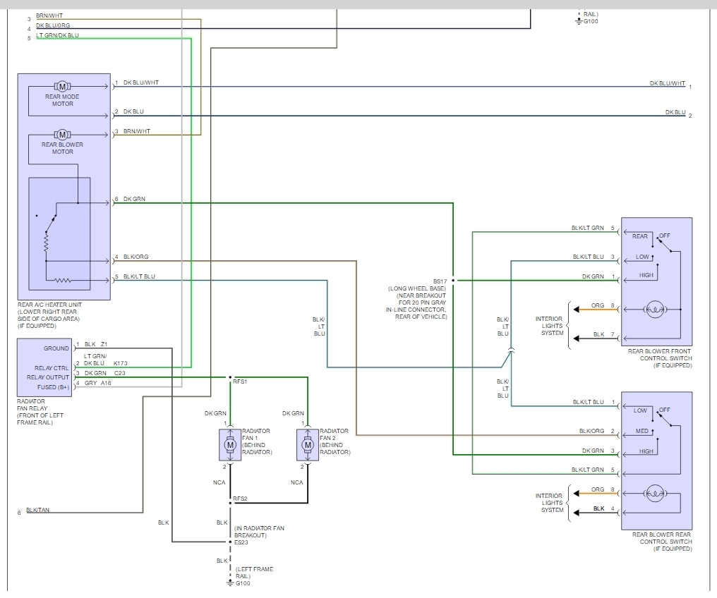
The wiring schematics in the Haynes manual don't reflect my van listed above. I have a front blower problem and have traced all the wires to no avail. In the Haynes it says the circuit goes to the TIPM's circuit board but mine goes to a relay. I have successfully ran a fused ignition feed to the blower motor control module to get everything to work correctly. But I can't figure out the relay feed back from the blower control module. A schematic for the whole car would be appreciated because I purchased a factory manual on line but it only goes to 2011 not to 2014 as advertised and the wiring schematic doesn't work for my van too.
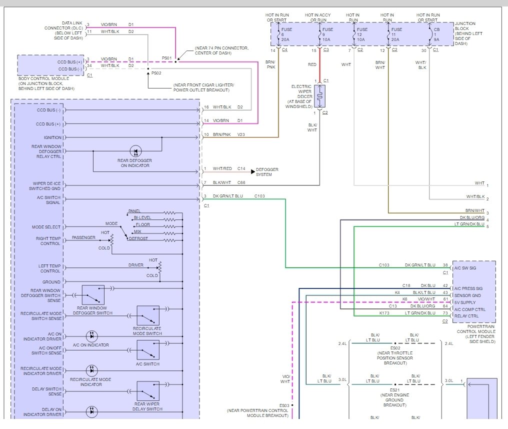
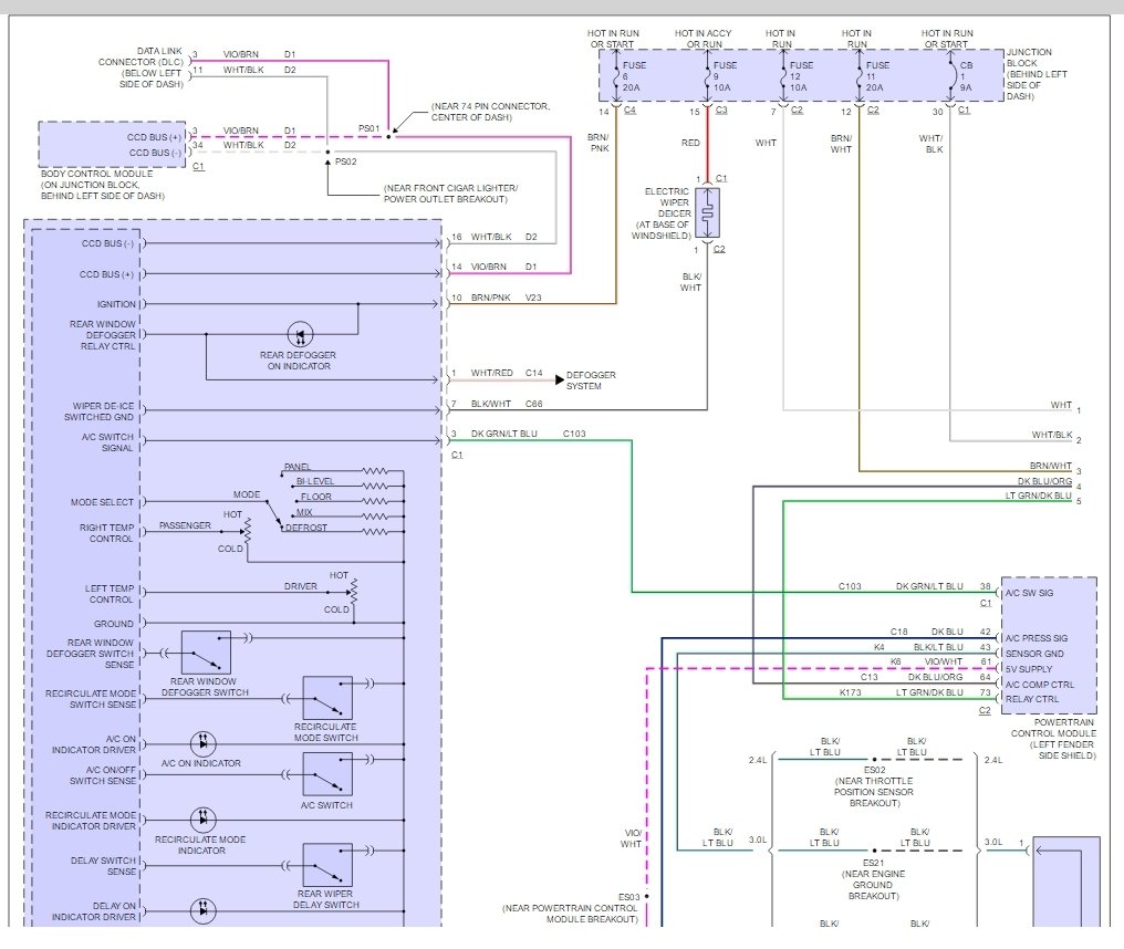
My van is listed above with the digital heating system with right and left and rear HVAC.
Thank you again, David W
My van is listed above with the digital heating system with right and left and rear HVAC.
Thank you again, David W
Oct 29, 2020 at 2:05 AM













