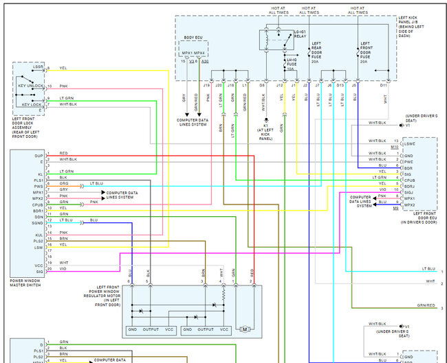
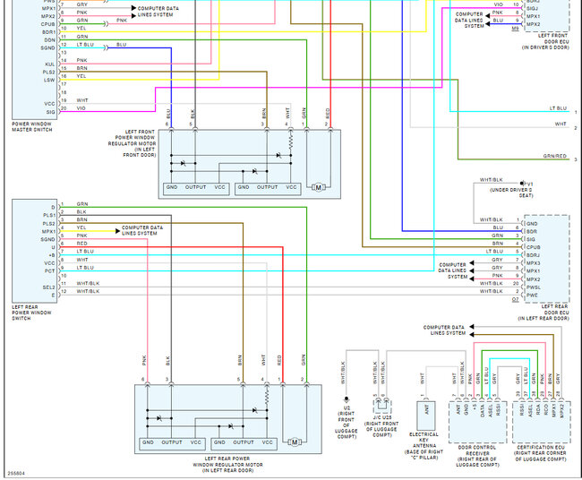
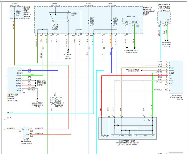
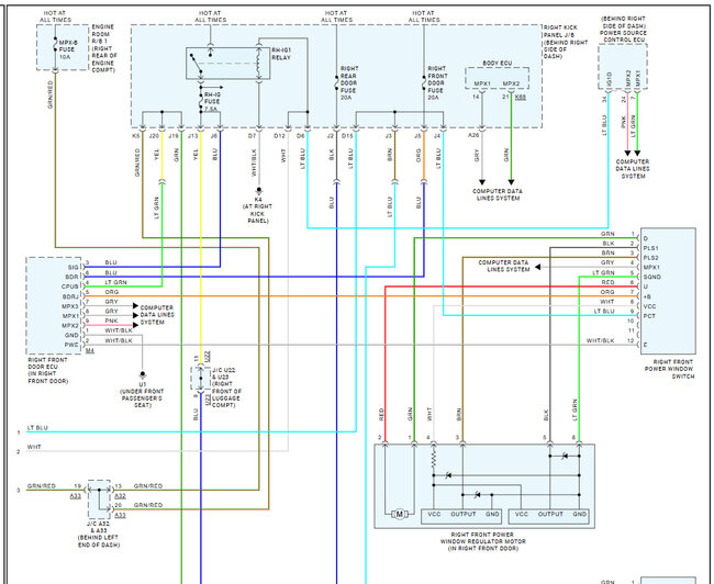
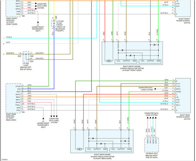
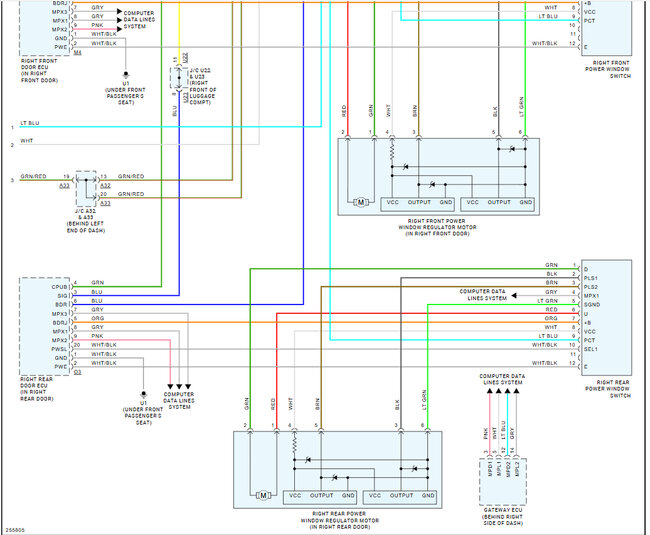
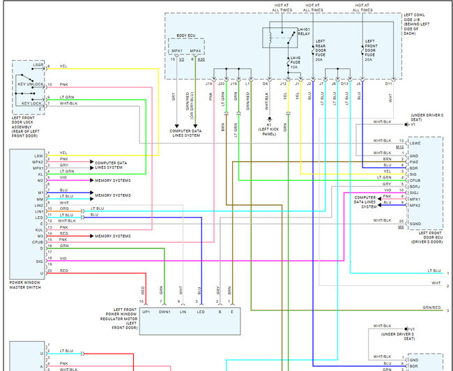
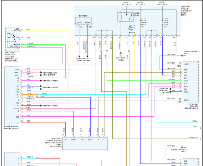
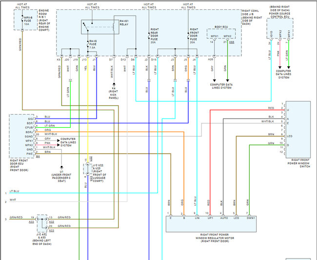
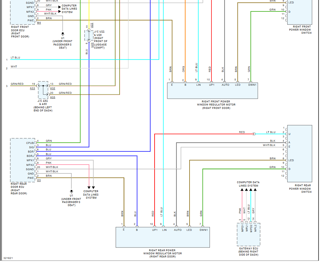
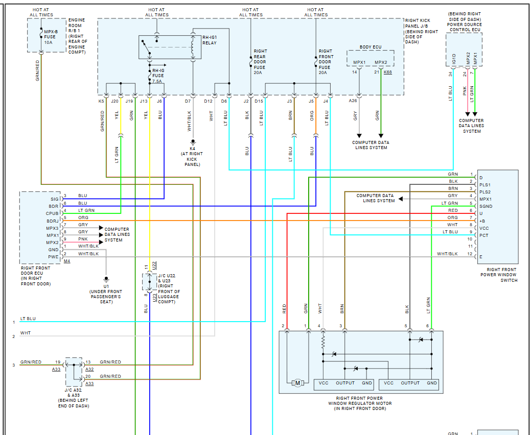
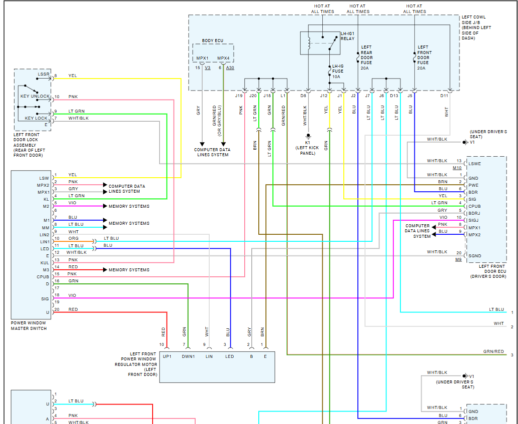
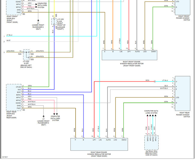
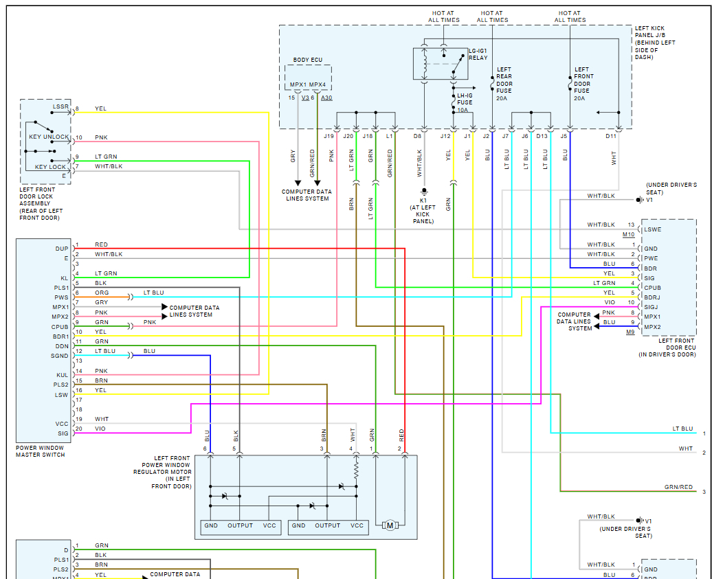
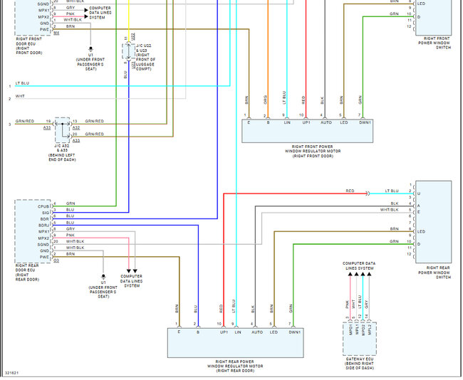
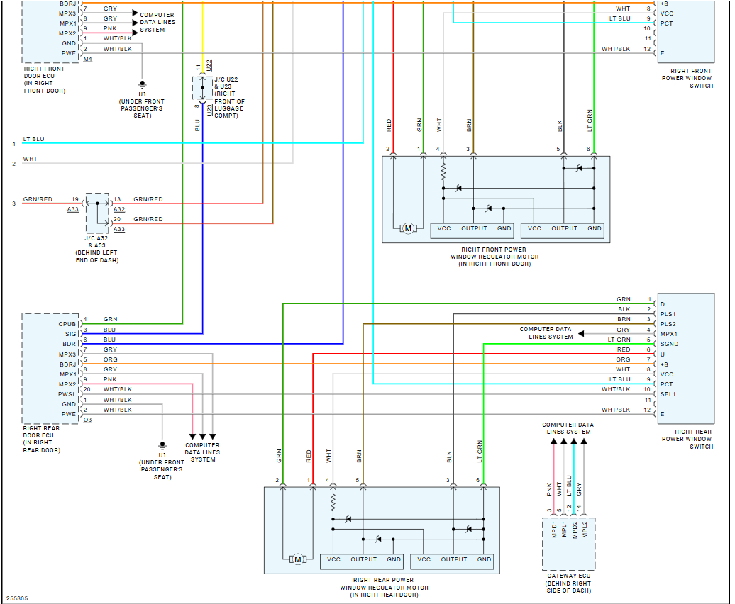
I need a schematic diagram of a 2007 Lexus GS 350 Front Left Driver Door and a schematic diagram of a 2010 Lexus GS 350 front left driver door diagram of the wiring harness on the door behind the door panels. I’m trying to splice my harness from a 2007 GS 350 door to the 2010 wiring connector for window regulator. Both harnesses have same wires which are 6 wires together but 2 of them are different colors, the 07 harness being a red and green wire while the 10 harness being a black and brown wire. Them 4 wires are all thick wires while the others are thin.
Jul 27, 2025 at 2:42 PM







