Wiring issue that only happens in the winter?

2003 CHEVROLET 1500
200,000 MILES • 5.3L • V8 • 4WD • AUTOMATIC
Avatar
L3TSG0BRAND0N
  • MEMBER
  • 1 POST
My truck is having an issue where everything that seems to be controlled by the BCM doesn't work until I hit the brakes/make the brake lights turn on, Radio, gauges, 4-wheel drive selector, and maybe even airbag stuff will turn off until I hit the brakes. It never happens in the summer, only in the winter. So, maybe a wire is getting wet? I've tried many things but still don't know. Any help is welcome.
Nov 17, 2022 at 1:56 PM
Advertisement
Avatar
AL514
  • CERTIFIED EXPERT
  • 5,462 POSTS
Hello, this sounds like a very difficult issue, I'll try to give it a try. Since it's a colder weather type issue it sounds more like a hot cold problem, or possibly some corroded connectors or fuse panels. There is a fuse panel on the driver side lower dash, have you checked that panel for any corrosion or water intrusion? And what else have you tried so far?

And do the Turn Signals work normally?
I would also check the fuse panels in the engine compartment for corrosion underneath, those fuse panels tend to have open bottoms and corrosion is very common.

Looking at the wiring diagrams, this is a long shot, but if you pull this Flash Fuse 25amp, does this prevent the Brake pedal switch from causing other components from turning on?

I'm going to pull up the power feeds for the BCM and you can check to see if any of them are missing power. If you think it's related to the BCM, then all the power feeds need to be checked, there are quite a few. Does this truck have two batteries also?

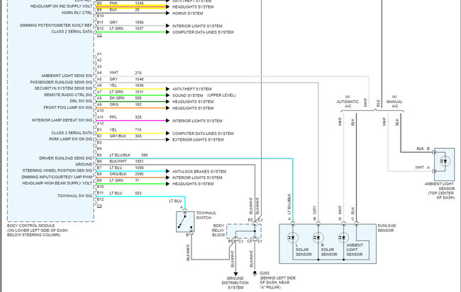
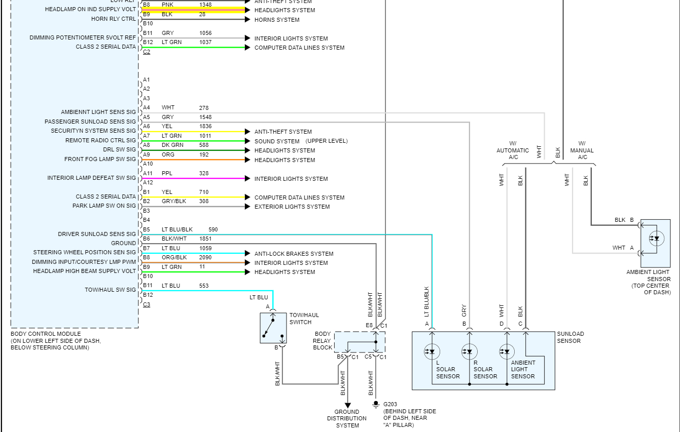
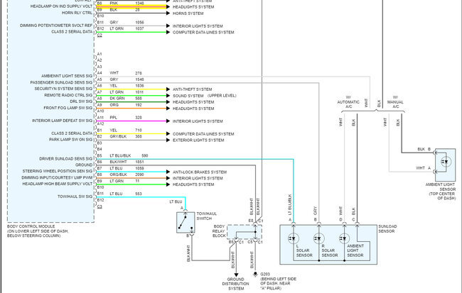
Here are all the power feeds for the BCM, diagrams 2 to 5, there are 7 positive feeds. Some are key on powers, but if any of these are missing, there's no way to tell what each feed outputs from the BCM, so you can first verify these are all 12volts.
Surprisingly, there are only 2 Grounds, and they both meet at the same place, this G203 behind driver side dash near pillar A, it's a black/white wire.

I'm wondering if power is being back fed from the Stop Lamp switch, into a different fuse, but that depends on if the turn signals are working or not.
The BCM will be down on the driver side dash, about where your knees are.
Nov 17, 2022 at 4:20 PM