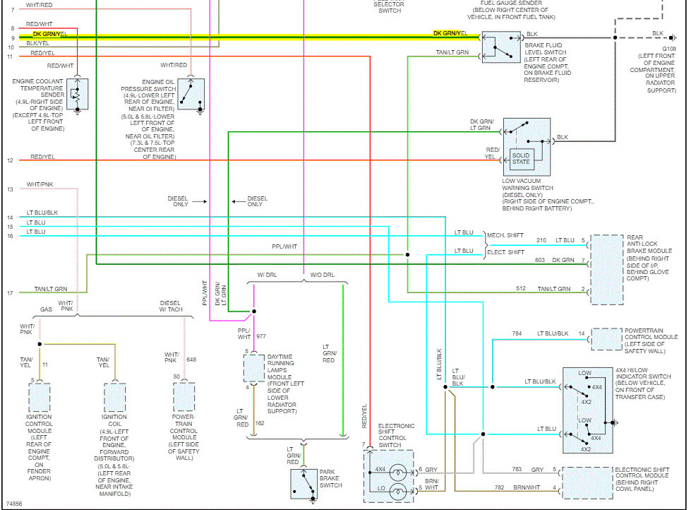
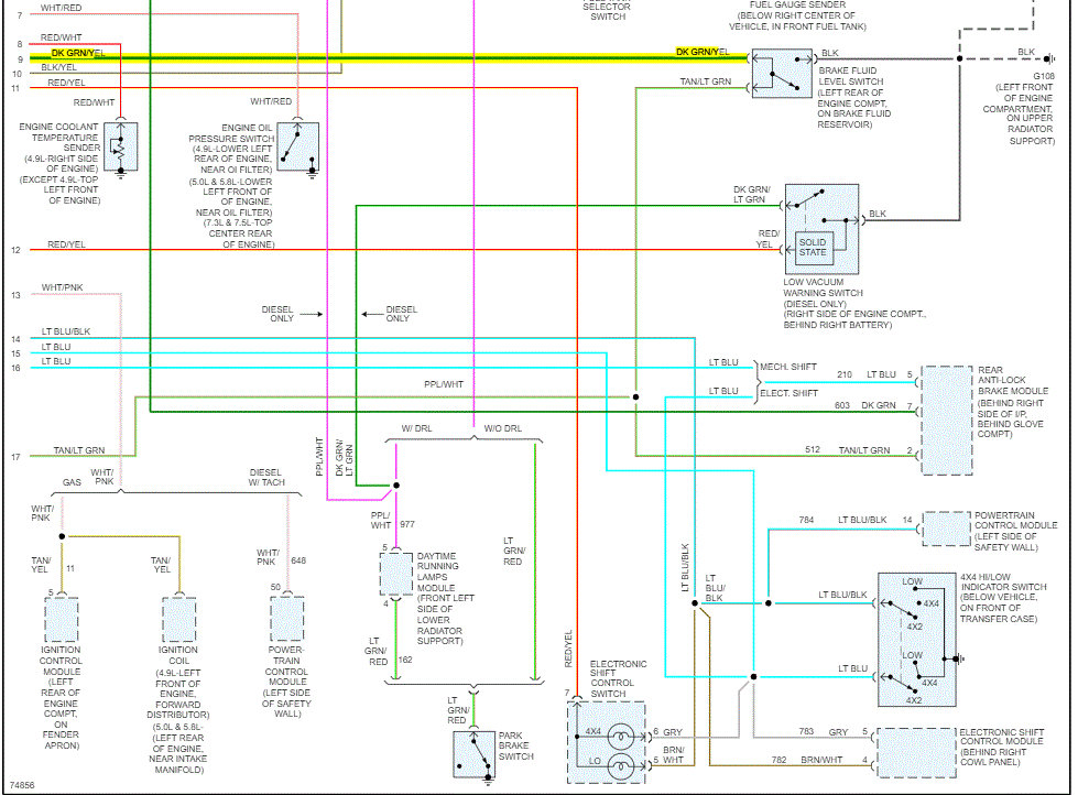
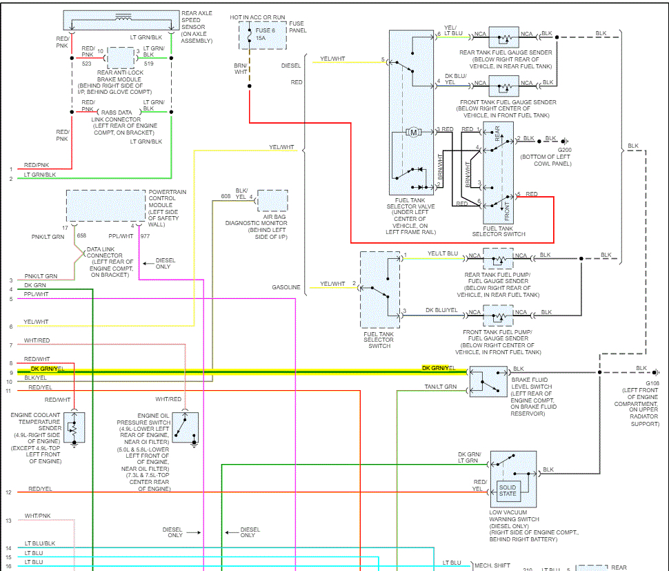
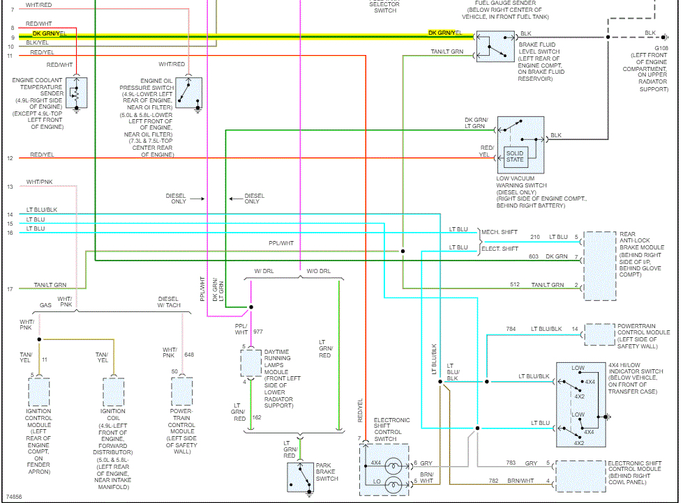
I accidentally hit two wires in the wiring loom that runs under the plastic cover on the driver side door sill. There is a loom in there running through towards the back of the cab with about a dozen wires in it that I assume break off to separate parts of the truck. I was drilling a hole from under the cab and saw a spark. I immediately checked and I had hit a black wire with a light blue stripe and a green wire with a yellow stripe. I patched the wires up and drove it. Immediately noticed that the digital odometer is off (as in not operational) and the speedometer is not functioning. The truck also shifts hard now, it has never done this before. It is the electronic OD transmission A4OD.
All other gauges work fine, as well as warning lights when I start the truck. I reviewed the wiring diagram in my Haynes manual, however it leaves a lot to be desired. I think I located the black wire with the light blue stripe and it is identified as a ground. Have not found what the green with yellow stripe wire is. Not sure about the accuracy of the diagram though. I will say, I checked all of the fuses related to any of the speed sensors, transmission controls, etc. and all fuses are fine. I cannot figure out what is wrong. I would appreciate some guidance. Thank you
All other gauges work fine, as well as warning lights when I start the truck. I reviewed the wiring diagram in my Haynes manual, however it leaves a lot to be desired. I think I located the black wire with the light blue stripe and it is identified as a ground. Have not found what the green with yellow stripe wire is. Not sure about the accuracy of the diagram though. I will say, I checked all of the fuses related to any of the speed sensors, transmission controls, etc. and all fuses are fine. I cannot figure out what is wrong. I would appreciate some guidance. Thank you
Nov 30, 2021 at 11:22 AM




