wiring issue

1998 LINCOLN NAVIGATOR
225,000 MILES • V8 • 4WD • AUTOMATIC
Avatar
NAVIGATORBOYZ
  • MEMBER
  • 1 POST
when i turn on my right turn signal every once in a while the hazard lights turn on then the taillights are fading and my right turn signal in my dash does not work. if anyone knows what this is please help!
Jun 23, 2017 at 8:08 PM
Advertisement
Avatar
MHPAUTOS
  • CERTIFIED EXPERT
  • 31,937 POSTS
Sounds like a bad ground in one of the lights, check this first.
Jun 24, 2017 at 5:11 AM
Avatar
STRAILER
  • CERTIFIED EXPERT
  • 53,854 POSTS
Hello,

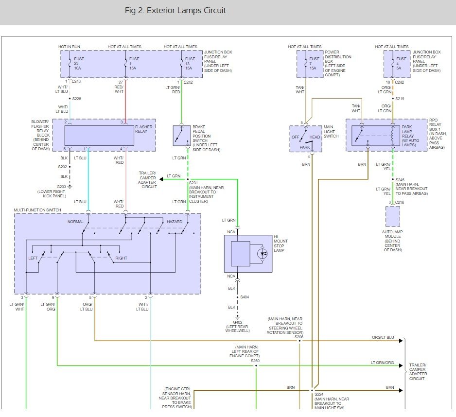
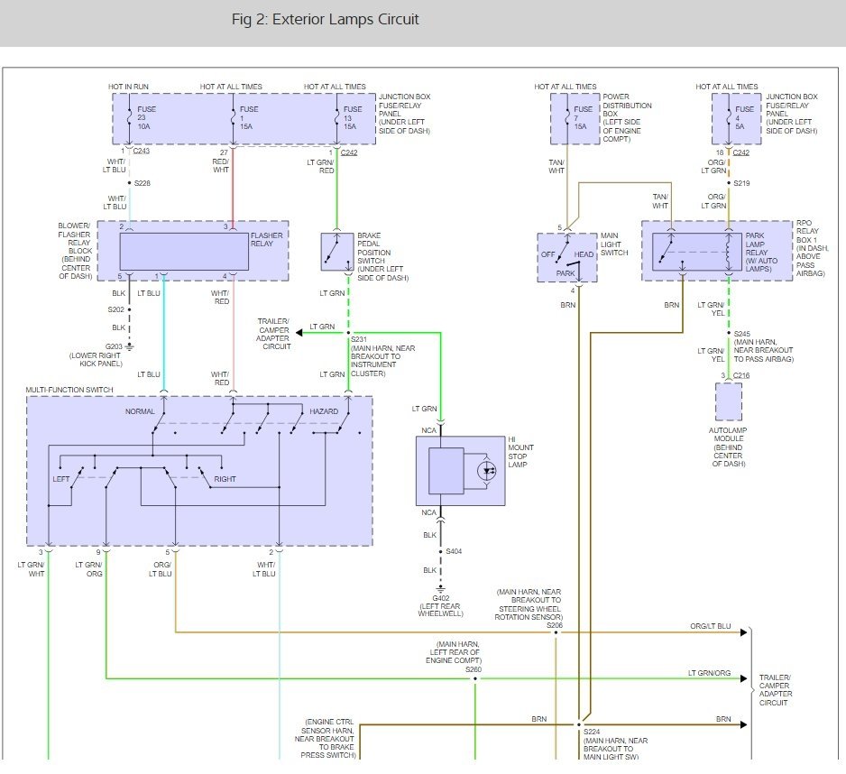
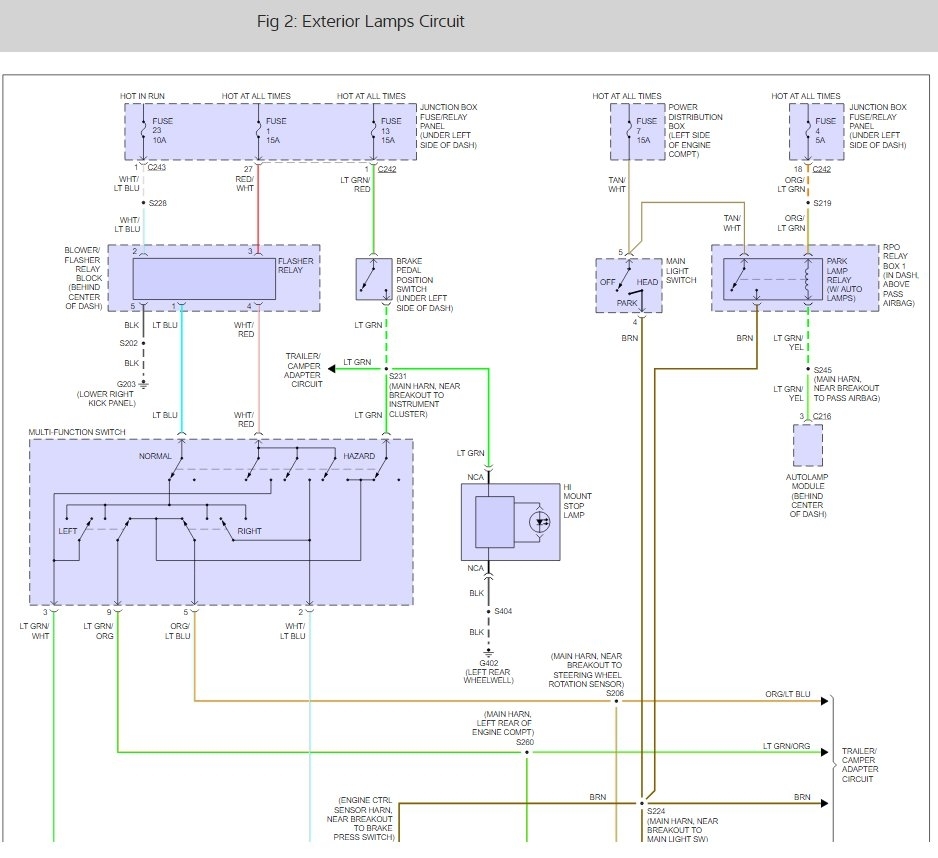
It sounds like you have a wiring or bulb problem, here is some wiring diagrams (below) and some guides to help you do some testing so you can get the problem fixed.

https://www.2carpros.com/articles/no-tail-lights-exterior-running-lights-tail-lights-out

and

https://www.2carpros.com/articles/how-to-use-a-test-light-circuit-tester

Please run some tests and get back to us so we can continue helping you.

Cheers, Ken
Jun 26, 2017 at 12:41 PM
Advertisement