Hello, is this a C1500 or C2500 series Silverado? If this diagram does not match up to the colors for your truck, just add your VIN and we can look the vehicle up by that. But the first diagram is the top half, and the second is the bottom half. This is only for the window section of the switch. I'll put up the locks just in case you need those as well.
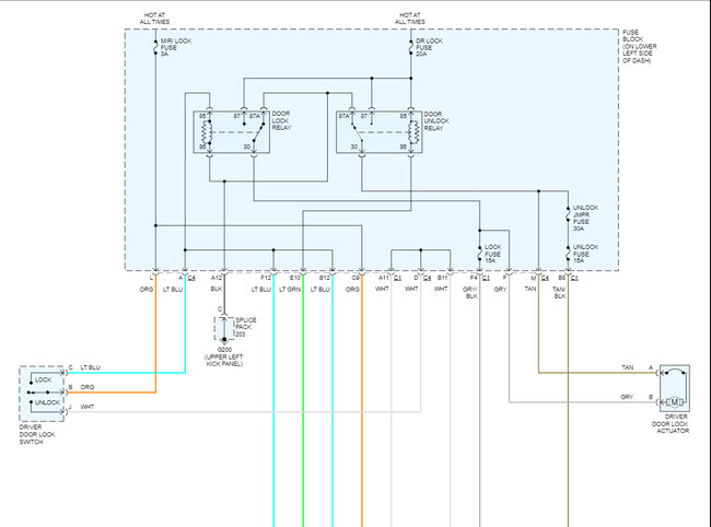
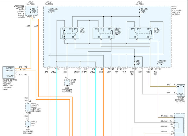
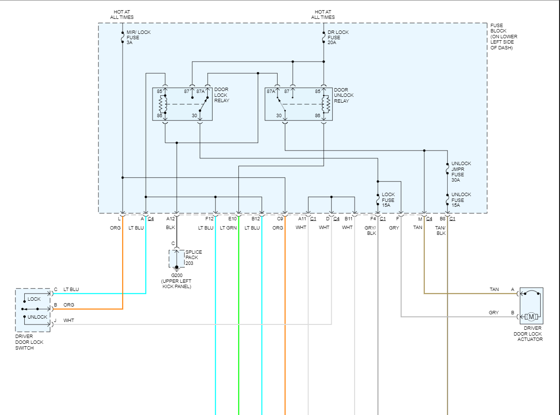
There are two different setups for the electronic door locks, a Base model and an Upper Model which includes an extra relay for just the driver's door. Diagrams 3 and 4 are the Base model locks and diagrams 5 and 6 are the Upper-level model. If you print these diagrams out, you'll see how they line up. Hope this helps.
https://www.2carpros.com/articles/electric-window-repair
Images (Click to enlarge)
Jan 12, 2023 at 7:28 AM