2CarPros,
To start off a friend turned me onto your site. He said you guys were really good at helping with all kinds of issues.
In any event I'm not sure if you can help me with this but I'm going to ask.
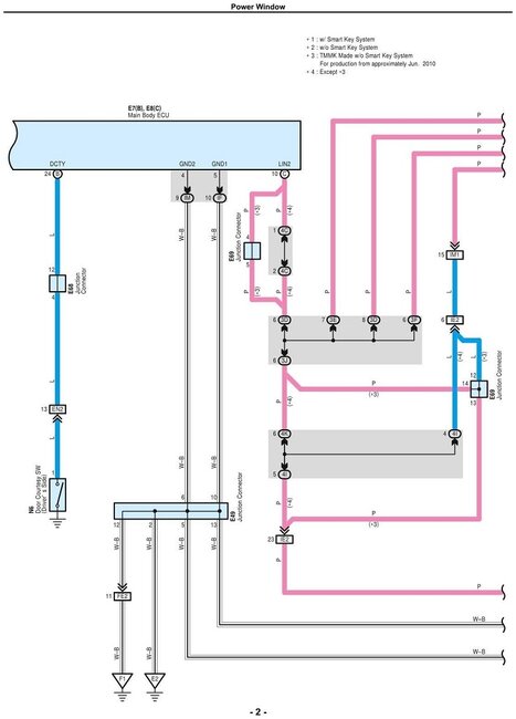
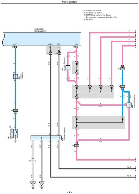
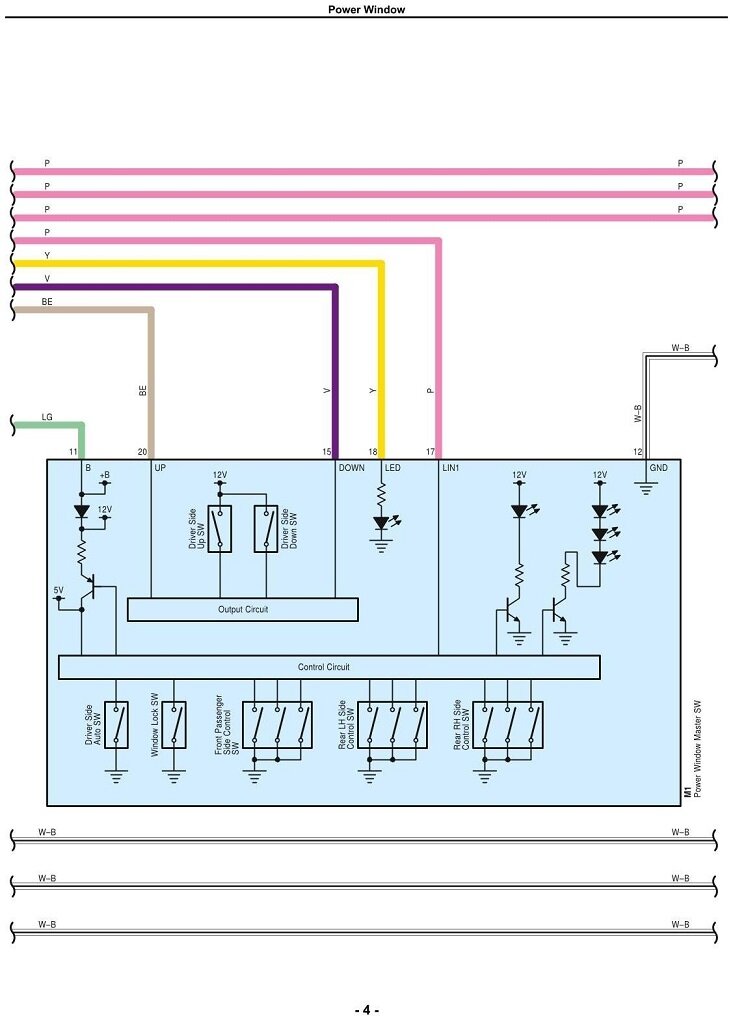
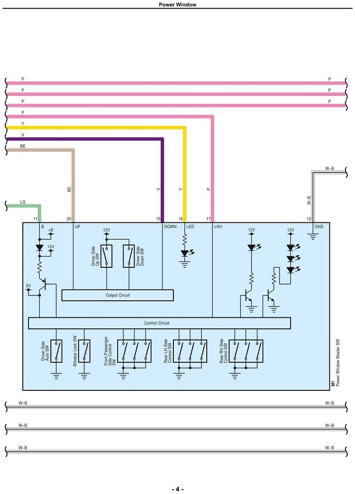
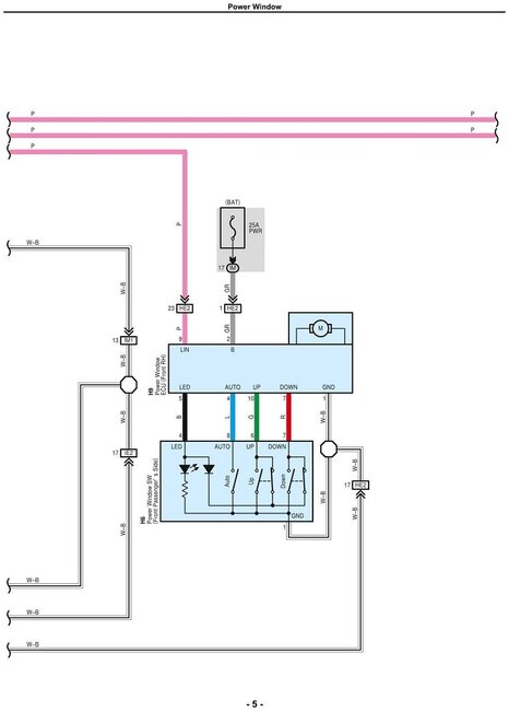
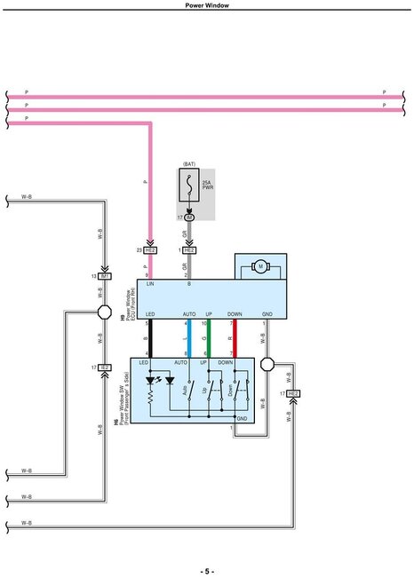
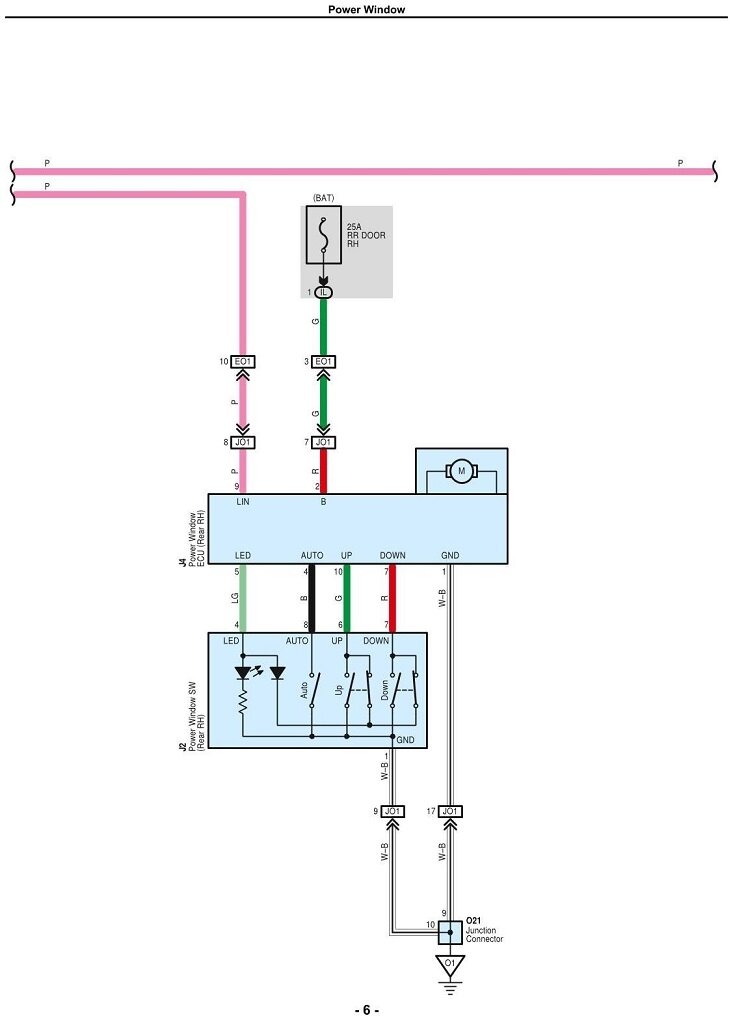
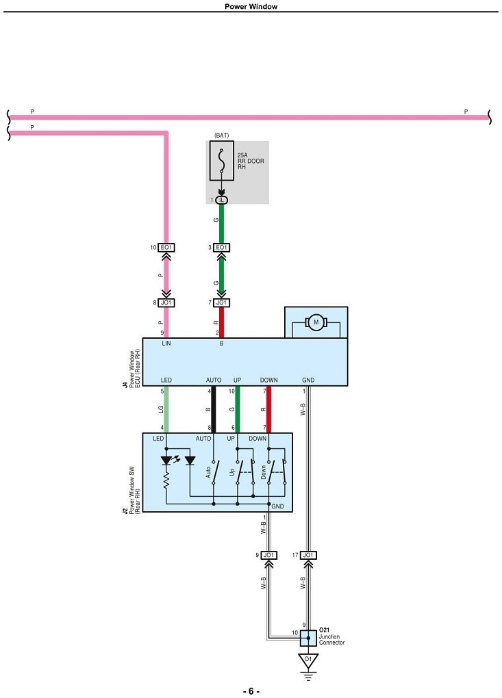
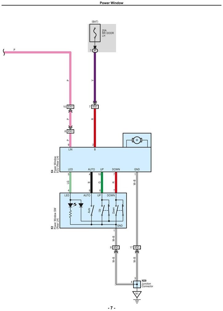
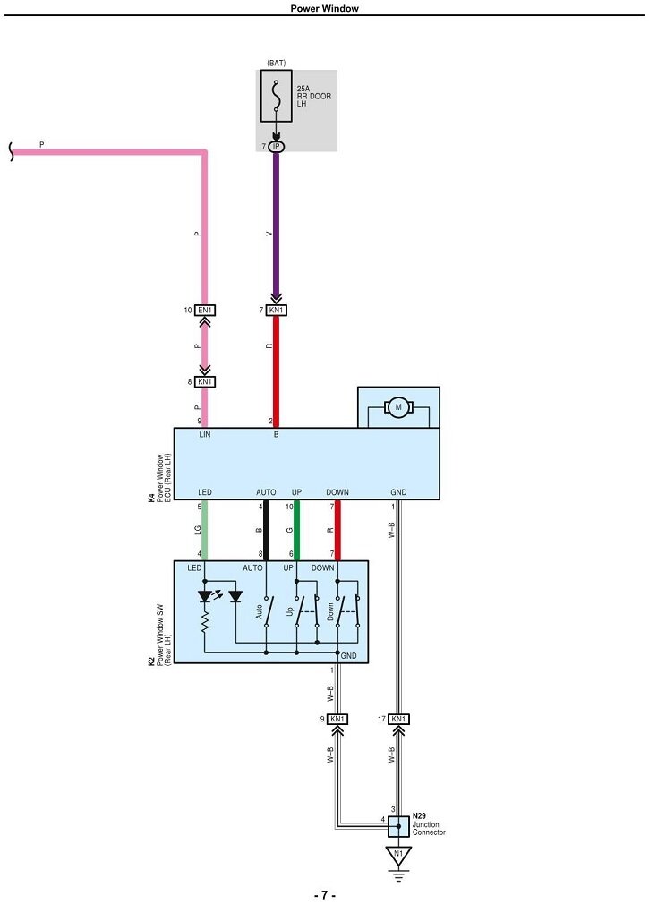
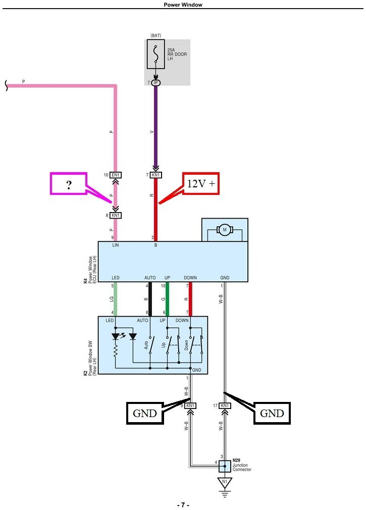
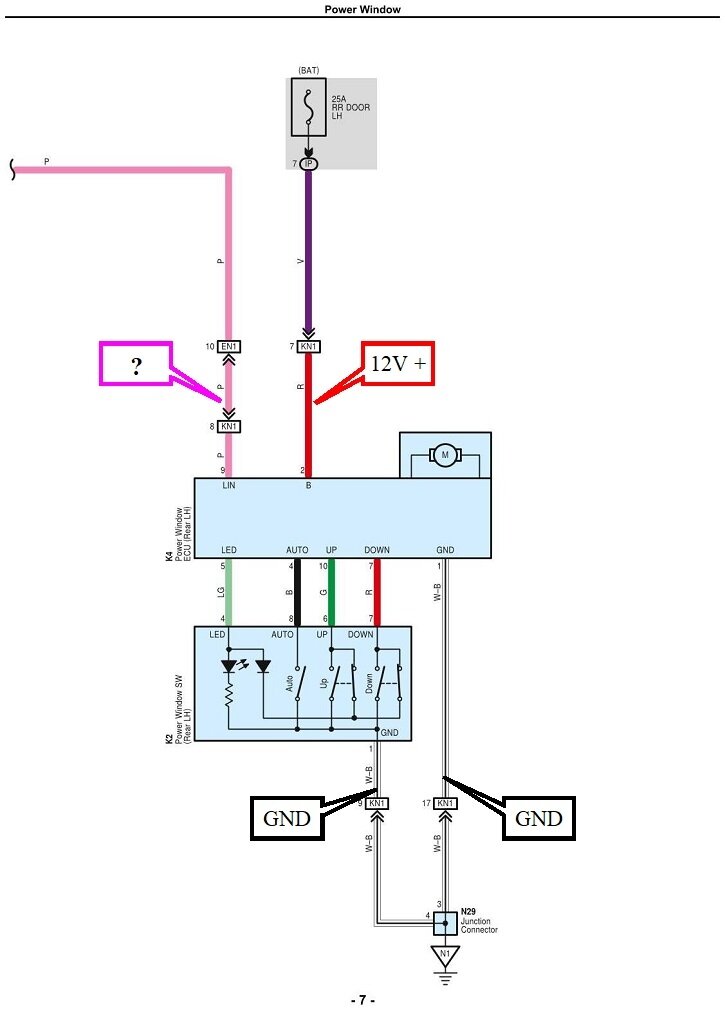
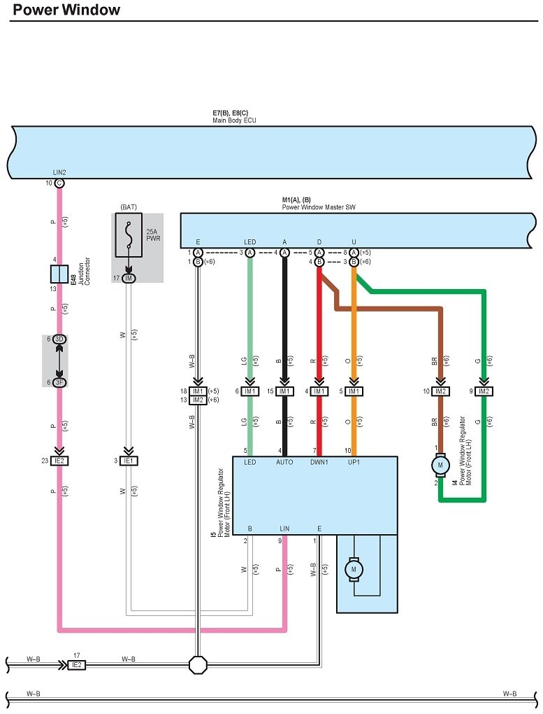
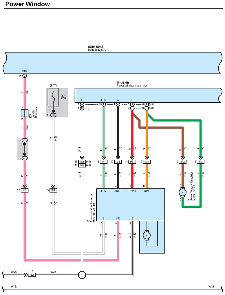
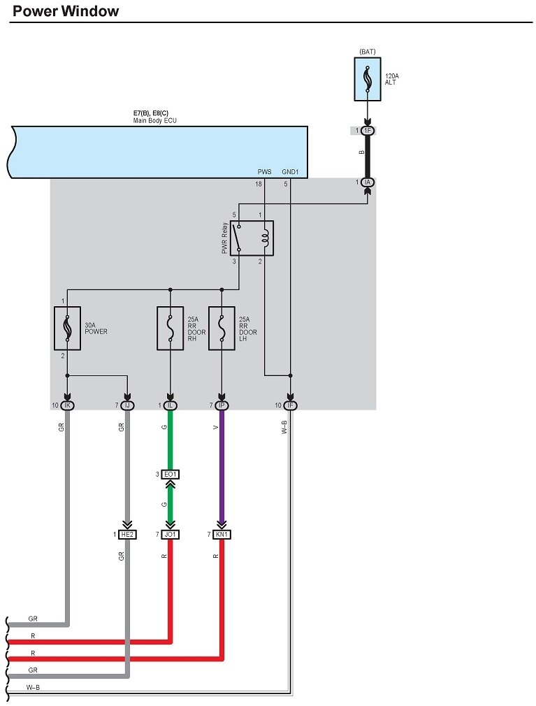
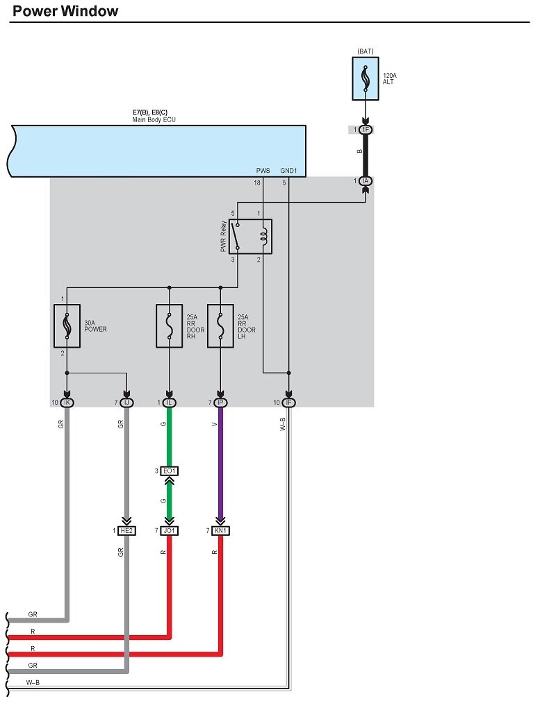
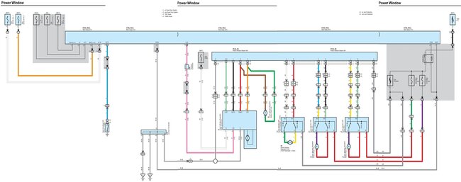
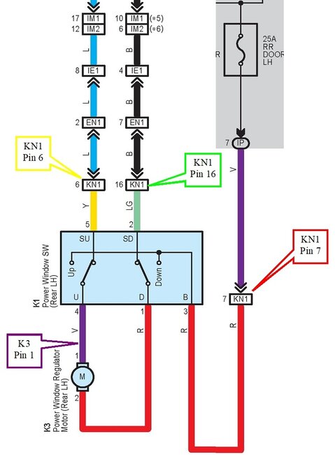
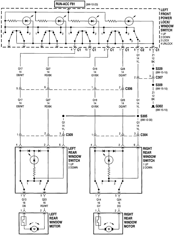
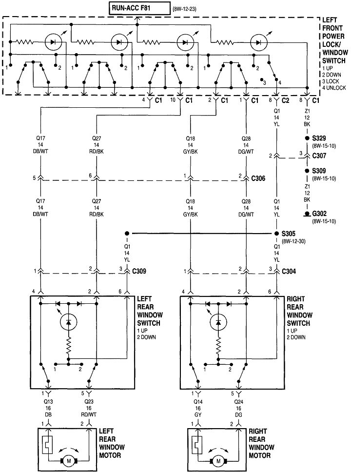
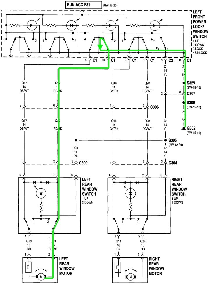
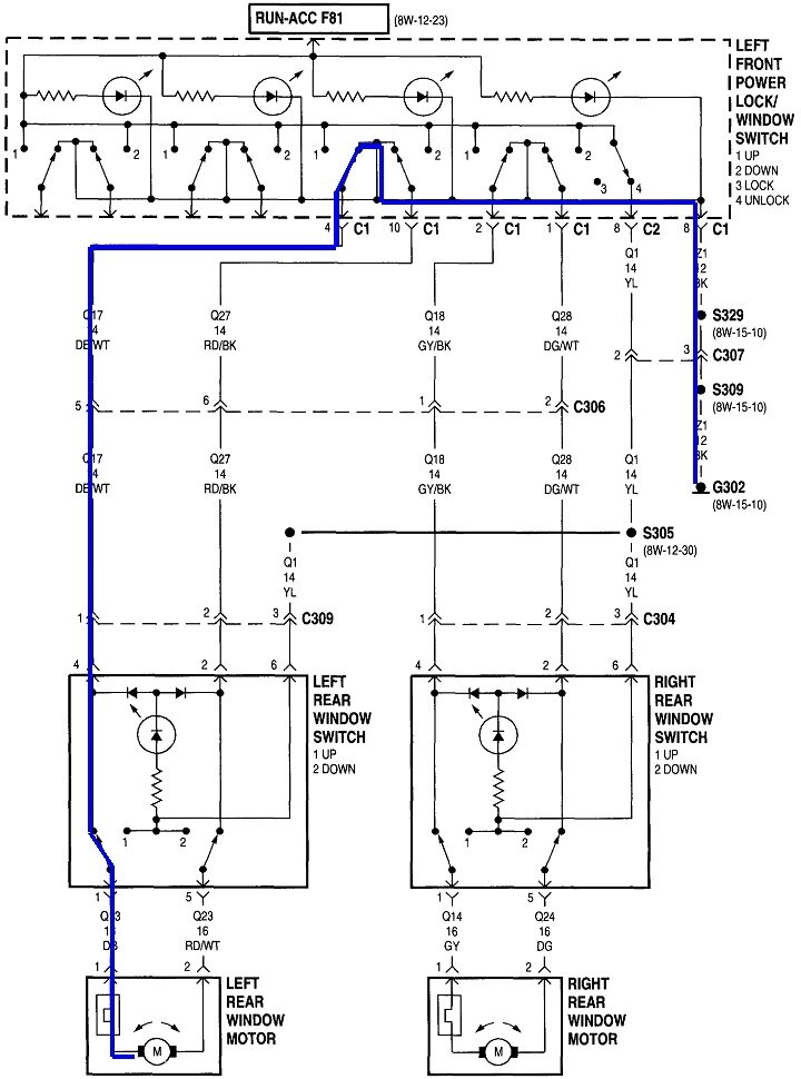
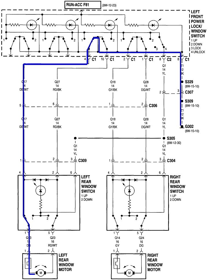
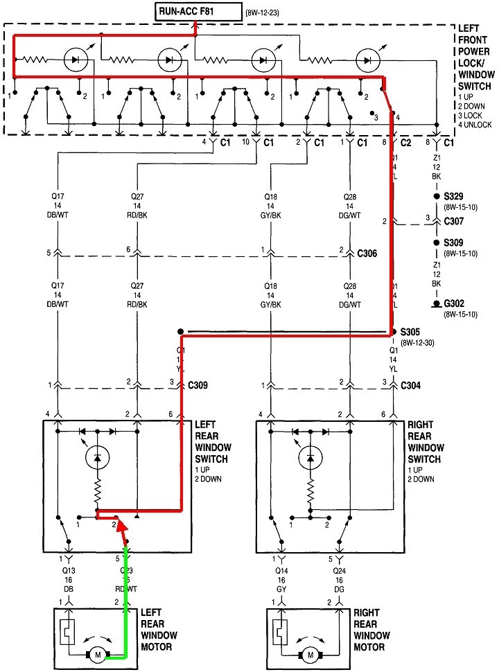
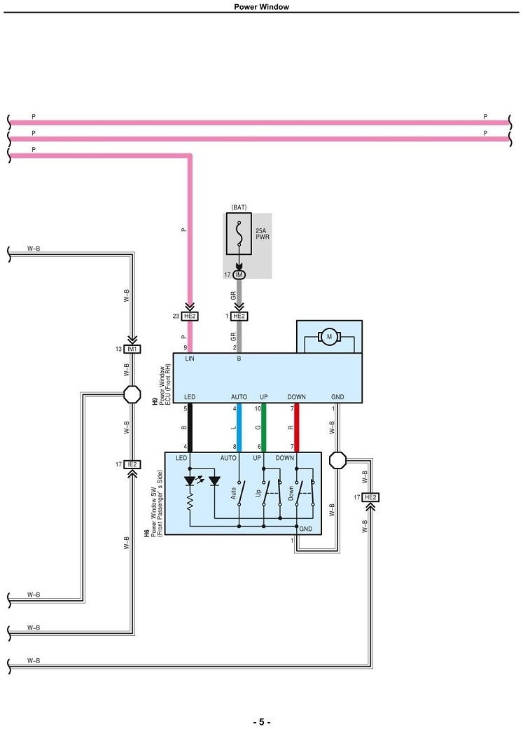
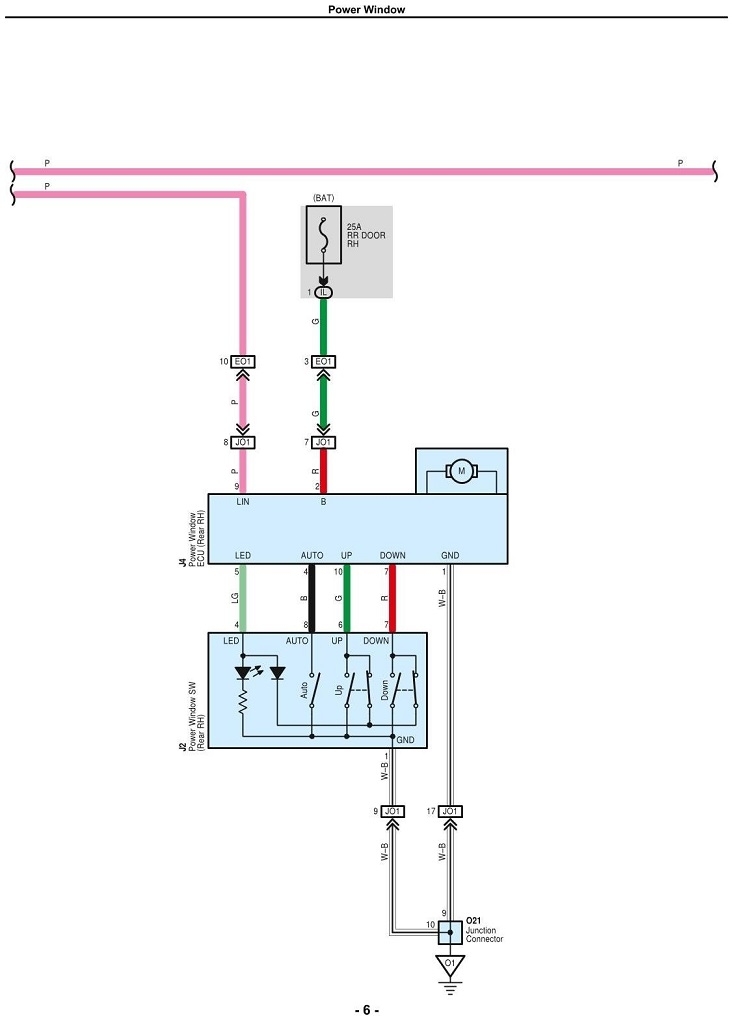
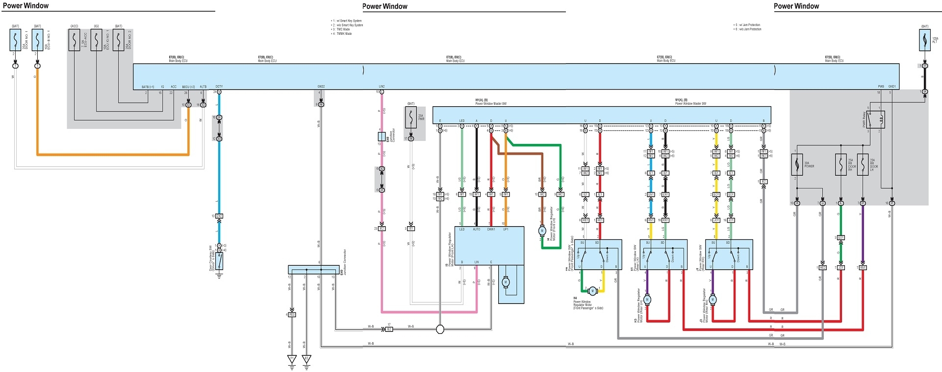
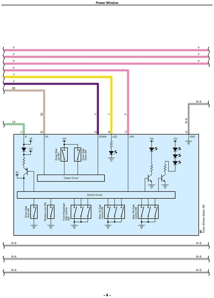
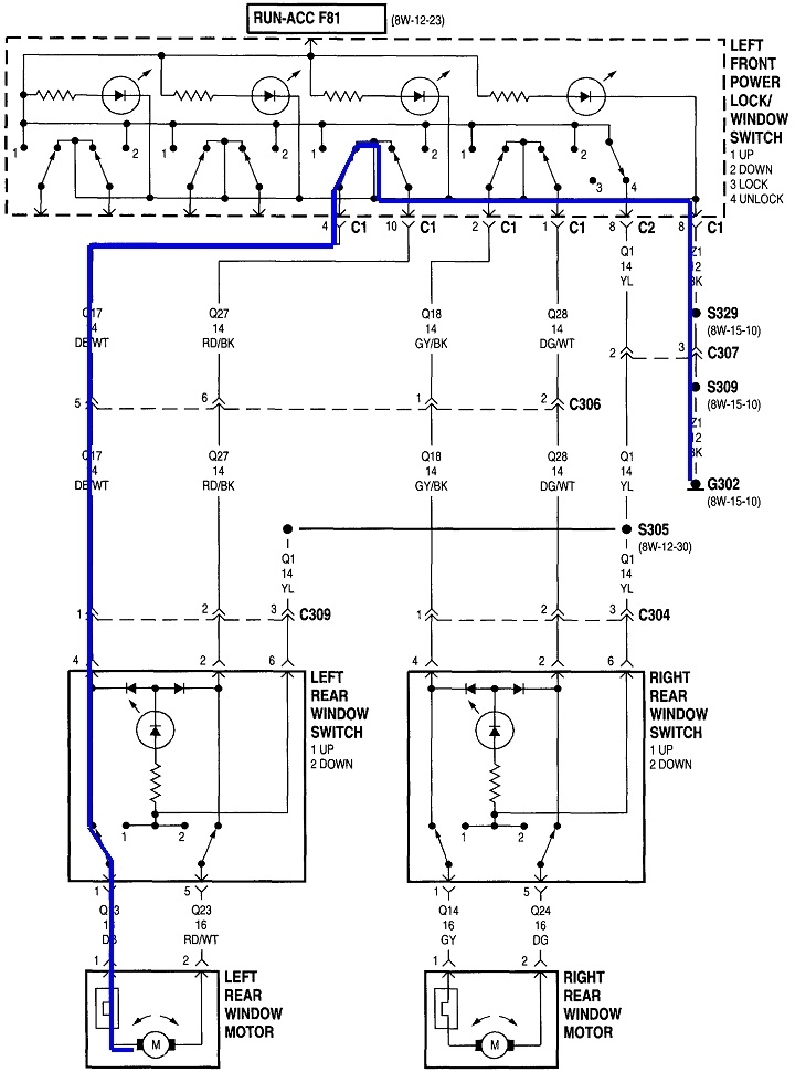
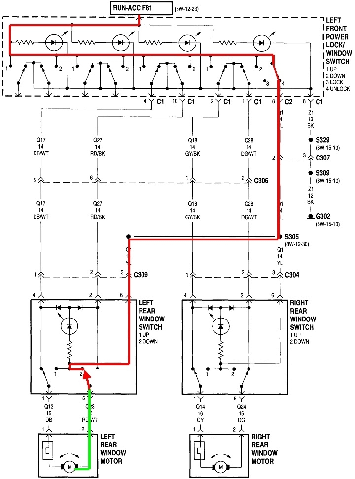
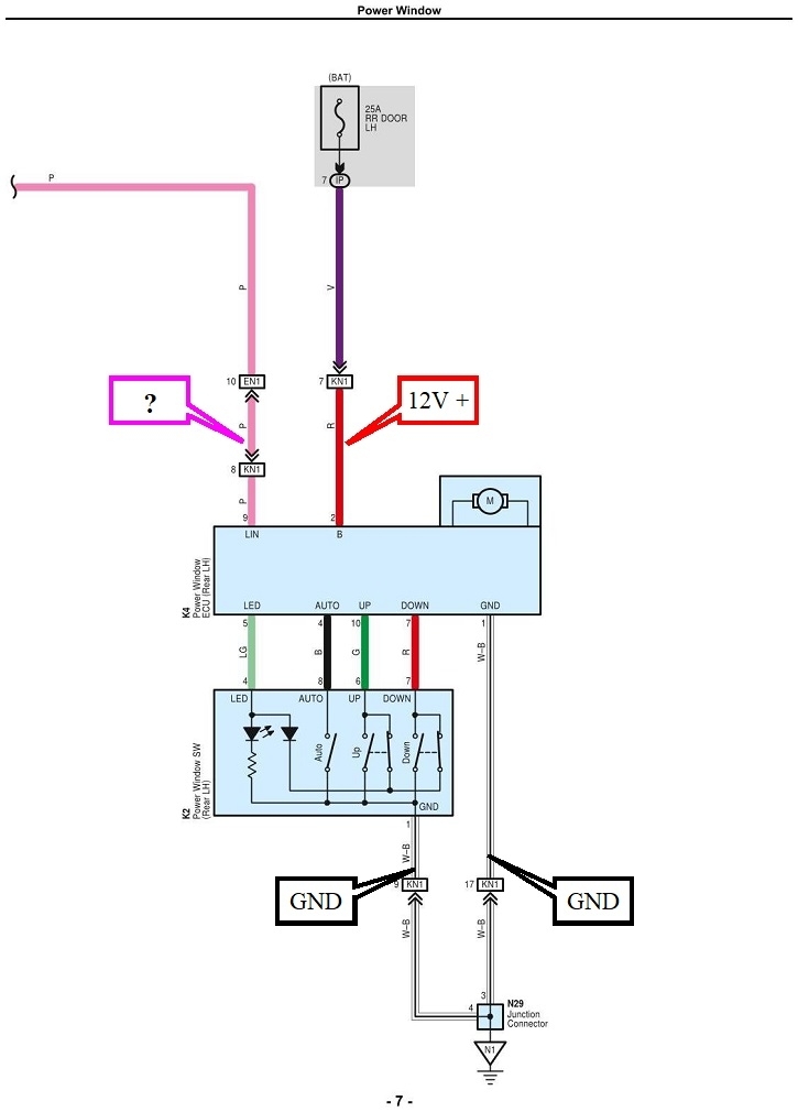
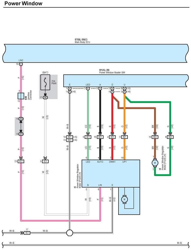
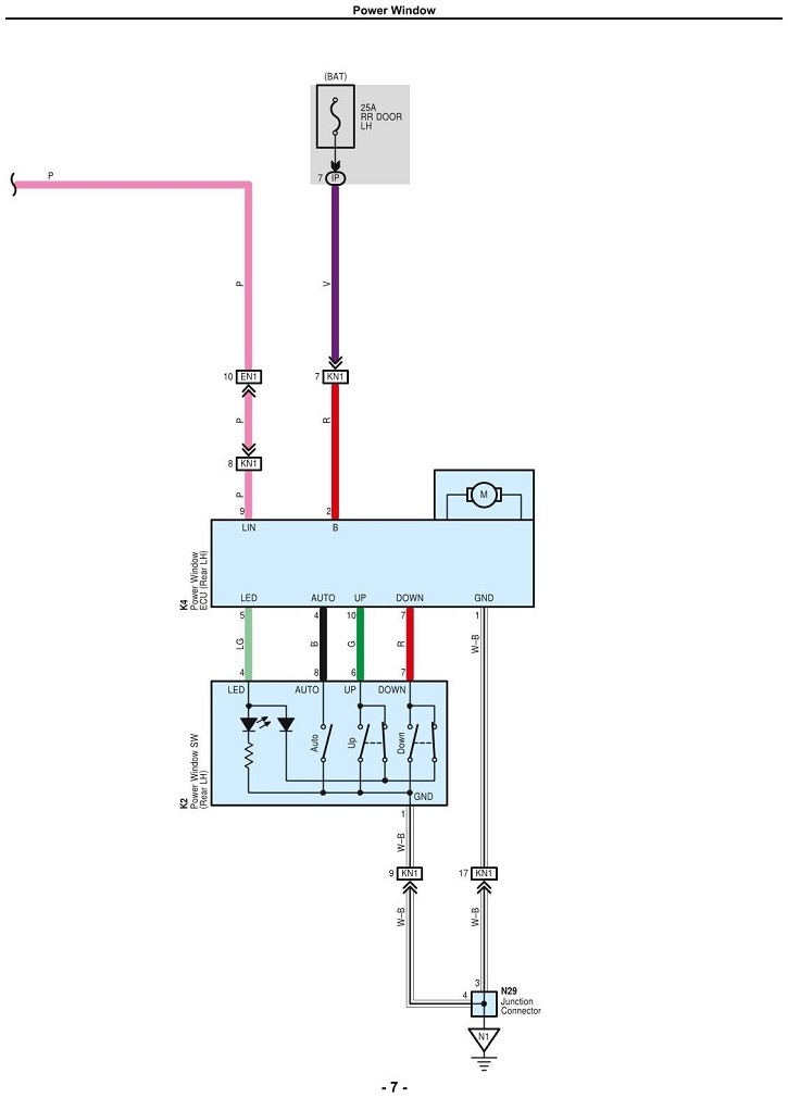
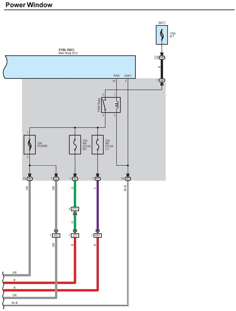
My next-door neighbor, she's a senior and hit a concrete pylon with her left rear door of her car listed above and put a huge scrape and dent in it. Body shop was going to charge her $3,000.00 to fix it, but I was able to find the same door, same paint color on eBay for $500.00. It was off of a 2007 Camry, but the 2007-2011 Camry doors are all the same, so the fit was good. What wasn't the same was the electrical harness to the electric window and door lock. Anyway, since the body of the door is the same, I could just simply pull the window, motor, and switch from the damaged door and put it on the replacement door. The only issue is that I can't take the motor or switch out because the window is in the up position and since the harness is different, I can't get the window down. Actually, both windows on both doors are in the up position and I need to get them down in order to remove the window, motor, and lock switch. You guys have any ideas as to how I can get these windows down since the original door is already off and the replacement door already on? Thank you for any hints
To start off a friend turned me onto your site. He said you guys were really good at helping with all kinds of issues.
In any event I'm not sure if you can help me with this but I'm going to ask.
My next-door neighbor, she's a senior and hit a concrete pylon with her left rear door of her car listed above and put a huge scrape and dent in it. Body shop was going to charge her $3,000.00 to fix it, but I was able to find the same door, same paint color on eBay for $500.00. It was off of a 2007 Camry, but the 2007-2011 Camry doors are all the same, so the fit was good. What wasn't the same was the electrical harness to the electric window and door lock. Anyway, since the body of the door is the same, I could just simply pull the window, motor, and switch from the damaged door and put it on the replacement door. The only issue is that I can't take the motor or switch out because the window is in the up position and since the harness is different, I can't get the window down. Actually, both windows on both doors are in the up position and I need to get them down in order to remove the window, motor, and lock switch. You guys have any ideas as to how I can get these windows down since the original door is already off and the replacement door already on? Thank you for any hints
Apr 23, 2023 at 6:09 PM


































