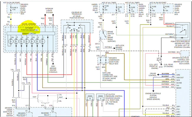
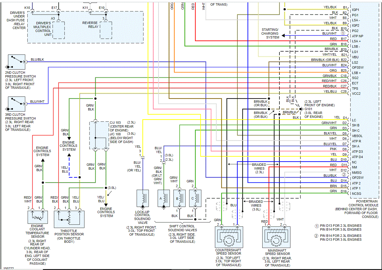
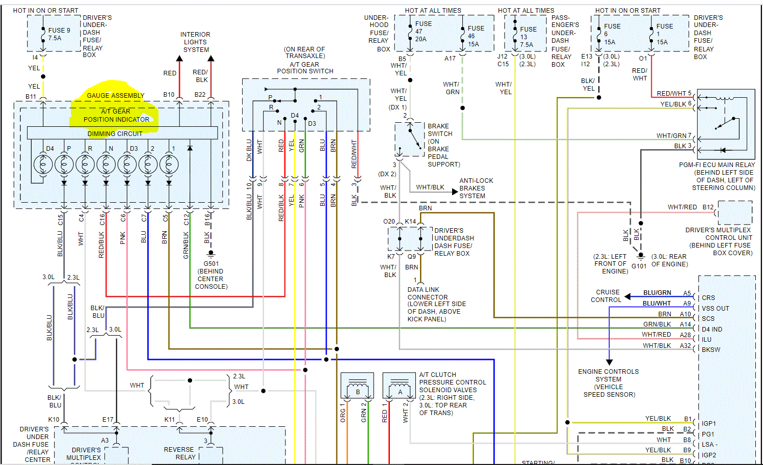
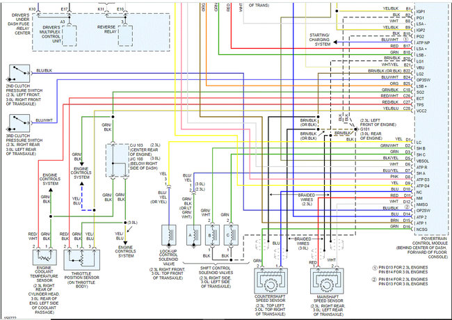
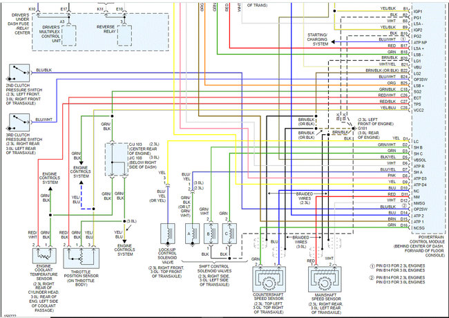
I had to add the extra components to the harness and repin a few of the connectors adding pins at the PCM as well. However it seems I'm still experiencing a few issues. All the gears engage and are indicated but the D5 light is flashing even though the connector is fine the pins are fine and the solenoid is working.
Apr 22, 2021 at 6:46 PM

