Wiring harness diagram needed

1999 FORD MUSTANG
200,000 MILES • 3.8L • V6 • 2WD • AUTOMATIC
Avatar
THAT.ONE.STANG
  • MEMBER
  • 2 POSTS
I am looking for wiring diagram of 15 pin connector going to back of engine towards transmission.
Apr 24, 2022 at 3:12 PM
Advertisement
Avatar
JACOBANDNICKOLAS
  • CERTIFIED EXPERT
  • 110,175 POSTS
Hi,

By chance, do you know what component or circuit this connector is related to? I tried really hard to find any 15-pin connectors, and the only thing I found was related to the airbag.

Let me know what circuit or circuits you are working with. It will help me find relevant schematics.

Take care and I'll watch for your reply.

Joe
Apr 24, 2022 at 8:01 PM
Avatar
THAT.ONE.STANG
  • MEMBER
  • 2 POSTS
It is part of engine controls so transmission wiring harness.
Apr 24, 2022 at 8:17 PM
Advertisement
Avatar
JACOBANDNICKOLAS
  • CERTIFIED EXPERT
  • 110,175 POSTS
Hi,

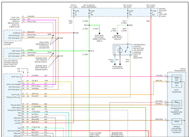
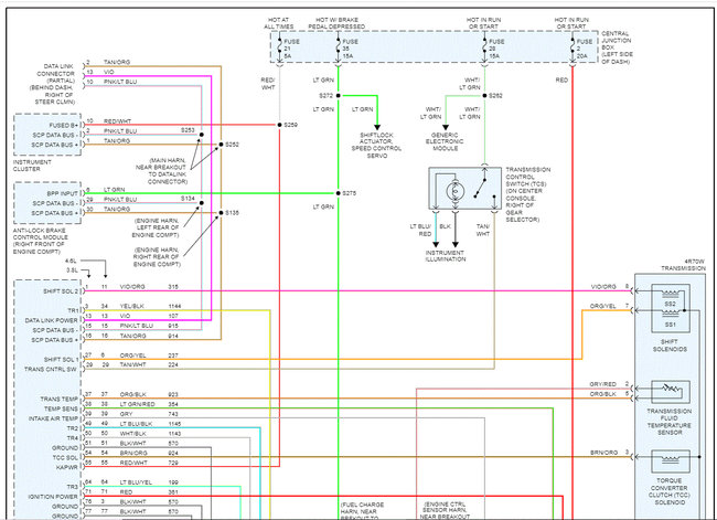
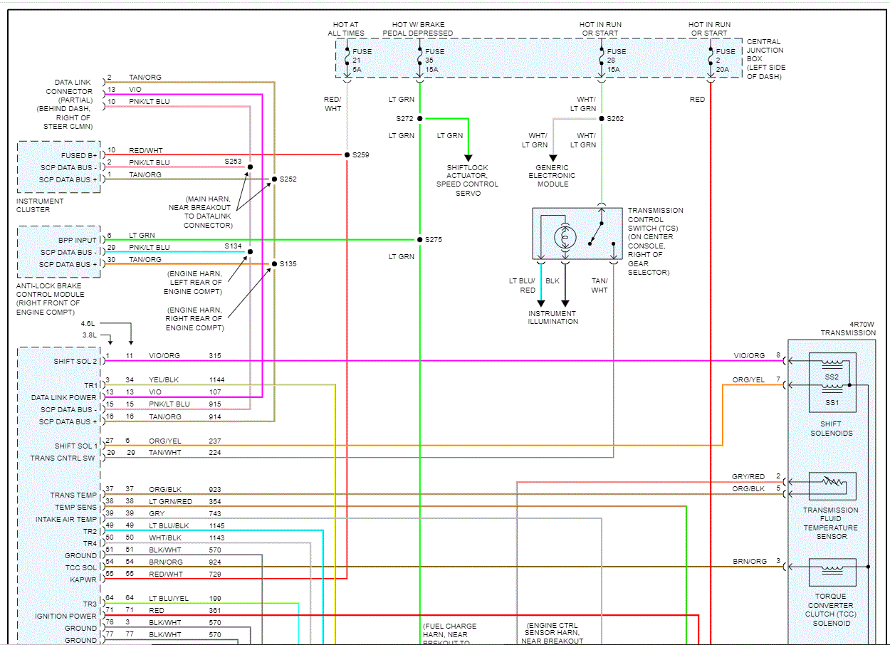
I attached the wiring schematic related to the transmission circuits. Take a look through them and let me know if that is what you needed. If it is something different, let me know and I'll try to get what you need.

Take care,

Joe

See pics below. Note: The schematic was one page. I had to cut it in two, so it was readable for you. I did overlap the two so you can follow from one to the next.
Apr 24, 2022 at 8:55 PM