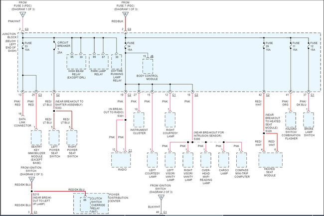
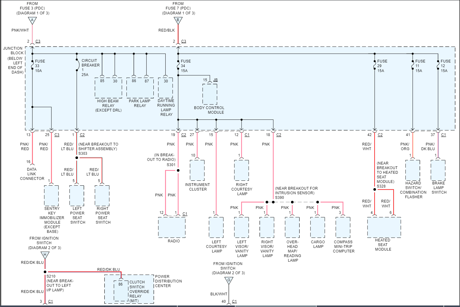
On the vehicle listed above I am in need of where the wires that go from the fuse box to the alternator to battery run to, I am needing to change the harness completely out. I have it all unhooked from the top of the engine.
May 25, 2023 at 4:00 PM






