ABS control module wiring harness cannot seem to get it unhooked

2004 DODGE RAM
119,000 MILES • 5.7L • V8 • 4WD • AUTOMATIC
Avatar
STAN PLOTNER
  • MEMBER
  • 3 POSTS
How do you unhook the wiring harness from ABS control module on my truck? It has some kind of lock on it, cannot seem to get it unhooked.
May 22, 2017 at 9:44 AM
Advertisement
Avatar
STAN PLOTNER
  • MEMBER
  • 3 POSTS
No it would not push down and I could see no lever, pulled tab completely out still nothing, Here is some pictures. 2004 Hemi Magnum 5.7.
May 22, 2017 at 12:47 PM
Avatar
STAN PLOTNER
  • MEMBER
  • 3 POSTS
Thanks for the help, took red tap completely out, Nothing that I could see or pry without breaking something, Was told there might be water in there because the ABS lights are on and the speedometer is jumping up and down while sitting still, I already replaced the speed sensor on the rear end, giving up.
May 22, 2017 at 3:34 PM
Advertisement
Avatar
DANNY L
  • CERTIFIED EXPERT
  • 5,648 POSTS
Hello, I'm Danny.

That doesn't necessarily mean it's a wiring issue from water, but there will be an ABS code stored in your trucks computer. Here is a tutorial showing how to CAN scan codes for any codes stored in your trucks computer:

https://www.2carpros.com/articles/can-scan-controller-area-network-easy

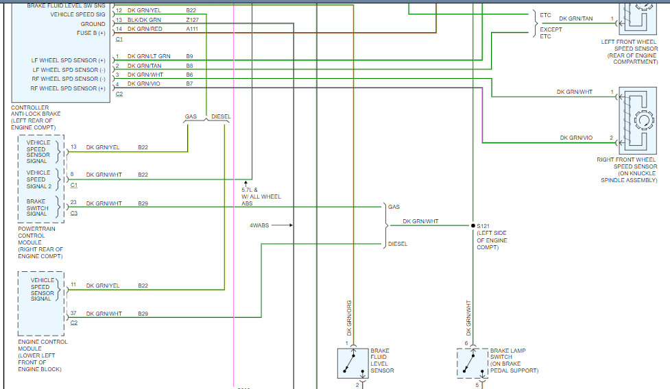
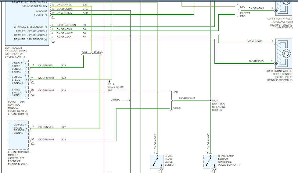
I've also attached below an ABS wiring diagram for your truck. I've cut the picture into a few pieces so you can view larger. Hope this helps and thanks for using 2CarPros.
Feb 3, 2021 at 5:54 PM
Avatar
ROBERT LUTZ2
  • MEMBER
  • 4 POSTS
2007 dodge ram 1500 4wd 5.7 litter have trouble finding the right wire for the right side abs sensor mine was rather ripped out or did it not come with one thank you for your time
Mar 24, 2023 at 11:13 AM
Avatar
CARADIODOC
  • CERTIFIED EXPERT
  • 34,306 POSTS
I see you started a new question. I posted the diagrams and connector locations for you there.
Mar 24, 2023 at 3:40 PM