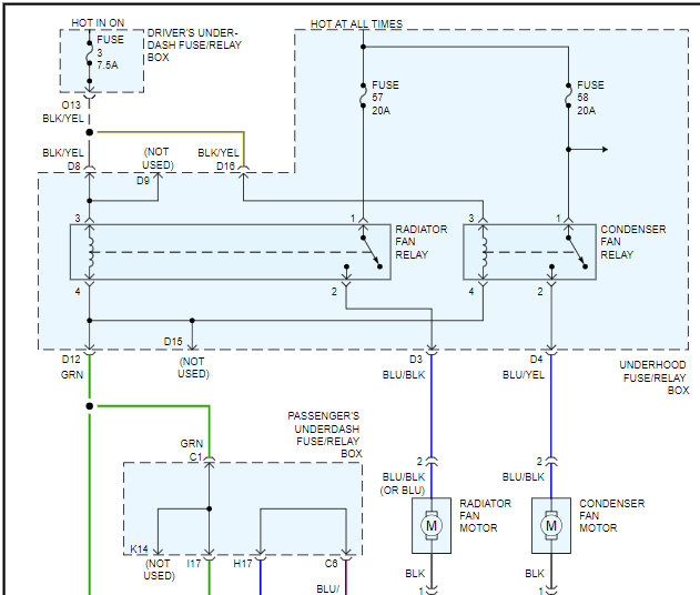
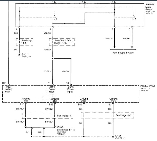
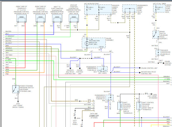
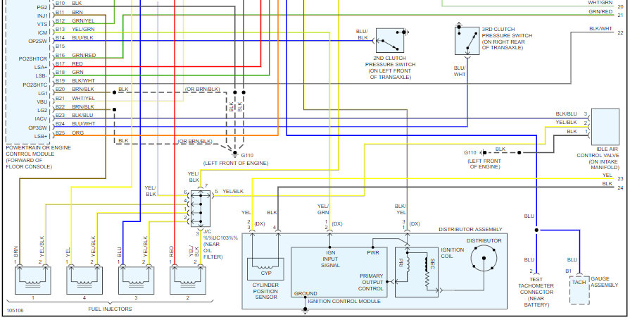
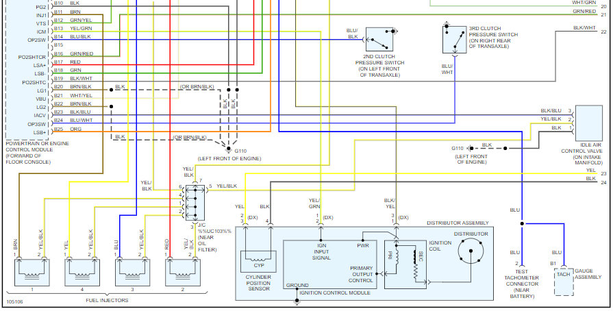
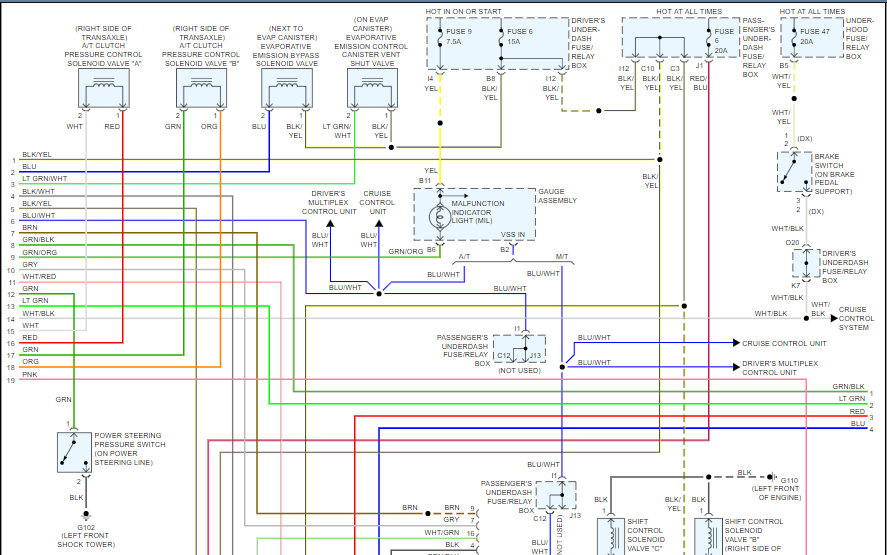
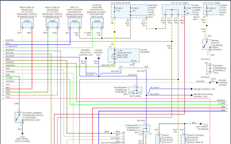
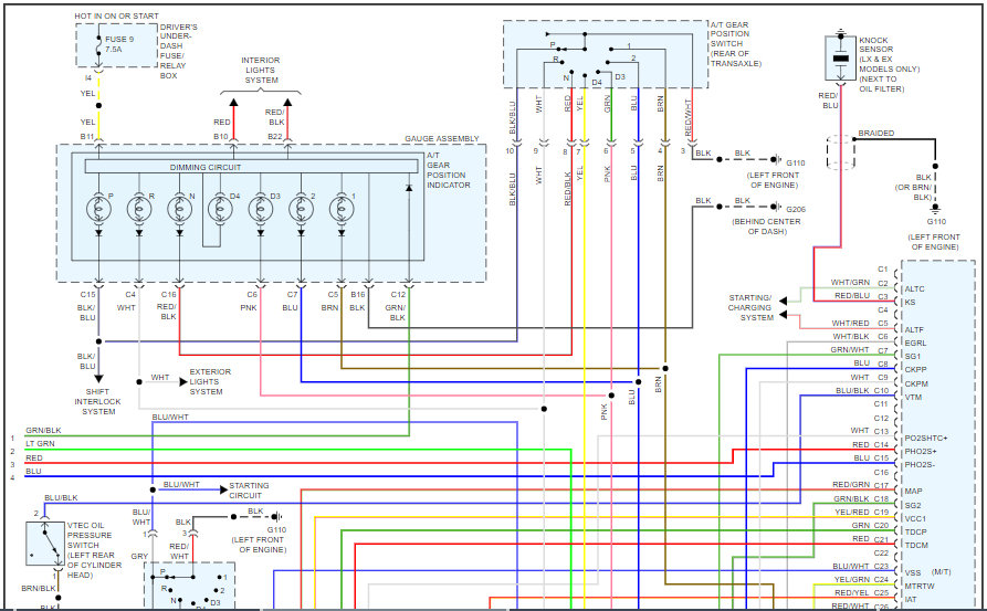
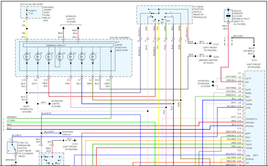
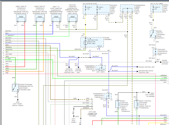
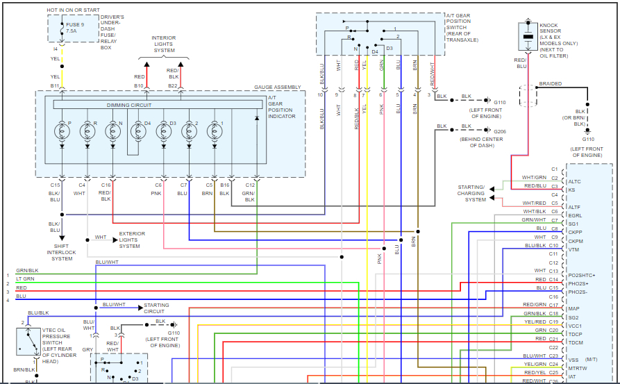
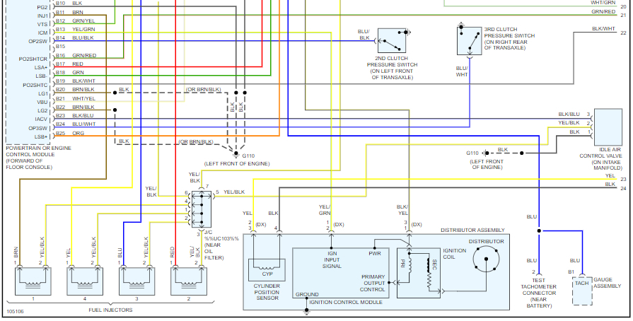
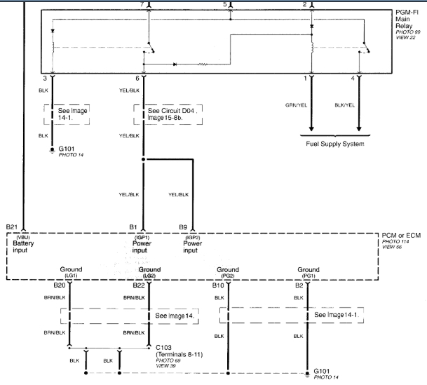
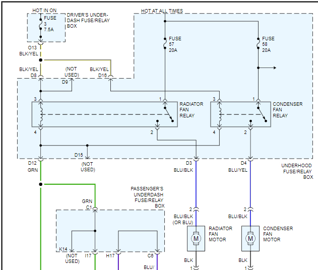
Hello guys. When ignition key is turned to "run" I am getting engine cooling fans on [high] and fuel pump not priming. Can I get the Engine Cooling Fans and Engine Management wiring diagrams please? Thank you.
Apr 20, 2020 at 2:12 PM


















