☰
Login
Join
×
Home
Answered Questions
Repair Topics
Repair & Service Guides
Popular Questions
Warning Lights
Trouble Codes
How It Works
Testing / Diagnostics
Symptoms
Videos
Login
Become a Member
Home
Mercedes Benz
R350
Body
Windshield
Washer
Wiring
Wiring diagrams for headlight and wiper/washer systems needed?
2012 MERCEDES BENZ R350
306,000 MILES • 3.0L • V6 • 4WD • AUTOMATIC
SPEEDRACER33
MEMBER
4 POSTS
FOLLOW
I need wiring diagrams for 'headlight system' and 'wiper/washer system' from Front SAM.
Apr 9, 2024 at 4:20 PM
Advertisement
AL514
CERTIFIED EXPERT
5,464 POSTS
Hello, we will post what we have but MB has really limited-service info as for wiring diagrams for this year for some reason. Give me a minute.
Apr 10, 2024 at 8:41 AM
AL514
CERTIFIED EXPERT
5,464 POSTS
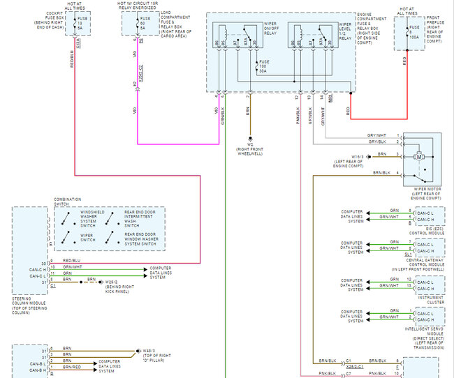
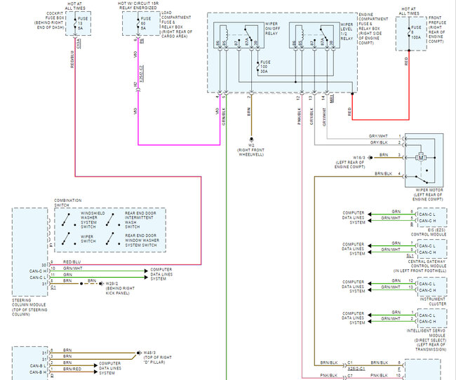
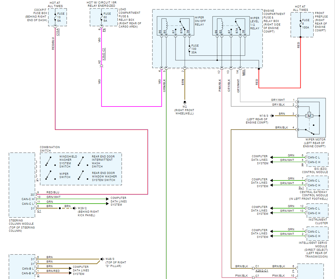
Here's the Wiper/Washer to start with Top and Bottom, I'll look for the OEM after posting the aftermarket ones so you can get started.
Images (Click to enlarge)
Apr 10, 2024 at 8:46 AM
Advertisement
AL514
CERTIFIED EXPERT
5,464 POSTS
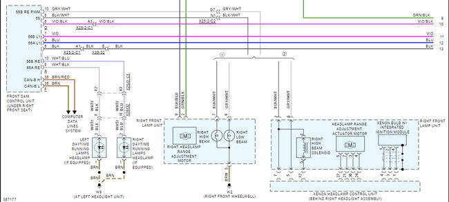
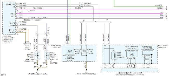
Here's Headlamps top and bottom page 1 (diagrams 1, 2 ) and page 2 (diagrams 3, 4).
Images (Click to enlarge)
Apr 10, 2024 at 8:53 AM