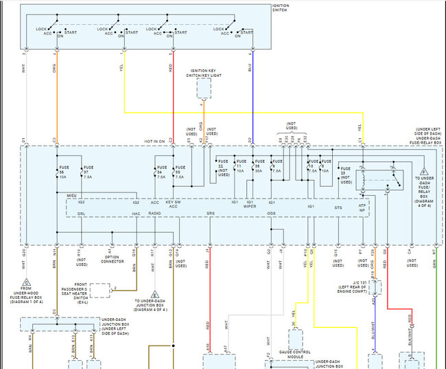
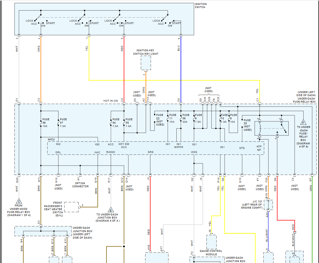
Ho guys. I am helping a friend fix a few electrical problems she is having with her CRV and was wanting to get a full set of wiring diagrams and fuse box diagrams with callous if I could please. Thank you.
Aug 20, 2025 at 5:10 PM



