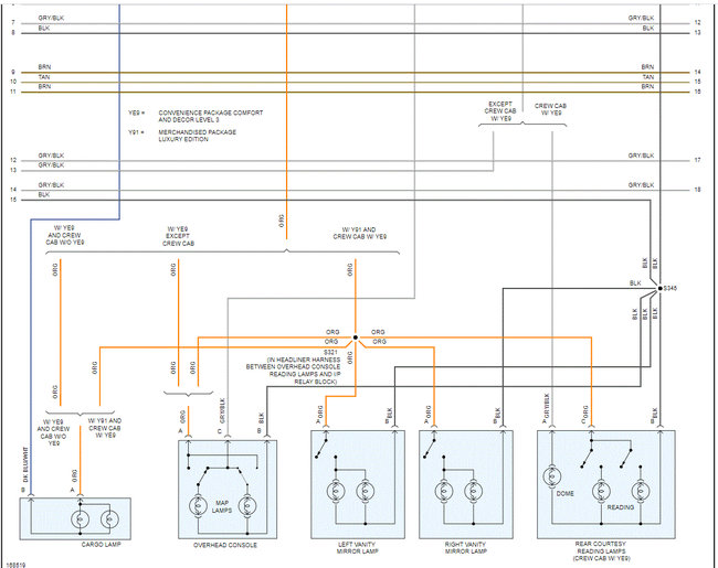
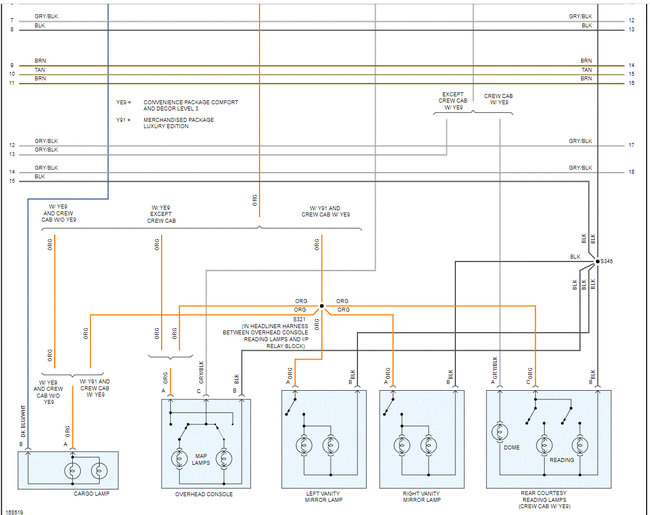
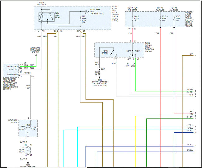
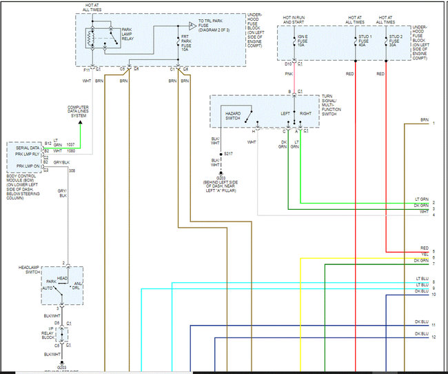
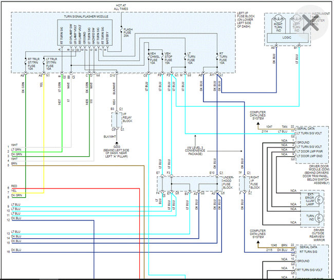
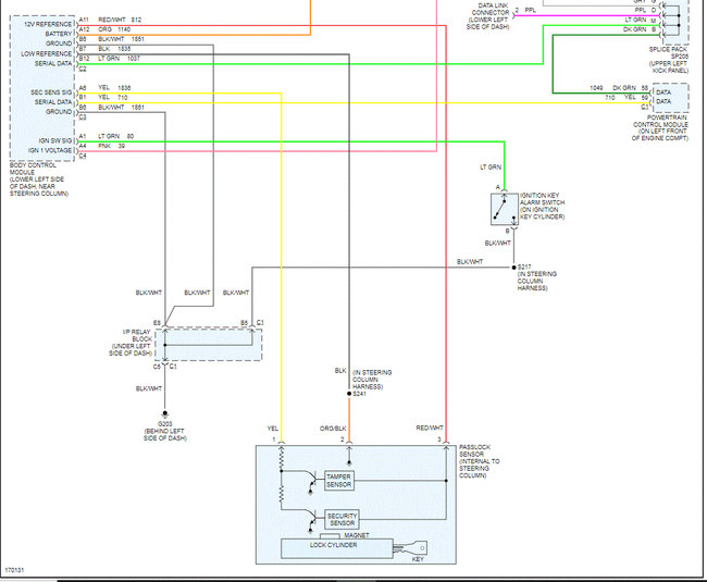
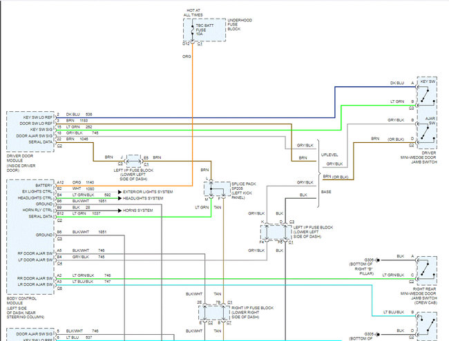
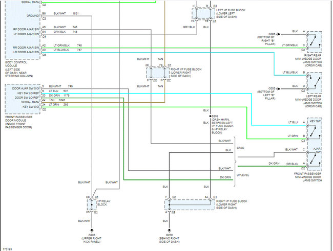
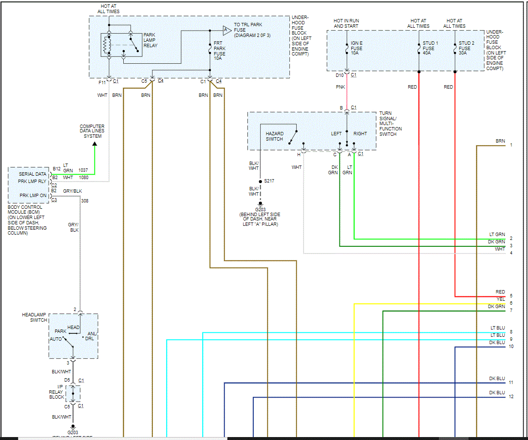
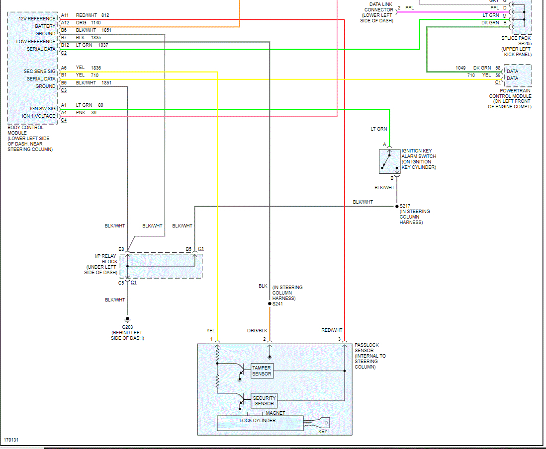
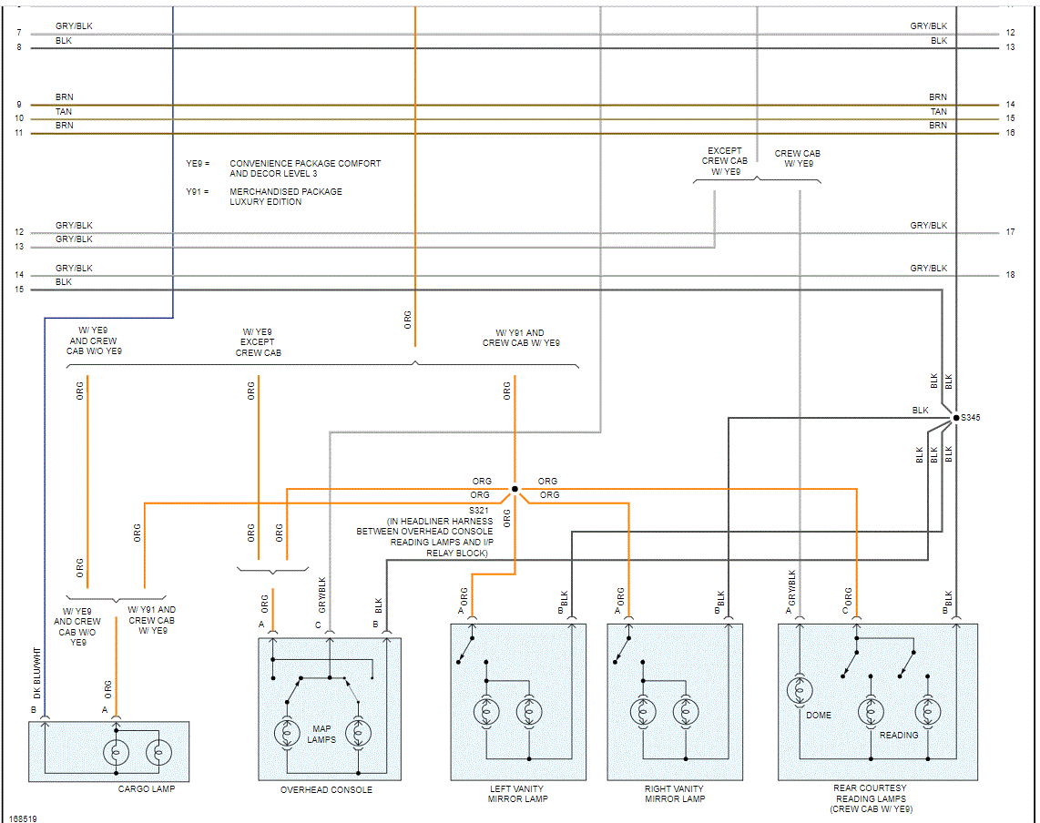
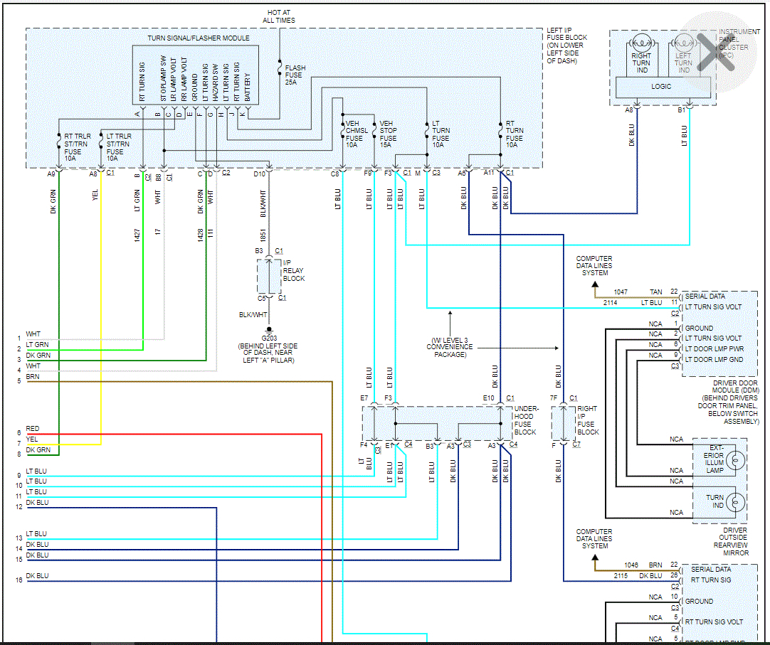
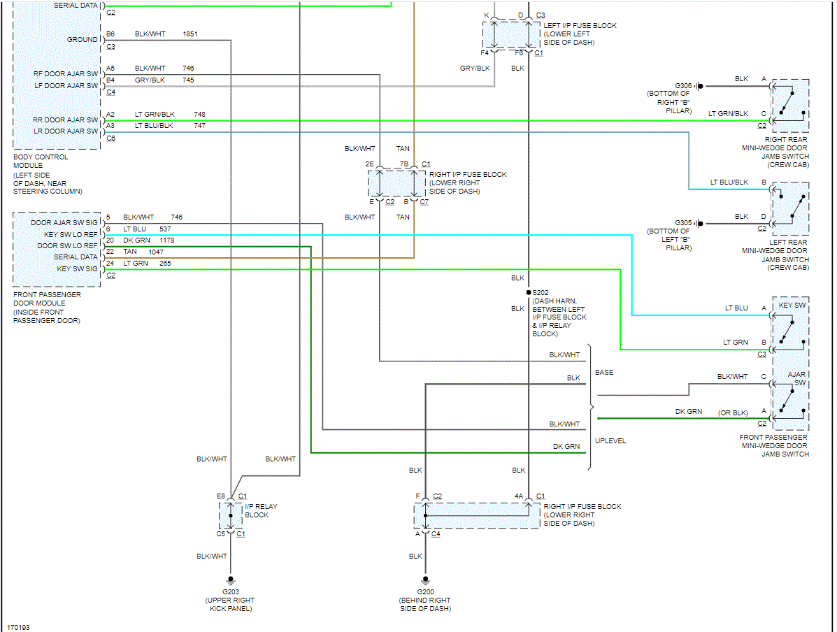
hello, I would like to have the wiring diagram of the courtesy lamp of the roof and the dome light for the truck listed above and the wiring diagram of the remote control for the door lock and the alarm system. and also the wiring diagram of the roof light. Truck is an HD.
Sep 17, 2021 at 6:09 AM















