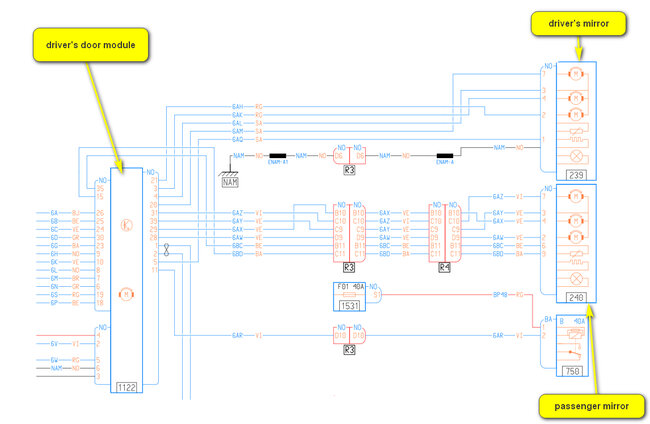
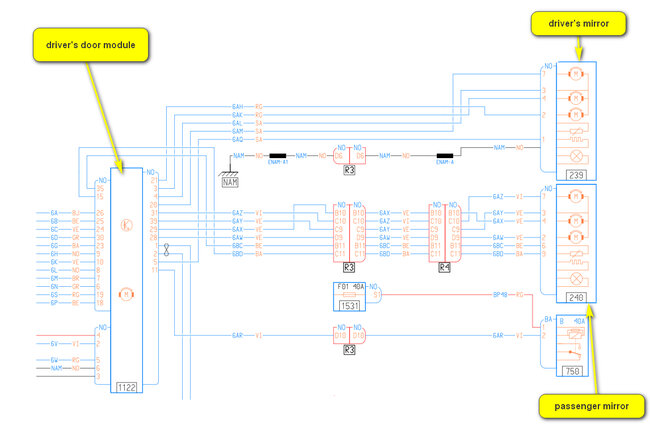
Hi, i a have problem with the wing mirror of my car. That is when car park wing mirror doesn't close, so i need to wiring diagram of wing mirror. Thanks to anybody who can help me.
Aug 28, 2023 at 10:07 AM
