Hi Ken,
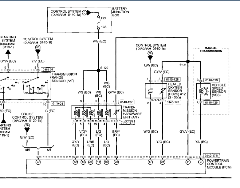
Need your help on wiring diagram from O2 sensor bank 1 to PCM.
Thanks
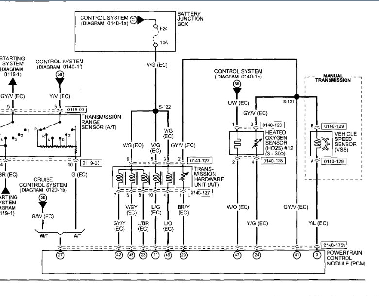
Need your help on wiring diagram from O2 sensor bank 1 to PCM.
Thanks
Aug 13, 2019 at 11:05 PM


