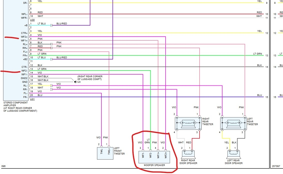
I’m trying to install aftermarket subs , and I need the diagram to tap into my factory mark levinson amp to get my aftermarket subs to work with the radio. Since the factory radio doesn’t have rca cables , I have to do this instead. I have a 2007 Lexus GS 350 awd. Thank you!
Mar 14, 2026 at 8:32 PM
