Wiring diagram for driver window master controller needed?

2007 GMC SIERRA
118,000 MILES • 4.8L • V8 • 2WD • AUTOMATIC
Avatar
JIMMYHGM
  • MEMBER
  • 3 POSTS
I have the truck listed above Classic Crew Cab the last model of the GMT800) and have no power to my driver master window controller. Is there a diagram that I may use to troubleshoot?

Thanks in advance.
Jan 28, 2025 at 2:27 PM
Advertisement
Avatar
STRAILER
  • CERTIFIED EXPERT
  • 53,854 POSTS
There is a circuit breaker style fuse that runs the system. I would use a test light to see if you have power on both sides.

https://www.2carpros.com/articles/how-to-use-a-test-light-circuit-tester

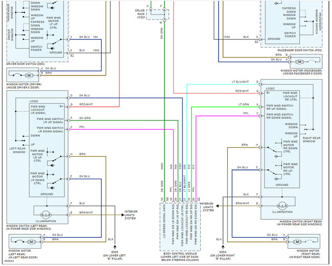
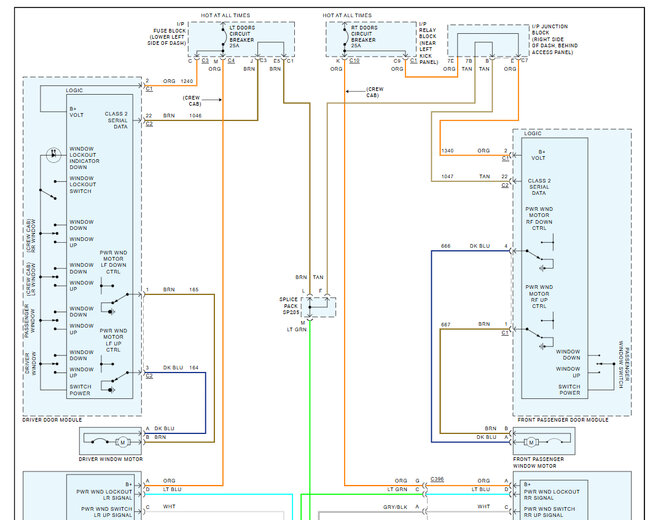
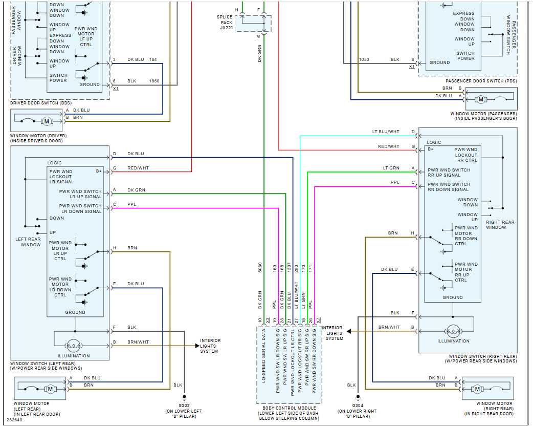
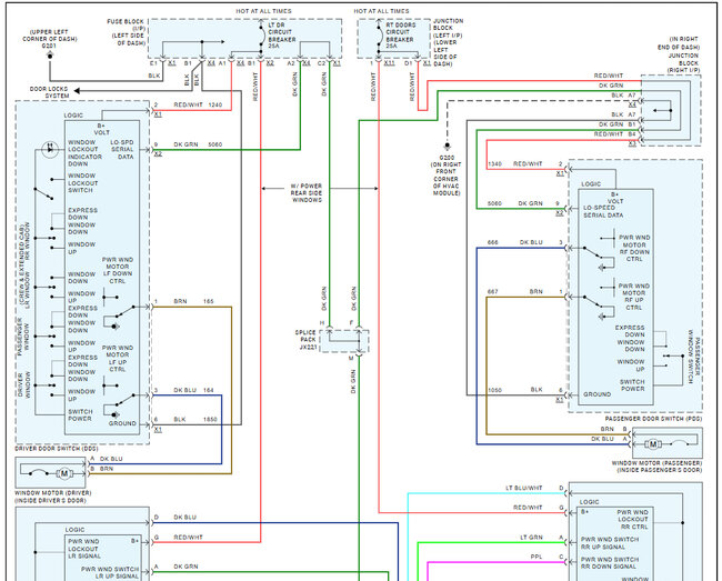
Here is the location of the breaker and the window wiring diagrams so you can see how the system works. Check out the images (below). Let us know how it goes.
Jan 29, 2025 at 10:50 AM
Avatar
JIMMYHGM
  • MEMBER
  • 3 POSTS
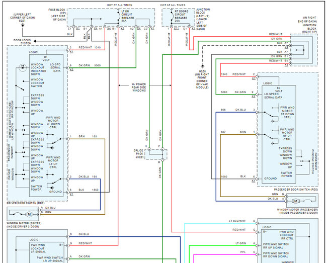
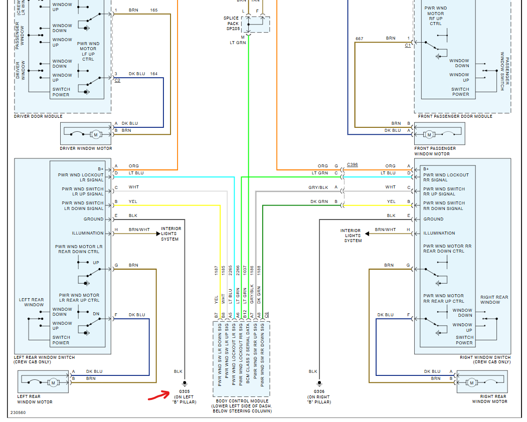
Thanks for the suggestion of a circuit light tester. It's a helpful tool. I verified that I do have power to the door with the tester. In addition to the main power feed to the door, I also verified that the DDM had power. I backed out the boot from the body and door and looked at the first inch of wire each side. I wasn't able to see any worn, damaged or broken wires. I also verified the 25A CB fuse was good. I've included a pic of my fuses as well as an image of the diagram. In the fuse block diagram image, a slash indicates that a fuse is unbroken but no active circuit. The X on the diagram indicates that relay does not exist in my fuse block. My plan is to work on it this weekend and remove the large wrap and chase the wires. The diagrams / schematics provided don't seem to fit with the 2007 GMC Sierra Classic. Maybe there are different diagrams / schematics for the 2006 GMC Sierra 4.8 2WD. If so, I'd be very grateful if they were posted. Thanks for the support.
Feb 6, 2025 at 11:44 AM
Advertisement
Avatar
STRAILER
  • CERTIFIED EXPERT
  • 53,854 POSTS
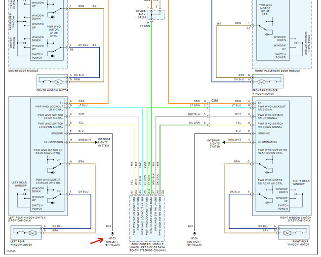
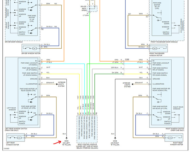
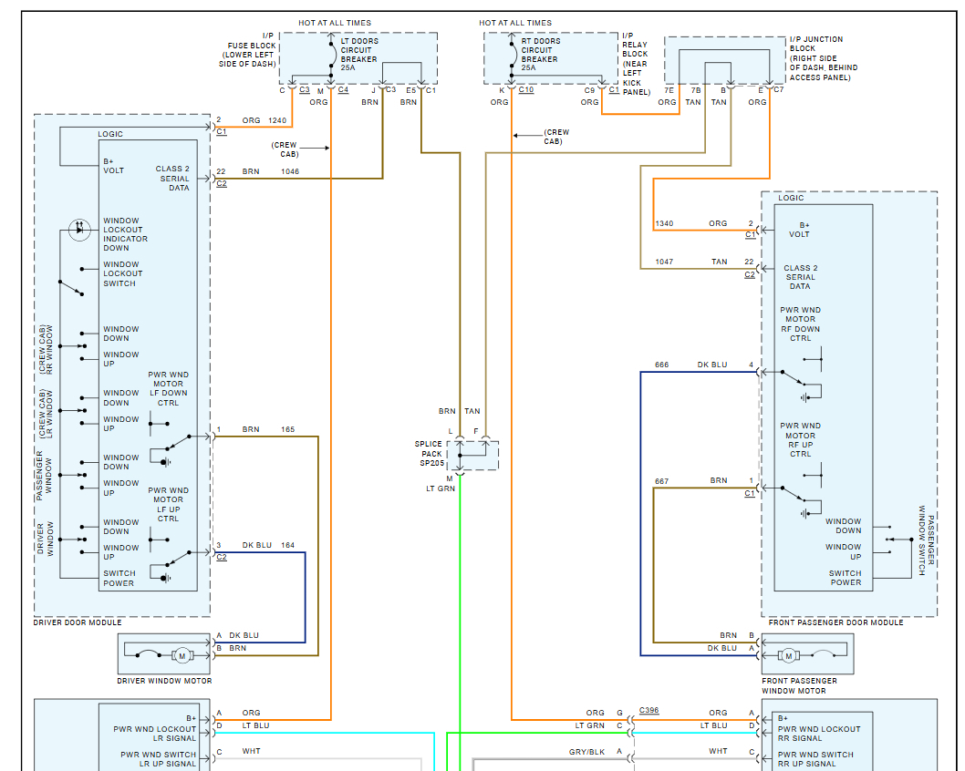
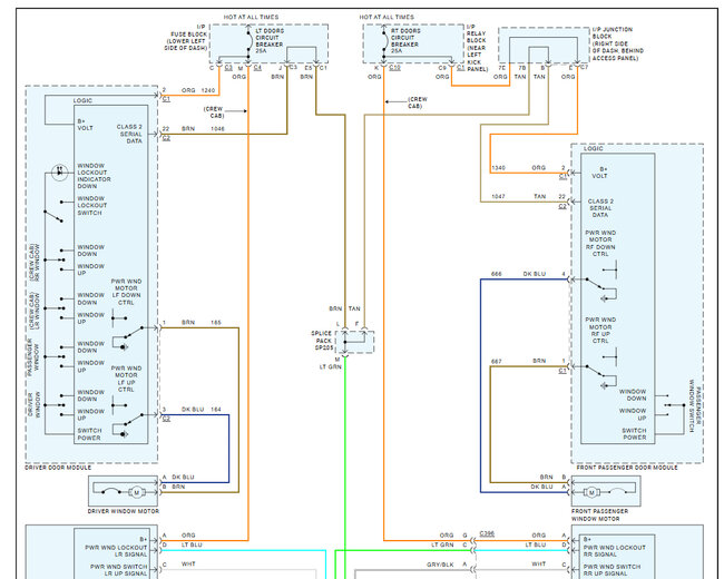
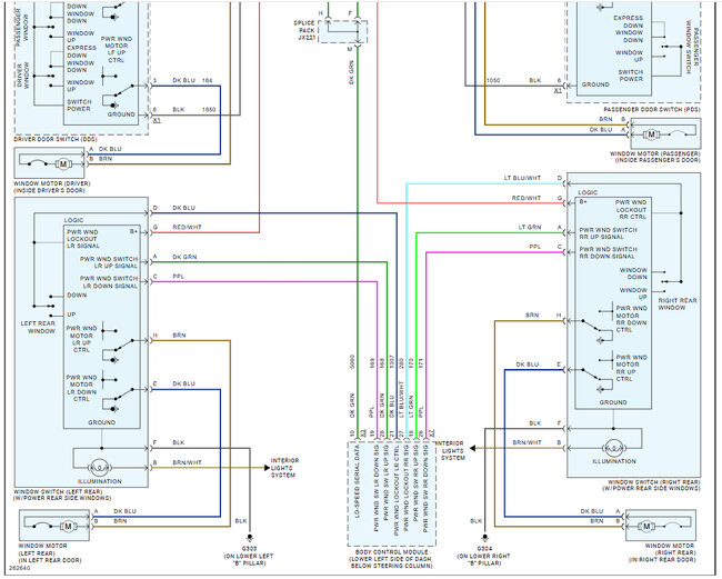
Here is the wiring diagrams for the 2006 which is a little different. See if there is power at the ORN wire at the switch and let me know, I would check the grounds also. Check out the images (below). Let us know how it goes

Feb 7, 2025 at 5:48 PM
Avatar
JIMMYHGM
  • MEMBER
  • 3 POSTS
Thanks for the responses. I found the issue where the ground and speaker wire had become completely severed in the boot between the body and door. Three other wires were exposed as well. I soldered and sleeved with heat shrink. All works great now. Thanks!
Feb 25, 2025 at 10:55 AM
Avatar
STRAILER
  • CERTIFIED EXPERT
  • 53,854 POSTS
You are welcome, please use 2CarPros anytime we are here to help. Can you please leave us a rating?

https://g.page/r/CZdEnyCkGgm6EB0/review

and

https://www.sitejabber.com/reviews/2carpros.com

Thank you!
Feb 26, 2025 at 8:31 AM