Wiring diagram for car stereo

2001 VOLKSWAGEN JETTA
110,219 MILES • 1.8L • 4 CYL • TURBO • 2WD • AUTOMATIC
Avatar
MOUSE357
  • MEMBER
  • 58 POSTS
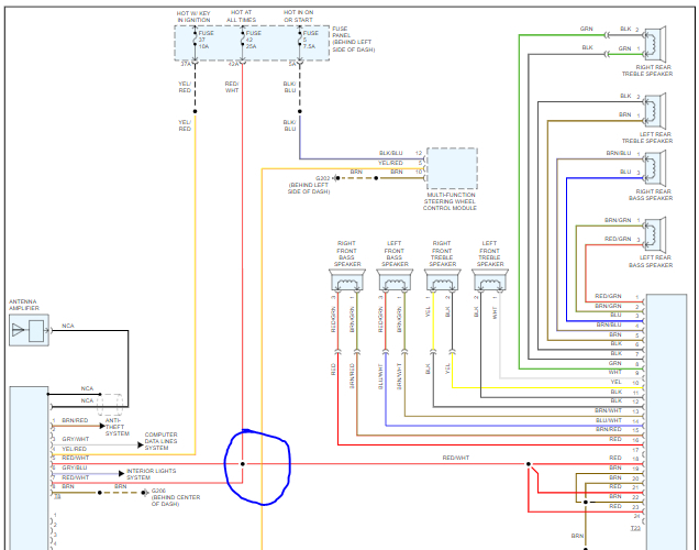
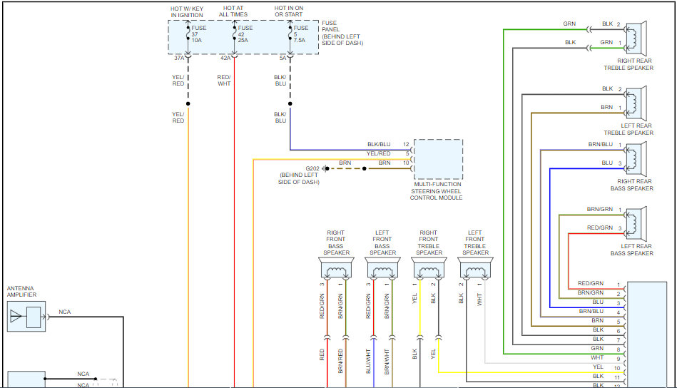
Sorry to be a bother sir, but you definitely seem to know what you're talking about.. If I could possibly ask another question? I am trying to wire my stereo back up but I'm kind stuck. I have 2 wires the same color and size. They both are red with white stripes PIN number 5-7?? One of them is supposed to be for the ignition and the other I'm not sure. Could you possibly help me out to fig out how to wire them back correctly so I don't short anything out or blow anything up? lol.. Thanks in advance for your time...
May 7, 2021 at 8:31 AM
Advertisement
Avatar
DANNY L
  • CERTIFIED EXPERT
  • 5,648 POSTS
Hello, I'm Danny.

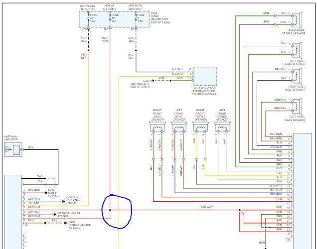
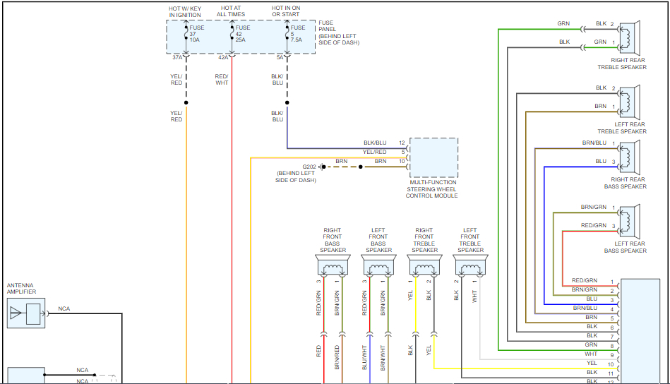
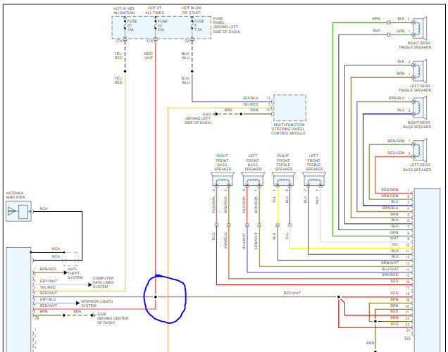
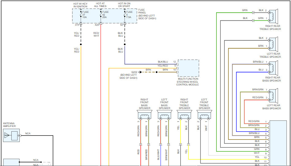
Here are the radio wiring diagrams you requested. I've attached the pictures below for both audio systems available on your VW- (Monsoon and Non-Monsoon). I've cut the pictures into 3 pieces so you can view larger. In the last 2 pictures I've circled the pin 5 and 7 circuit you mentioned in blue. Hope this helps and thanks for using 2CarPros.
May 7, 2021 at 9:19 PM