Wiring diagram for the engine wiring harness needed?

1990 NISSAN HARDBODY
200,000 MILES • 2.4L • 4 CYL • 4WD • MANUAL
Avatar
BENT FENDER
  • MEMBER
  • 1 POST
Had a fuel fire burnt engine wiring harness. found a partial used harness. I am needing a wiring diagram that shows wire color and location to splice in used wire loom.
Aug 10, 2023 at 7:18 PM
Advertisement
Avatar
STRAILER
  • CERTIFIED EXPERT
  • 53,854 POSTS
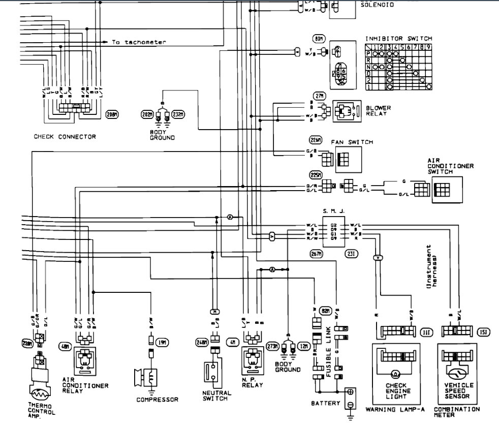
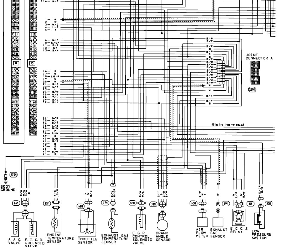
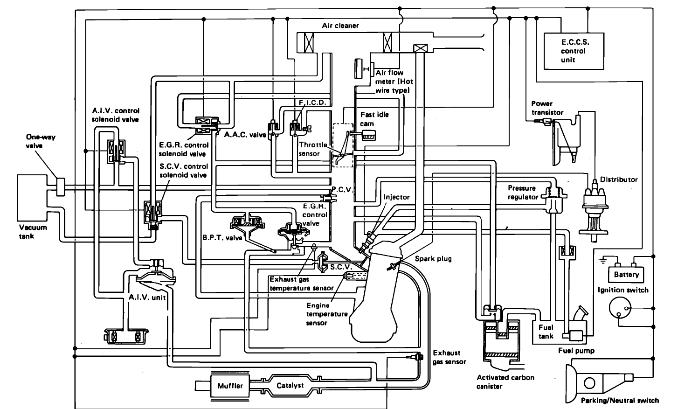
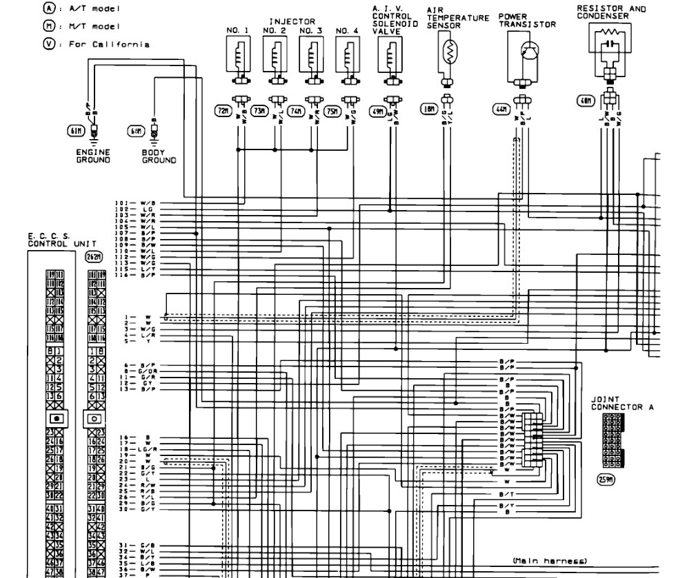
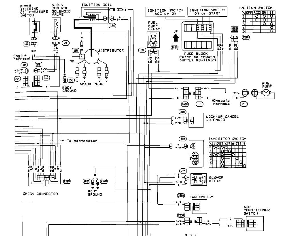
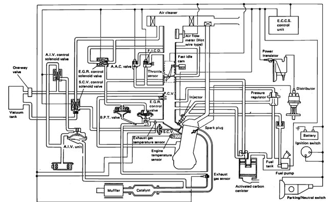
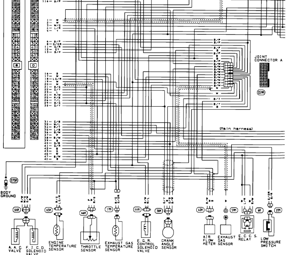
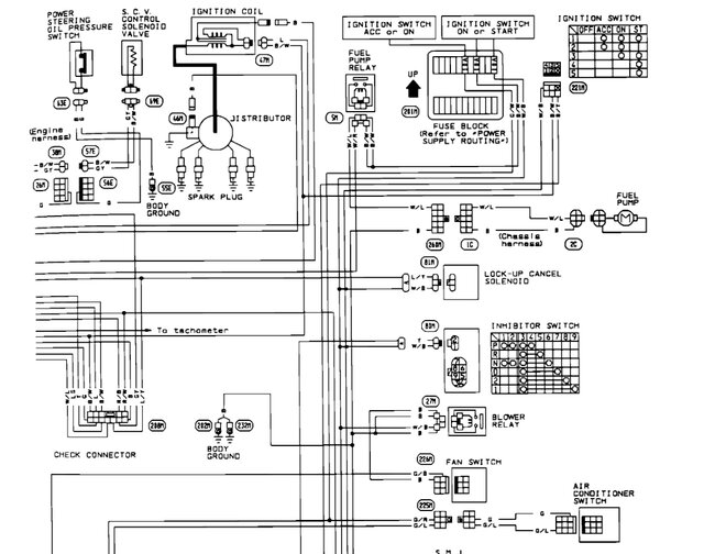
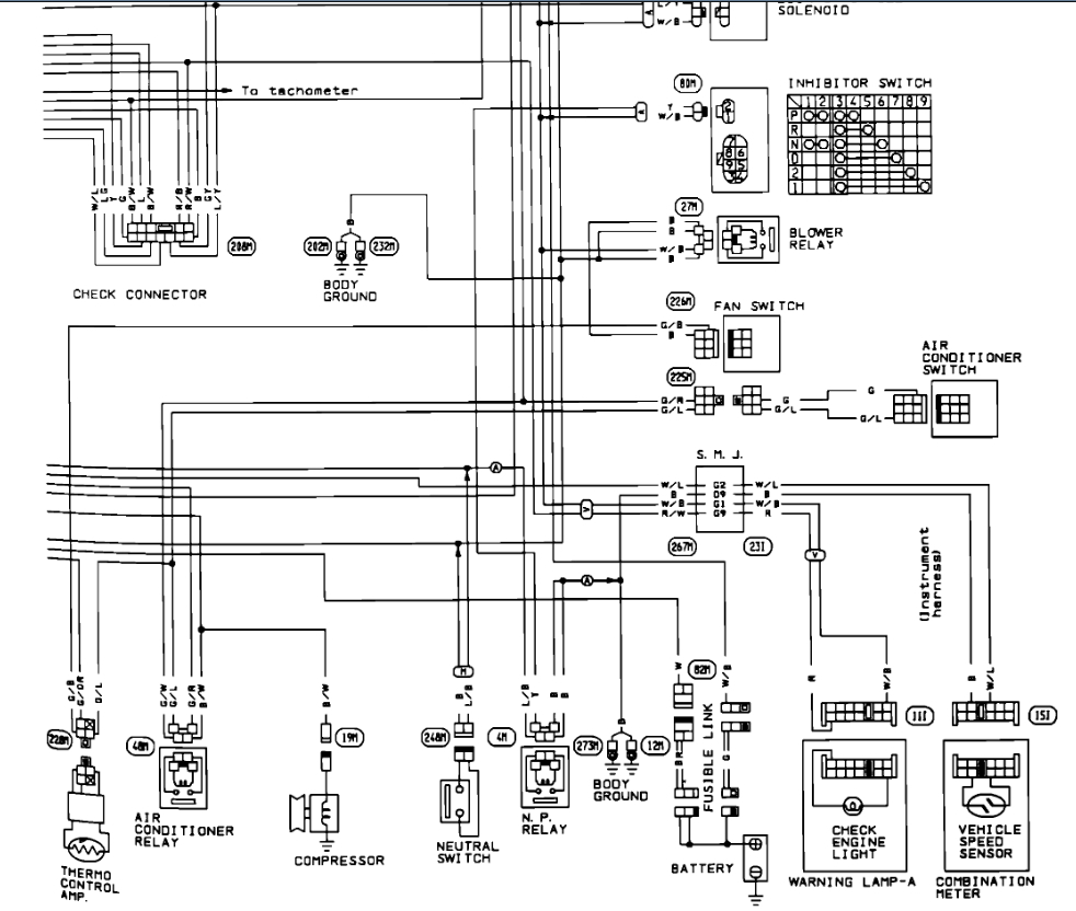
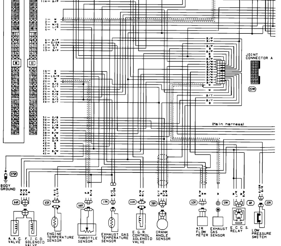
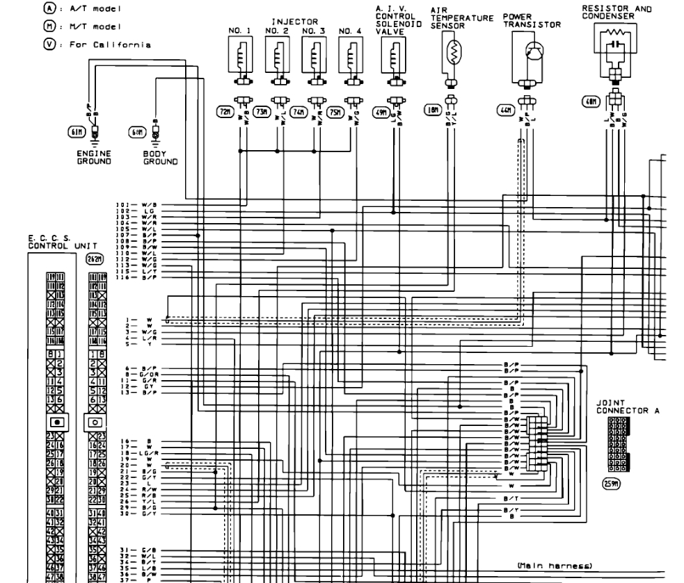
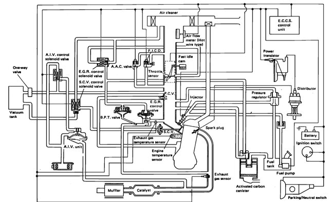
Sorry to hear about the engine fire. Here are the engine wiring diagrams as requested and I have included a guide to help you test the connections.

https://www.2carpros.com/articles/how-to-check-wiring

Check out the images (below). Please let us know if you need anything else to get the problem fixed.

Aug 11, 2023 at 11:56 AM