ignition switch system wiring diagram needed?

2005 GMC SIERRA
180,000 MILES • 4.3L • 4WD • AUTOMATIC
Avatar
IMCCLAIN90
  • MEMBER
  • 1 POST
I'm having a really hard time finding the correct diagram for the ignition switch system. I’m trying to install a push start into the vehicle listed above, if anyone has the correct information retaining the diagram and correct wires to use that would be nice. Google hasn’t been any help.
Dec 10, 2022 at 2:23 PM
Advertisement
Avatar
JACOBANDNICKOLAS
  • CERTIFIED EXPERT
  • 110,175 POSTS
Hi,

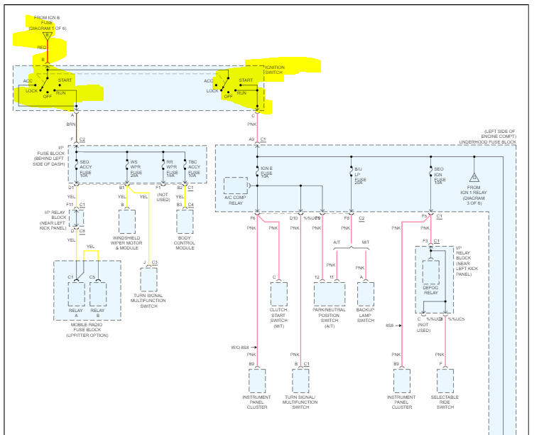
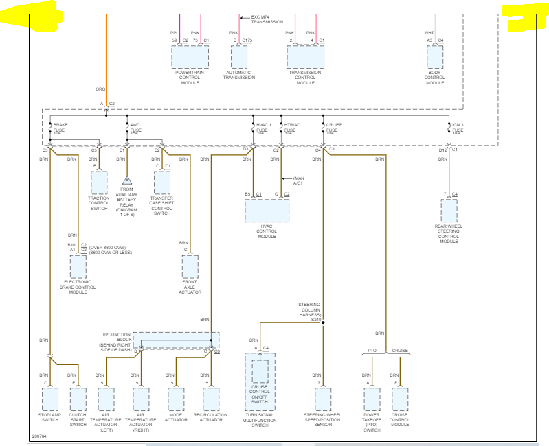
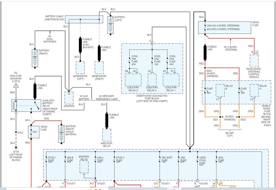
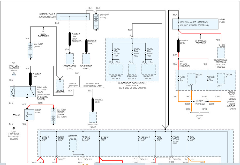
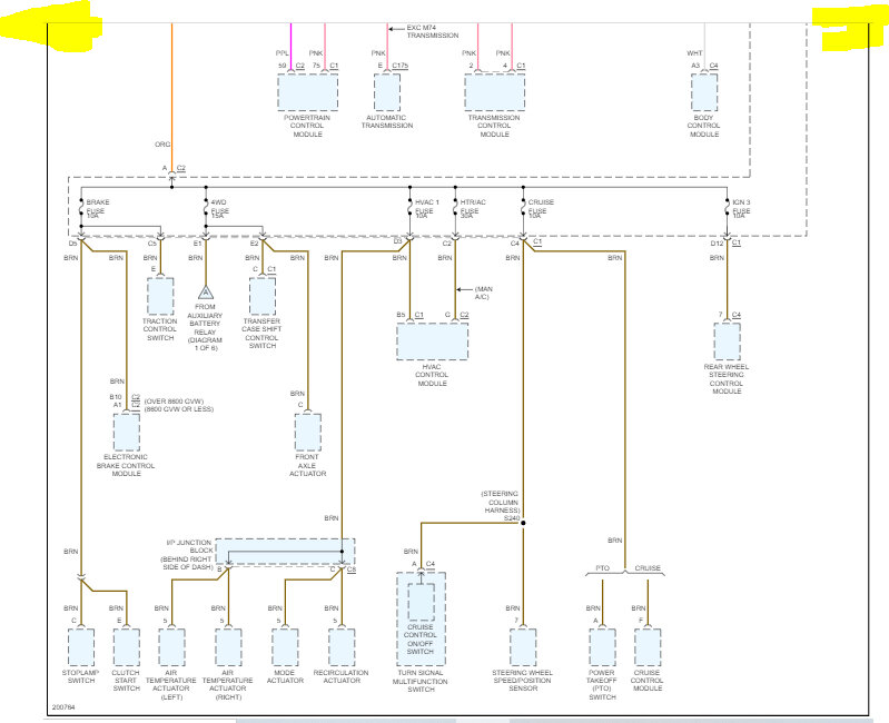
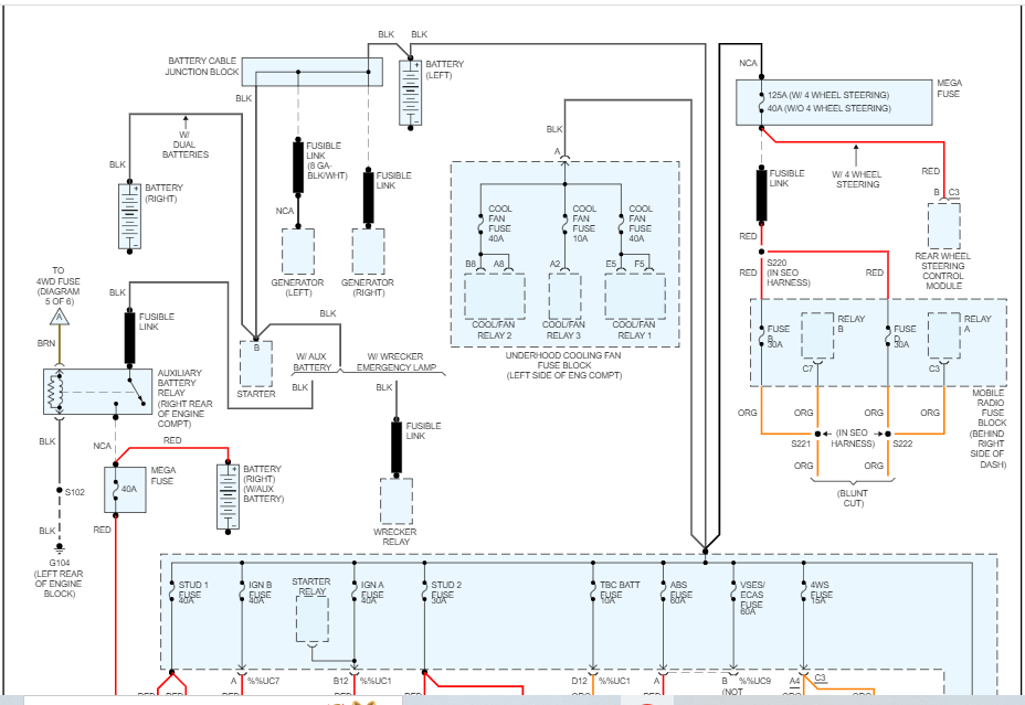
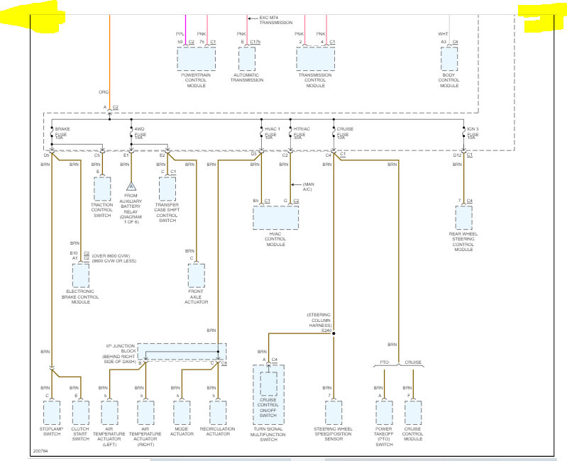
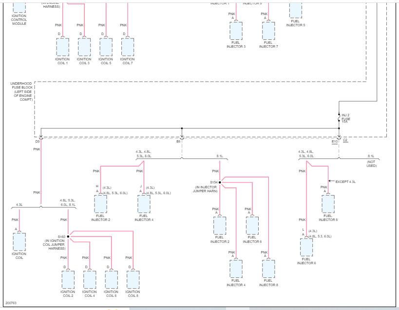
I'm not sure exactly what you need, so I attached the entire power distribution schematic below for your review.

Note there are highlighted areas on some of the pics. The highlights indicate pics that include the ignition switch.

Just FYI, is there a reason this is being done? The only reason I ask is that I see many try to make the vehicle a keyless ignition and it turns into a nightmare with the immobilizer. It's just a thought.

Regardless, let me know if this helps or if you have other questions.

Take care,

joe

See pics below. Note: I had to cut each page in two so you could read them. I did overlap them so you can follow from one to the next.


Dec 10, 2022 at 2:52 PM