Wiring diagram for seats power heated and the power windows and power door lock needed

2003 CHEVROLET SILVERADO
155,000 MILES • 8.1L • V8 • 4WD • AUTOMATIC
Avatar
LOUD PELLETIER
  • MEMBER
  • 39 POSTS
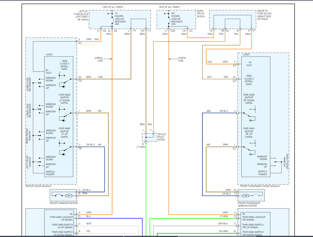
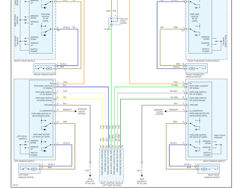
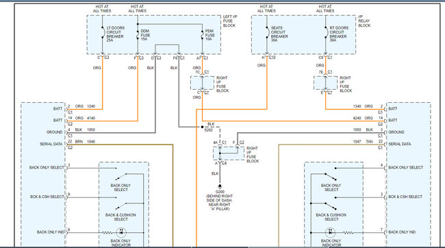
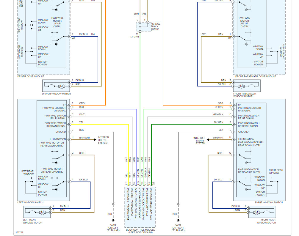
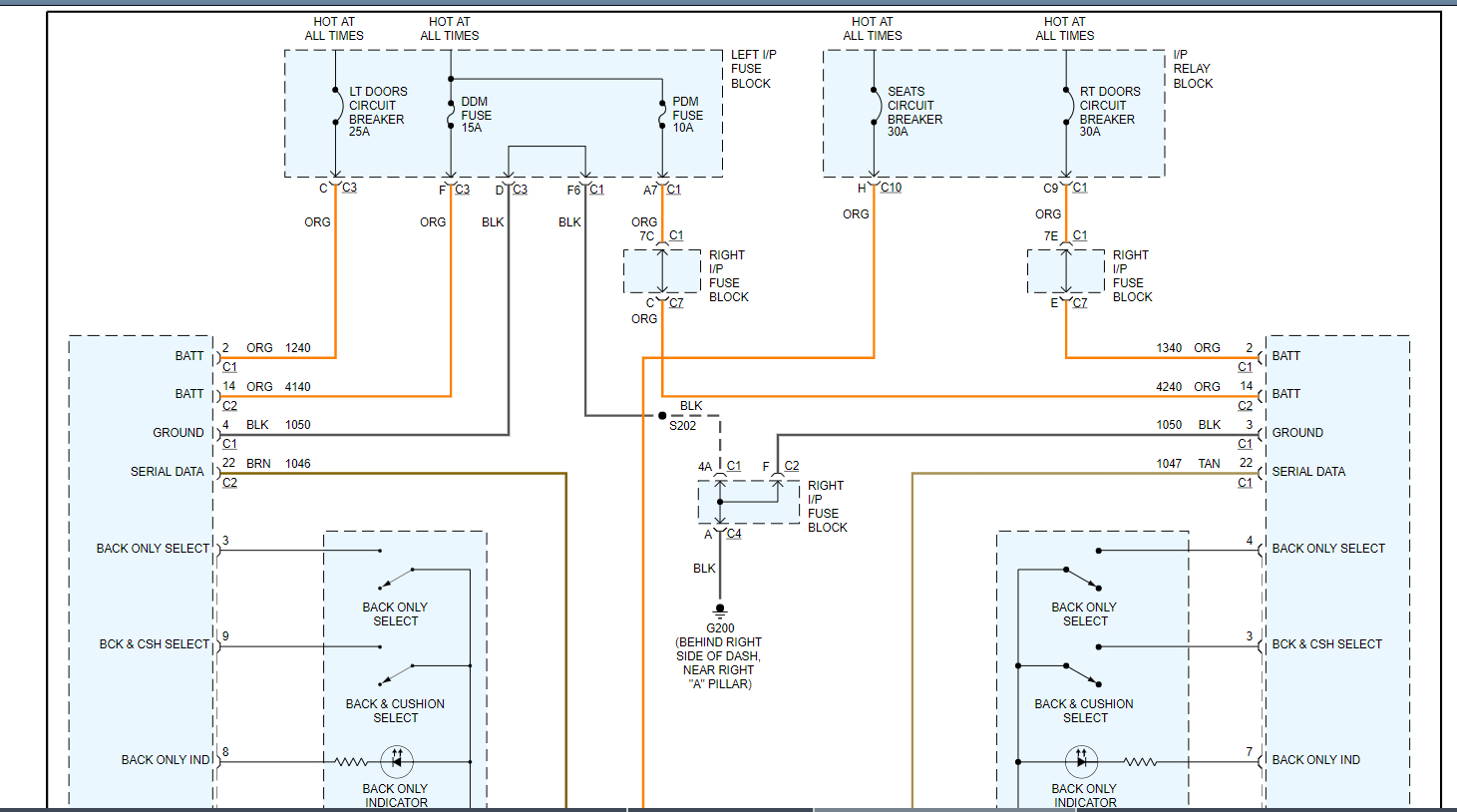
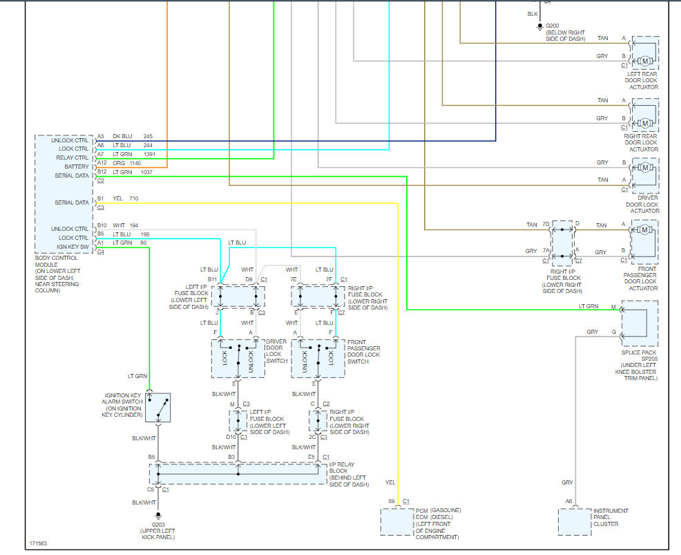
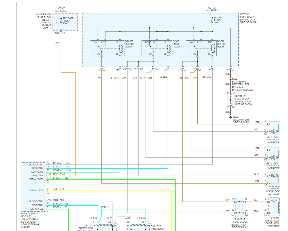
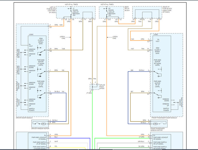
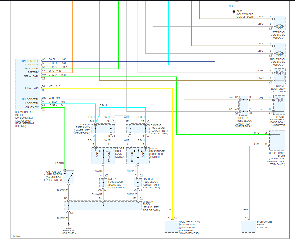
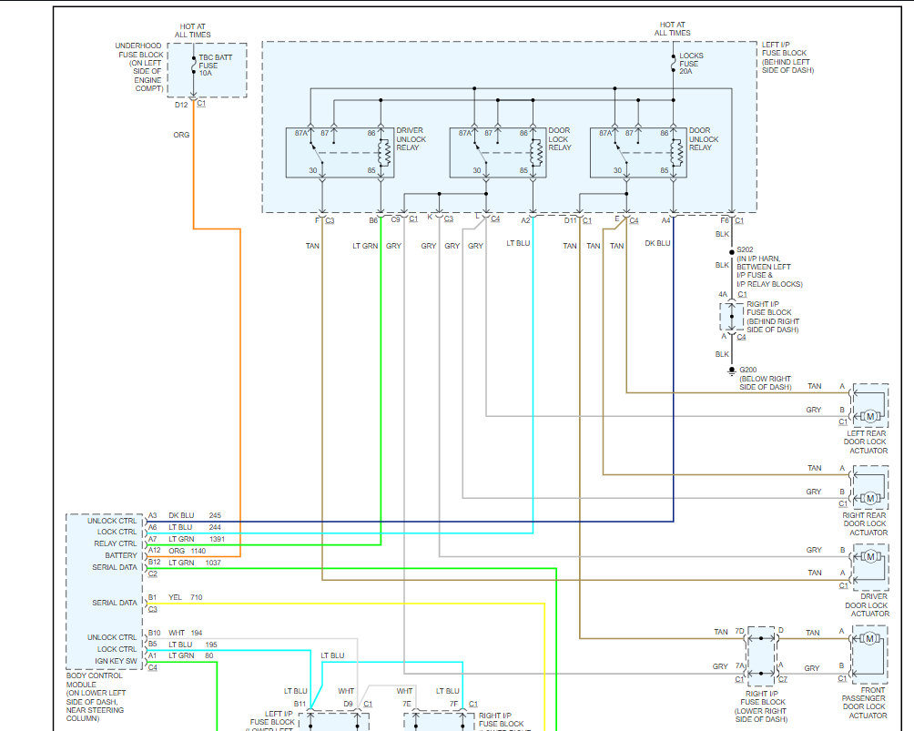
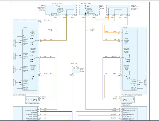
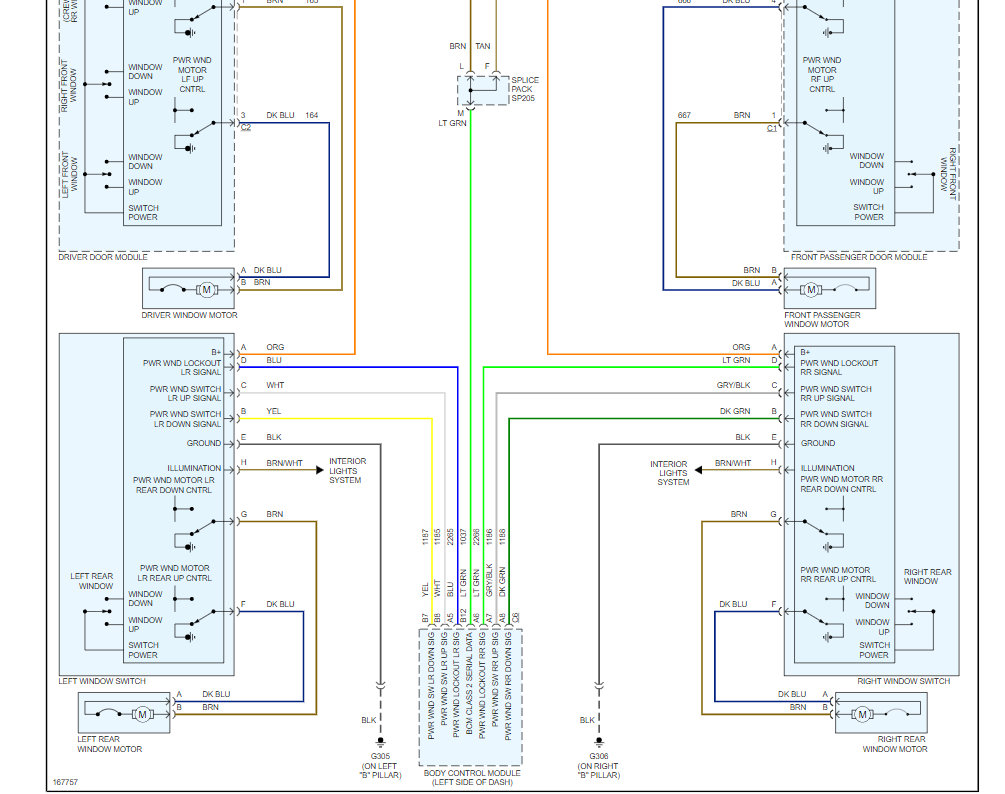
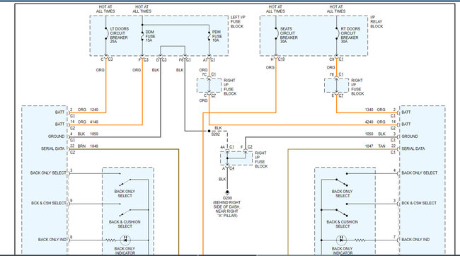
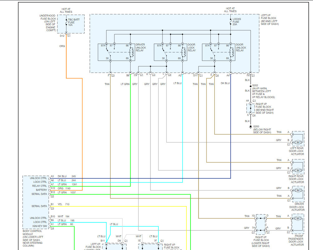
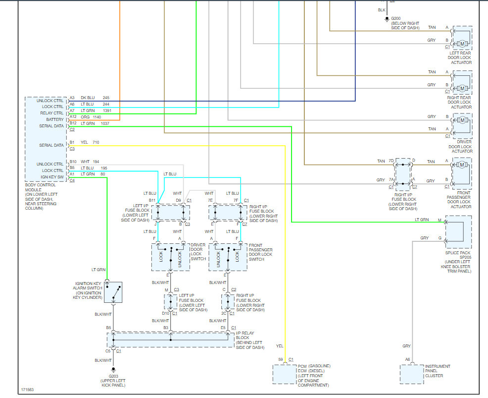
hello, I would like to have the wiring diagram of the seats power heated and the power windows and power door lock. Also tell me what the white connector of the photo below is for and wiring diagram of this connector and the pin out.
Aug 29, 2021 at 8:23 AM
Advertisement
Avatar
ASEMASTER6371
  • CERTIFIED EXPERT
  • 52,796 POSTS
Good afternoon,

I attached the diagrams for you below of the systems you requested.

https://www.2carpros.com/articles/how-to-check-wiring

https://www.2carpros.com/articles/how-to-use-a-voltmeter

https://www.2carpros.com/articles/how-to-check-an-electrical-relay-and-wiring-control-circuit

Let me know if you have any other questions.

Roy
Aug 29, 2021 at 11:07 AM
Avatar
ASEMASTER6371
  • CERTIFIED EXPERT
  • 52,796 POSTS
I found connector diagrams for you of the systems as well. I attached them below for you to view.

Roy
Aug 29, 2021 at 12:22 PM
Advertisement