Wiring diagram

2010 FORD F-150
140,000 MILES • 5.4L • V8 • 4WD • AUTOMATIC
Avatar
DIGIELINSKI
  • MEMBER
  • 2 POSTS
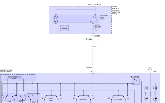
I am looking for the wiring configuration/ pin out for the power windows and power locks for a 2009 F-150 super cab.
Feb 25, 2016 at 8:11 PM
Advertisement
Avatar
HMAC300
  • CERTIFIED EXPERT
  • 48,601 POSTS
See pictures below.
Feb 26, 2016 at 7:09 AM
Avatar
JDL
  • CERTIFIED EXPERT
  • 16,098 POSTS
The information I looked at was for 2009.
The diagram is for power windows. Check for voltage at circuit breaker. Also, check wiring on hinge side of driver door. The driver door is open and closed so much, sometimes the wires in the harness may break?
Check for applicable trouble codes, see if codes point at the sjb/smart junction block. Some of the national brand auto stores will check codes for free, I am just not sure if they will check manufacturer specific codes? It does not hurt to ask.
Feb 26, 2016 at 7:26 AM
Advertisement
Avatar
JDL
  • CERTIFIED EXPERT
  • 16,098 POSTS
I did not see you, hmac, have a good day.
Feb 26, 2016 at 7:27 AM
Avatar
DIGIELINSKI
  • MEMBER
  • 2 POSTS
Thanks guys. My truck came without power windows so I added them, I got oem door panels and switches so I just needed the pinout for those. Thank you!
Feb 26, 2016 at 7:29 AM
Avatar
STRAILER
  • CERTIFIED EXPERT
  • 53,854 POSTS
Glad to help nice work guys :-) Please use 2carpros.com again and tell a friend.
Mar 7, 2016 at 4:52 PM