☰
Login
Join
×
Home
Answered Questions
Repair Topics
Repair & Service Guides
Popular Questions
Warning Lights
Trouble Codes
How It Works
Testing / Diagnostics
Symptoms
Videos
Login
Become a Member
Home
Dodge
Ram
Interior
Instrument Cluster
Wiring
Cluster Wiring diagram?
2000 DODGE RAM
200,000 MILES
TFCOX
MEMBER
1 POST
FOLLOW
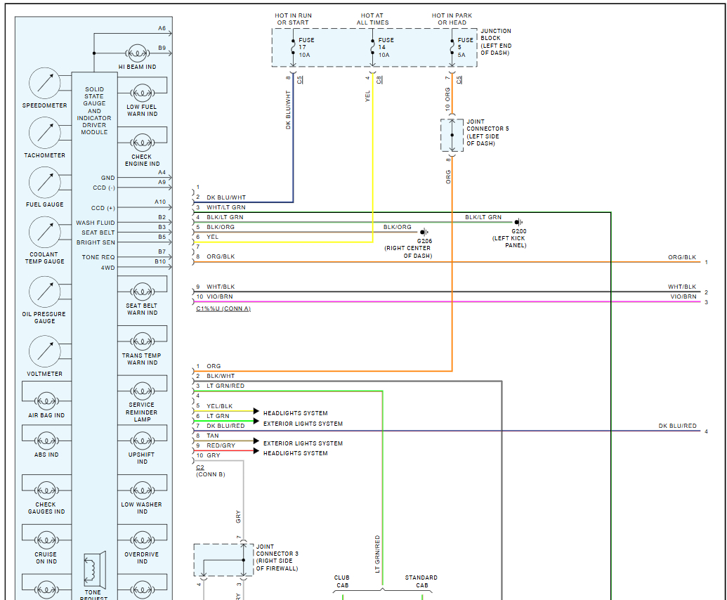
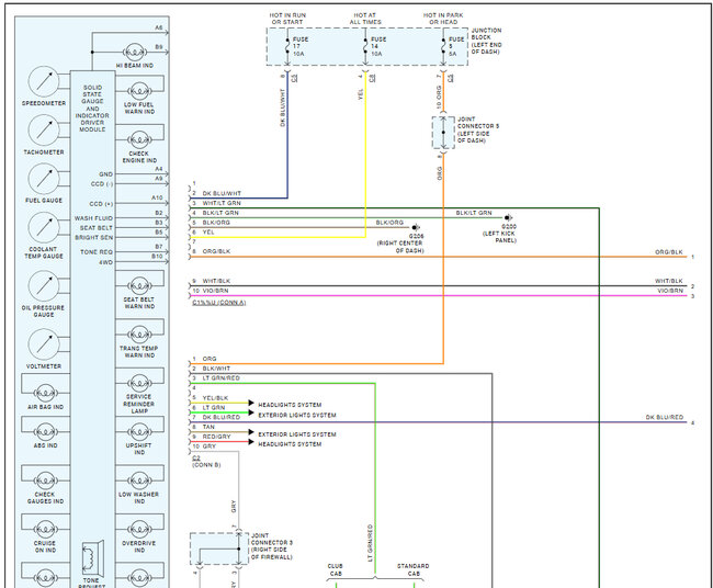
My friend says he's rewiring a cluster on a 2000 Dodge ram 1500 and I'm looking for a diagram... Or anything useful please
Sep 16, 2025 at 9:32 PM
Advertisement
STRAILER
CERTIFIED EXPERT
53,854 POSTS
Hello,
Here is the wiring daigrams for the instrument cluster as requested. Check out the images (below). Let us know if you need anything else.
Images (Click to enlarge)
Sep 17, 2025 at 8:58 AM