Wiring diagram for multi-function switch needed, connector view?

2000 CHEVROLET SILVERADO
258,900 MILES • 5.3L • V8 • 2WD • AUTOMATIC
Avatar
LILSILKY143
  • MEMBER
  • 3 POSTS
I am replacing my multi-function switch for blinkers, cruise control, wipers, hazard lights. On the switch I'm putting in has 2 plug Ina on it .one has 2 rows of wires to plug in behind the blinker handle sticking out another plug with one row on back behind the hazard switch you push down to work. The plug has 12 wires. I need to know what order the wires go on color by color.
Sep 3, 2023 at 1:29 PM
Advertisement
Avatar
STRAILER
  • CERTIFIED EXPERT
  • 53,854 POSTS
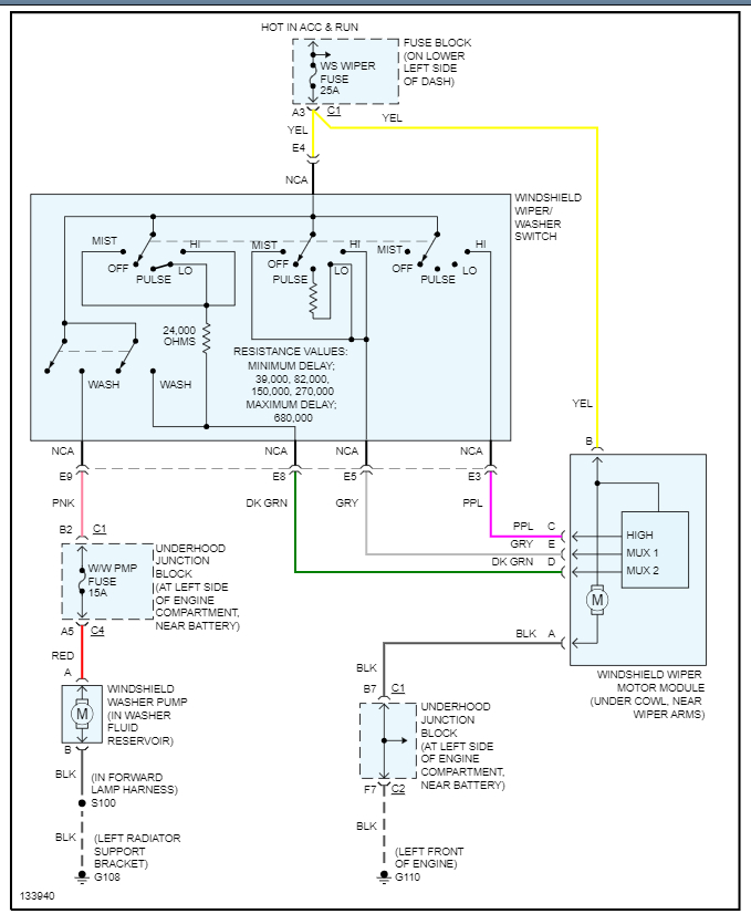
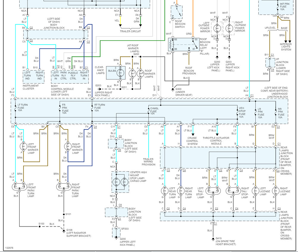
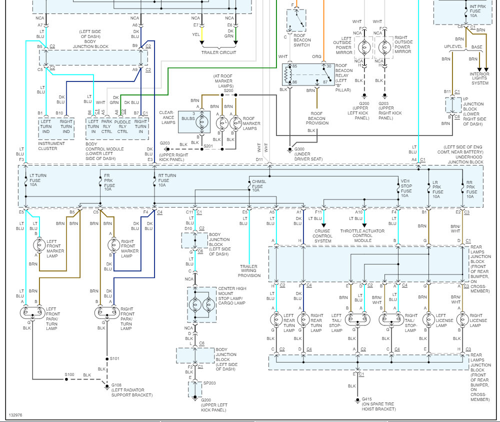
Sure, here are the wiring diagrams for the multifunction switch, Check out the images (below). Please let us know if you need anything else to get the problem fixed.
Sep 4, 2023 at 11:57 AM
Avatar
LILSILKY143
  • MEMBER
  • 3 POSTS
There is not anything on here to do with back of blinker, wiper, cruise, hazard light and the order or the color order of wires on the single row plug in on back or switch it's a simple 12 color order but I guess you don't know.
Sep 4, 2023 at 4:49 PM
Advertisement
Avatar
STRAILER
  • CERTIFIED EXPERT
  • 53,854 POSTS
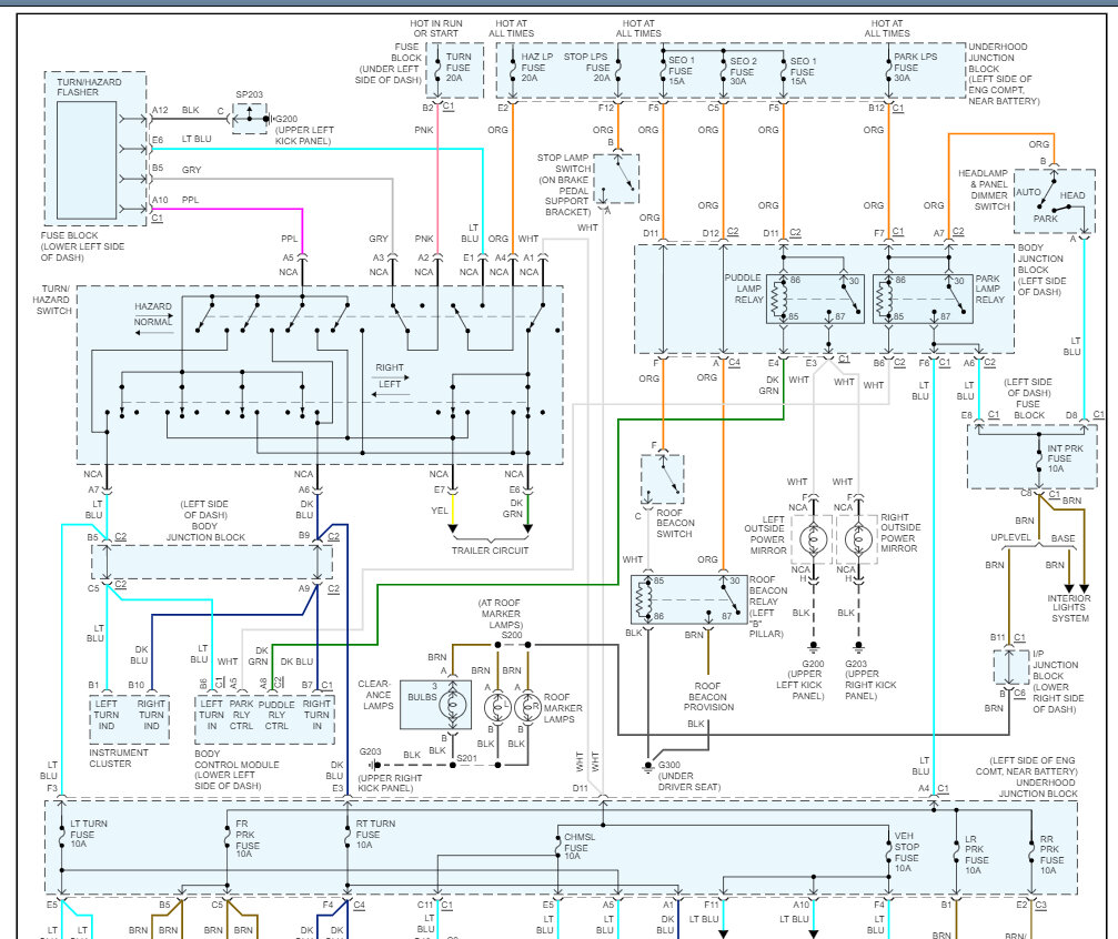
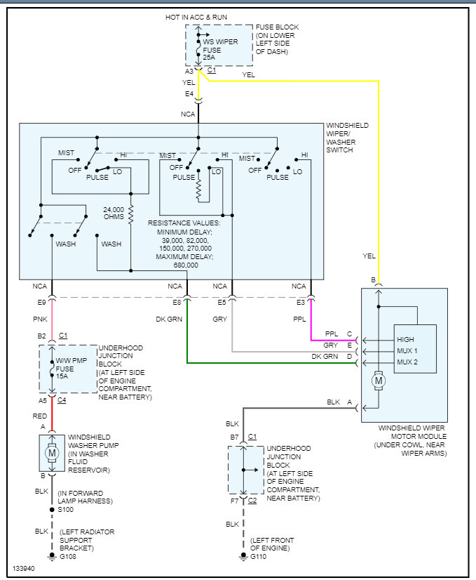
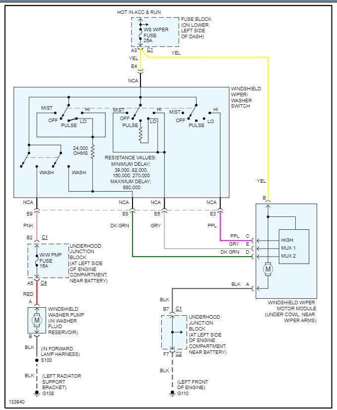
I believe this is what you are looking for. Check out the images (below). Let us know what happens and please upload pictures or videos of the problem so we can see what's going on.
Sep 5, 2023 at 11:58 AM
Avatar
LILSILKY143
  • MEMBER
  • 3 POSTS
I am replacing blinker,hazard,wipers,cruse control switch . I have ask 3 different places this question and for some reason they keep sending me the opposite of what I ask for .so I'm gonna try and make this simple as I can if u have the switch the whole assembly in your hand. I'm talking bout the whole assembly the blinkers,cruise,wipers,all that. Now turn that whole assembly around in ya hand on the back there is two plug ins for wires to be connected to it one has two rows of wires and the other has one row of wires . the wires are different color so that means there is a order they go in .so I need the color order for the single row plug plan an simple as I can put it .once again I need color order of the single row plug in on back of assembly .I don't need to know what wires goes to this an that I need 2 wire color order if ya answer dosnt have 12 colors in order don't even reply thanks
Sep 5, 2023 at 2:46 PM (Merged)
Avatar
STRAILER
  • CERTIFIED EXPERT
  • 53,854 POSTS
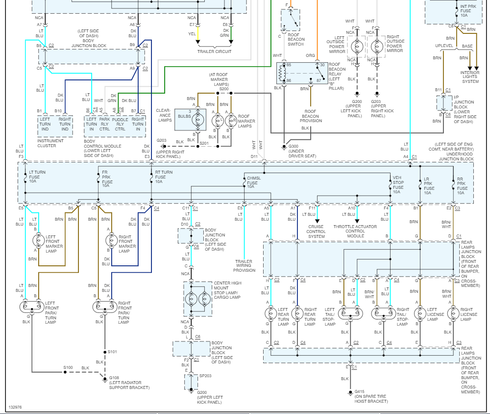
I think this is what you are looking for. Check out the images (Below). Let us know what happens and please upload pictures or videos of the problem so we can see what's going on.
Sep 5, 2023 at 2:46 PM (Merged)