Motorhome engine compartment wiring diagram needed?

1982 FORD E-SERIES VAN
67,000 MILES • 5.9L • V8 • 2WD • AUTOMATIC
Avatar
187HASSLE
  • MEMBER
  • 4 POSTS
I need complete wiring for the engine compartment, with dual battery. This is a motorhome.
Nov 3, 2022 at 6:44 PM
Advertisement
Avatar
JACOBANDNICKOLAS
  • CERTIFIED EXPERT
  • 110,175 POSTS
Hi,

Because of the model year, schematics are difficult to come by. Also, the body company that installed the camper likely changed things.

I'm not sure if this is an E250 or E350. Also, I need confirmation on the engine size. I believe you meant a 5.8L. Please confirm.

I attached what I have for the powertrain management schematics below. They are for the engine I mentioned.

Let me know.

Joe

See pic below.
Nov 4, 2022 at 8:26 PM
Avatar
187HASSLE
  • MEMBER
  • 4 POSTS
It's a e 350, 460c.i.
Nov 4, 2022 at 10:36 PM
Advertisement
Avatar
JACOBANDNICKOLAS
  • CERTIFIED EXPERT
  • 110,175 POSTS
Hi,

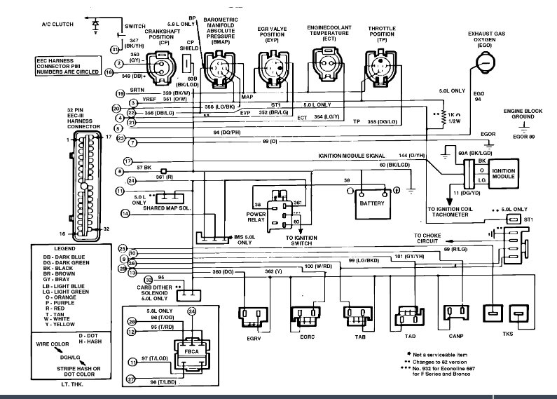
I tried, but there is nothing specific to the powertrain management circuits. I added the list I have below. See if there is anything there that will help.

Let me know.

Joe

See pic below.
Nov 5, 2022 at 6:10 PM
Avatar
187HASSLE
  • MEMBER
  • 4 POSTS
I misinformed you about the engine size. It's a 351W. Yes, the ignition system. Someone had rewired under the hood with whatever was lying around, then had a fire(surprise). I have no experience with dual battery systems. I have all the lights, nothing but a clunk sound from one of the starter relay when key is turned.
Nov 5, 2022 at 7:15 PM
Avatar
JACOBANDNICKOLAS
  • CERTIFIED EXPERT
  • 110,175 POSTS
Hi,

You are going to laugh at me, but the 351 wasn't used on the E350. The 460 was. LOL See the pic below.

Let me know.

Joe
Nov 5, 2022 at 10:02 PM
Avatar
187HASSLE
  • MEMBER
  • 4 POSTS
Here you can laugh at both of us now because it's a 400 and 6.6 l do you have any electrical schematics on the engine compartment.
Nov 6, 2022 at 10:48 PM
Avatar
JACOBANDNICKOLAS
  • CERTIFIED EXPERT
  • 110,175 POSTS
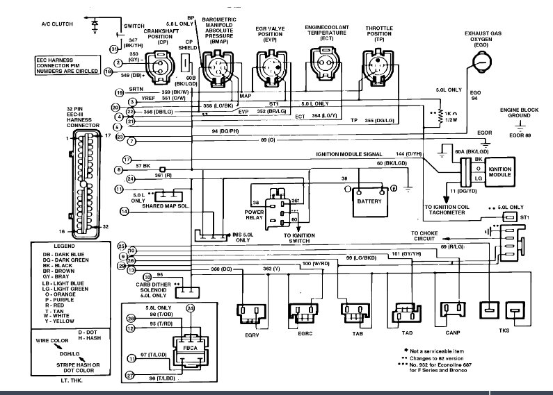
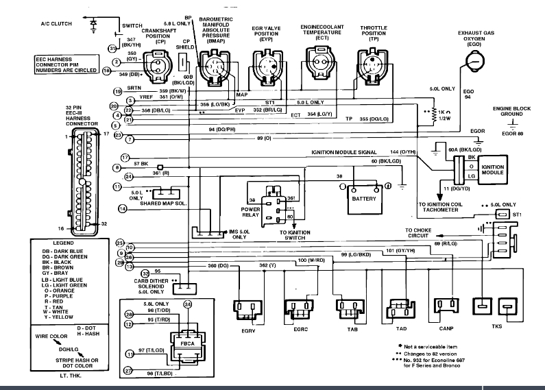
Hi,

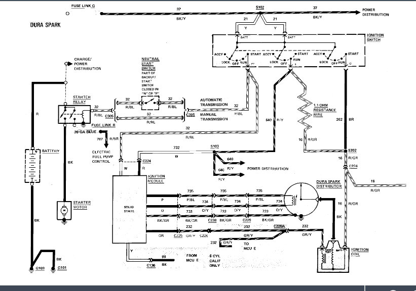
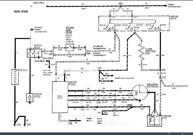
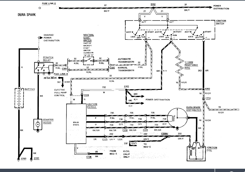
No problem. I attached what I have as far as the powertrain control circuits. Pics 1 and 2 are of the ignition system. The last pic shows what I have available. There really isn't too much because of the model year.

If you see something in pic 3 you need, let me know.

Take care,

Joe

See pics below.
Nov 7, 2022 at 6:23 PM
Avatar
187HASSLE
  • MEMBER
  • 4 POSTS
Hello,

Thanks very much if you would the" ignition ' one probably wouldn't hurt to have.

I just got to tell you,
You guys are awesome, you have helped me out more than once.

Cheers
Nov 7, 2022 at 7:04 PM
Avatar
JACOBANDNICKOLAS
  • CERTIFIED EXPERT
  • 110,175 POSTS
Hi,

Thank you and you are very welcome. As far as the ignition system, that is the one I attached above. Is there something other you need?

Let me know.

Joe
Nov 7, 2022 at 7:25 PM