computer wiring diagram

1996 DODGE CARAVAN
130,000 MILES • 3.8L • V6 • FWD • AUTOMATIC
Avatar
A604
  • MEMBER
  • 38 POSTS
I cannot find a complete wiring diagram for my car listed above. I am diagnosing a limp mode problem without a scan tool, and I need correct TCM pin identities etc.
Jul 8, 2017 at 12:48 PM
Advertisement
Avatar
STRAILER
  • CERTIFIED EXPERT
  • 53,854 POSTS
Hello,

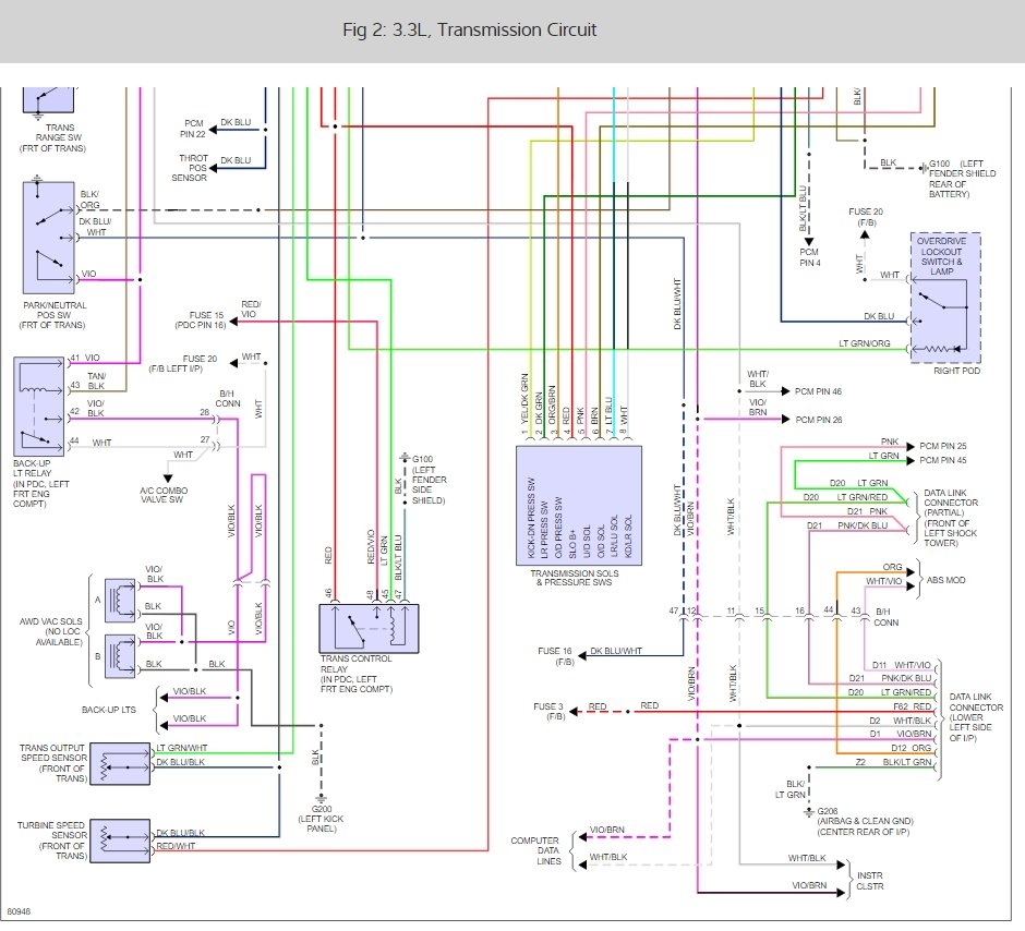
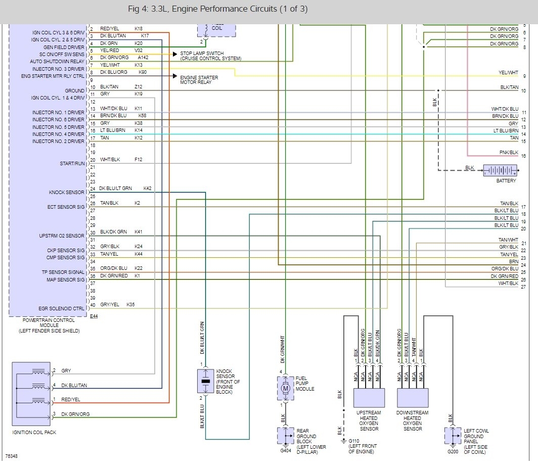
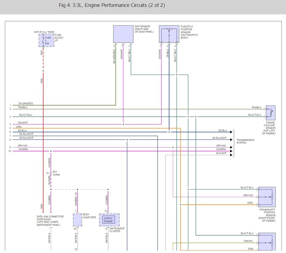
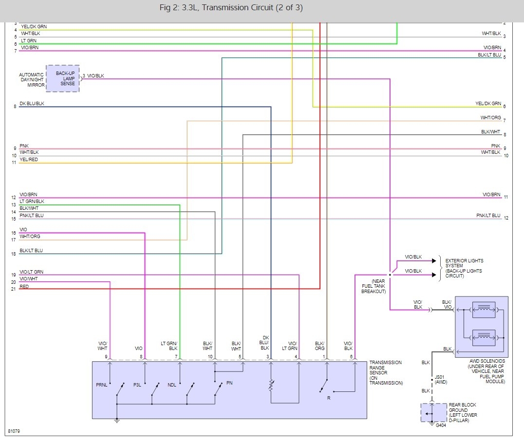
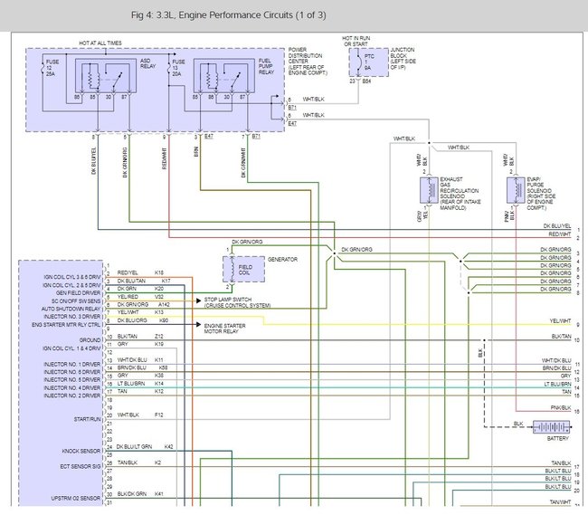
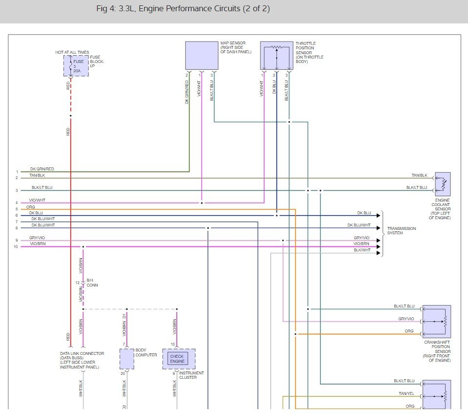
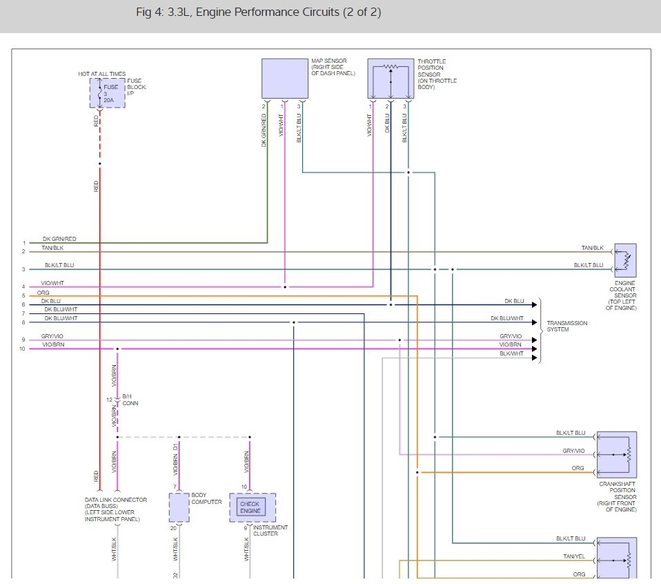
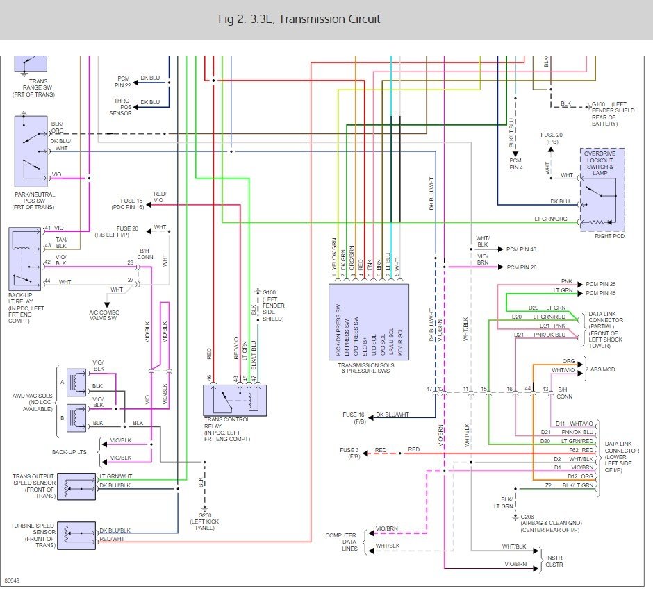
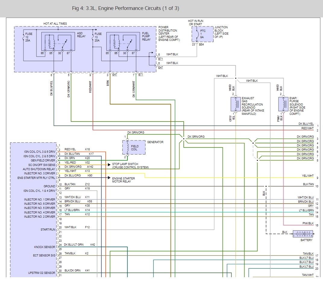
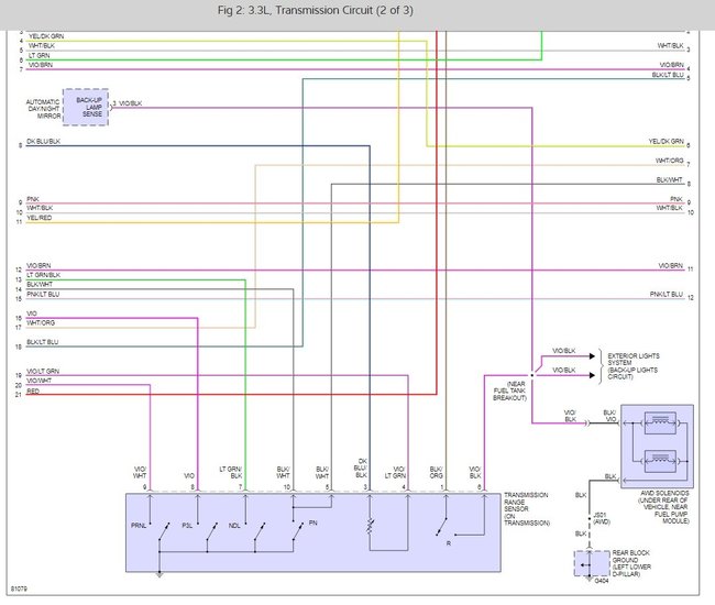
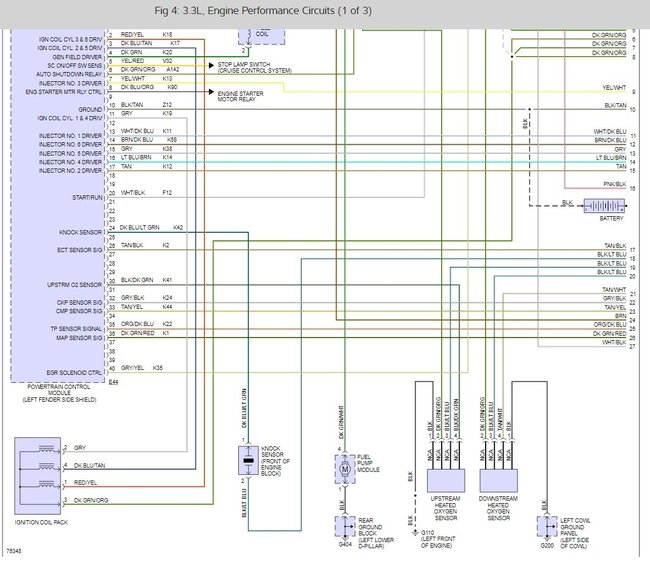
Here are wiring diagrams (below) for the engine and transmission along with a guide to help you do some testing.

https://www.2carpros.com/articles/how-to-check-wiring

Please let us know what happens, we are interested to see what it is.

Cheers, Ken
Jul 10, 2017 at 11:33 AM
Avatar
A604
  • MEMBER
  • 38 POSTS
I apologize I should have paid more attention. The vehicle is a 1995 3.8L not a 96. Huge difference.
Jul 10, 2017 at 5:51 PM
Advertisement
Avatar
STRAILER
  • CERTIFIED EXPERT
  • 53,854 POSTS
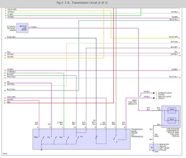
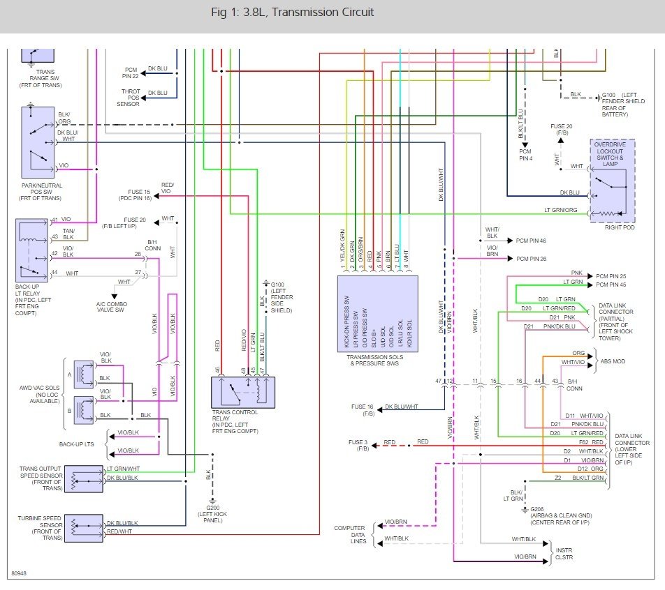
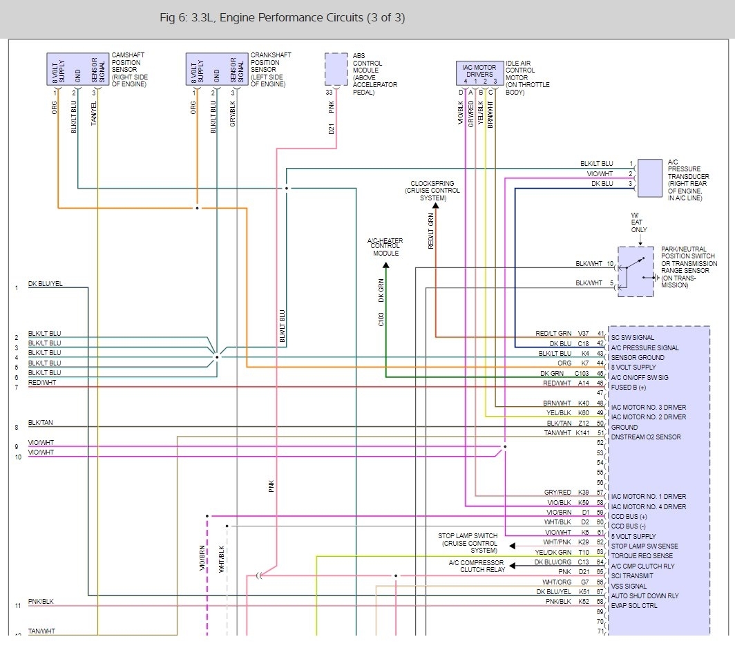
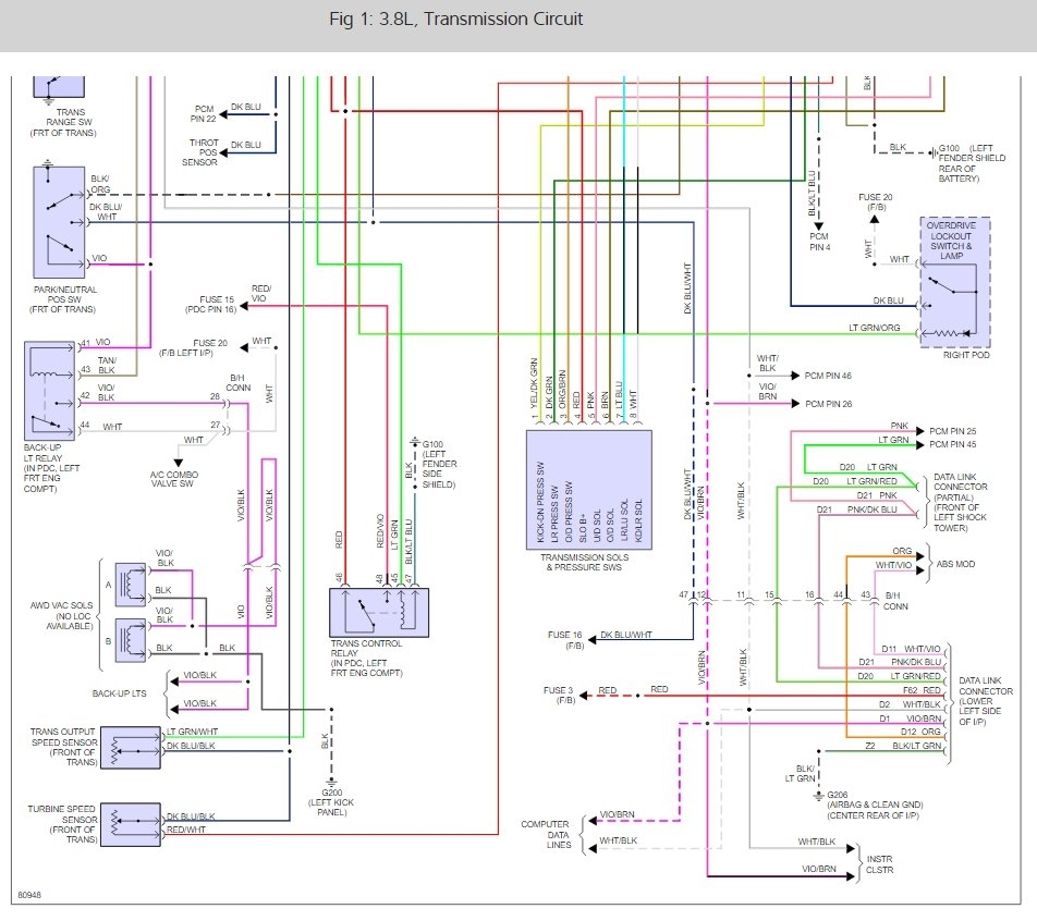
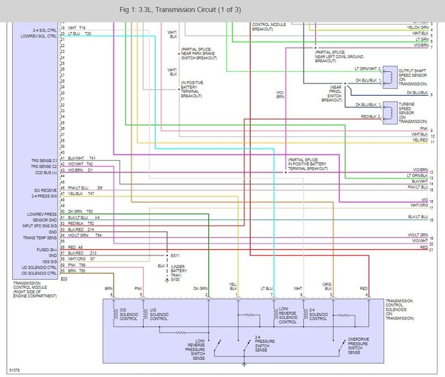
Yep there is a big difference :) here you go (below)

Please let us know if you need anything else to get the problem fixed.

Cheers, Ken
Jul 11, 2017 at 3:20 PM
Avatar
A604
  • MEMBER
  • 38 POSTS
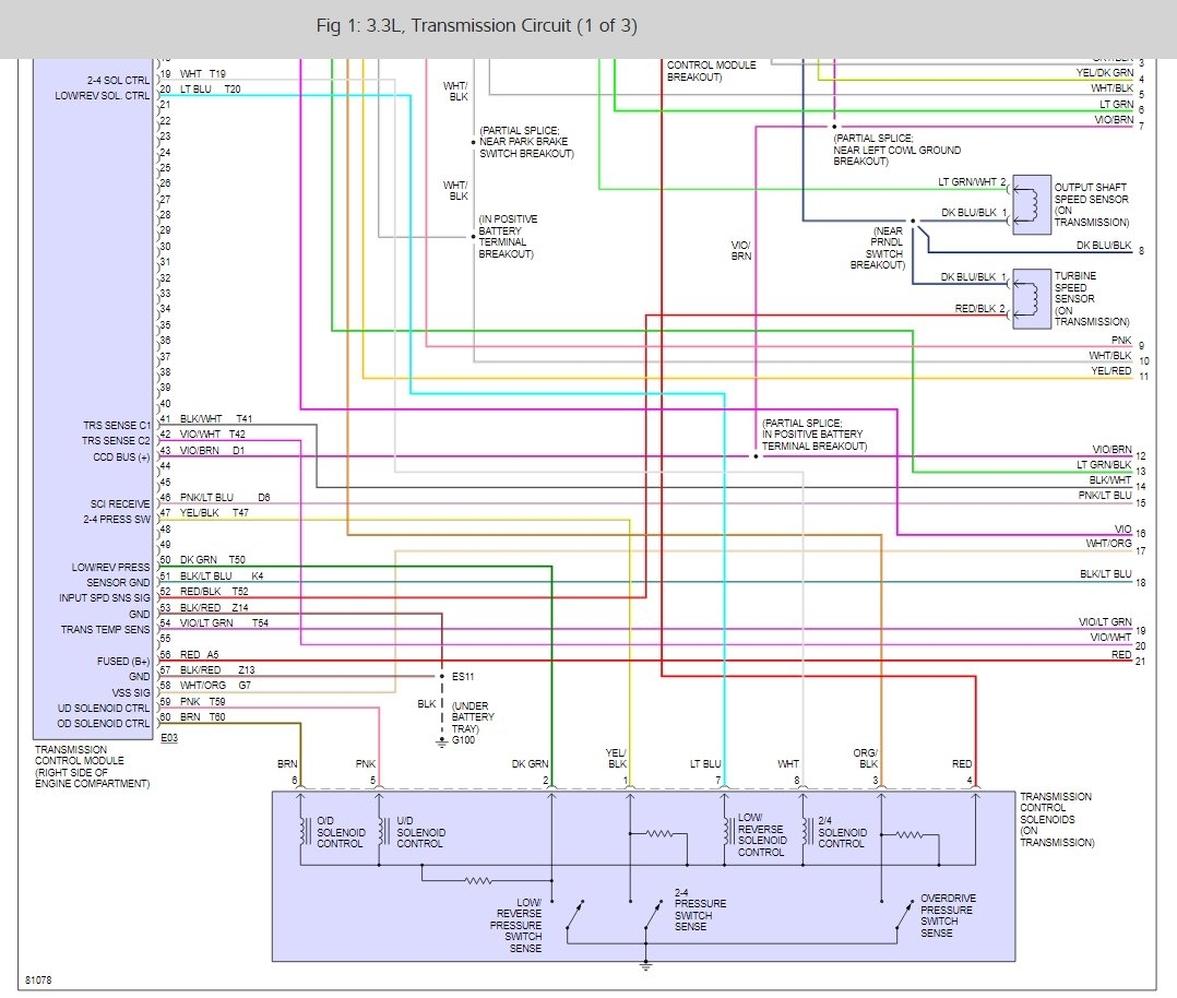
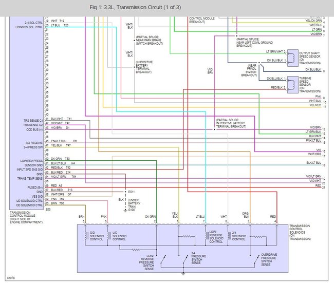
I mainly need a diagram of the tcm connector wires, shift solenoid block (8 pin ) connector wires
Jul 11, 2017 at 3:36 PM
Avatar
STRAILER
  • CERTIFIED EXPERT
  • 53,854 POSTS
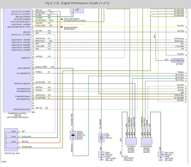
Yep got you covered (below).

Please use 2CarPros anytime, we are here to help. Tell a friend please.

Cheers, Ken
Jul 12, 2017 at 10:59 AM
Avatar
A604
  • MEMBER
  • 38 POSTS
Thank you, I will put them to work this evening when it cools down some, I'm in Arizona.
Jul 12, 2017 at 11:12 AM
Avatar
A604
  • MEMBER
  • 38 POSTS
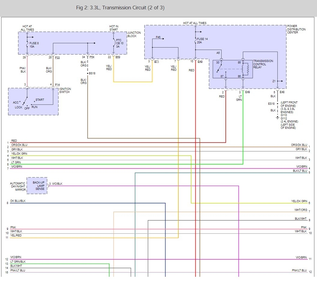
Oh one other item does it make a difference these diagrams say 3.3l and my vehicle is a 3.8l
Jul 12, 2017 at 11:15 AM
Avatar
STRAILER
  • CERTIFIED EXPERT
  • 53,854 POSTS
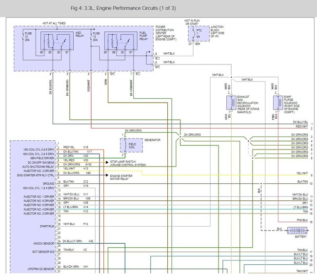
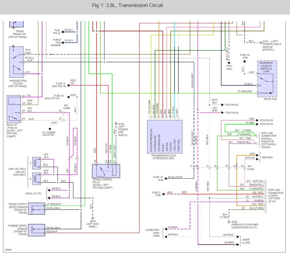
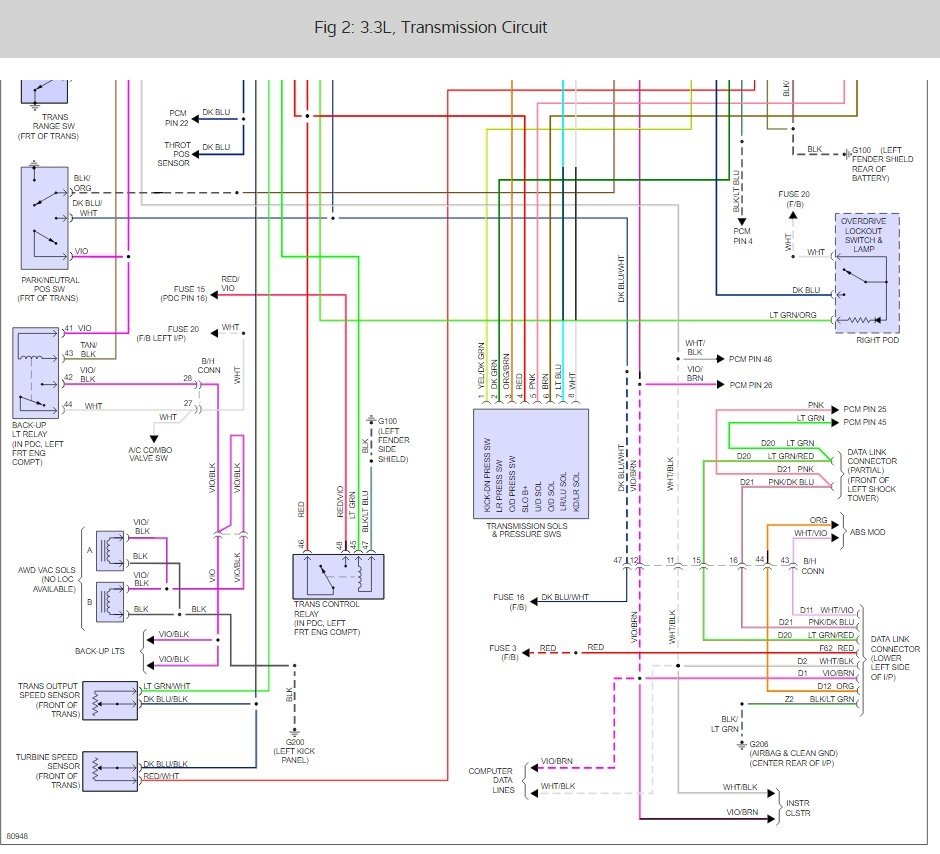
They shouldn't but let me get you the 3.8 to be sure

Cheers!
Jul 12, 2017 at 11:19 AM
Avatar
A604
  • MEMBER
  • 38 POSTS
Thank you sir
Jul 12, 2017 at 11:24 AM
Avatar
STRAILER
  • CERTIFIED EXPERT
  • 53,854 POSTS
Please use 2CarPros anytime, we are here to help. Tell a friend please.

Cheers, Ken
Jul 12, 2017 at 3:51 PM
Avatar
A604
  • MEMBER
  • 38 POSTS
While driving went into limp mode meaning I had P,R,N, and second. I changed fluid and filter (atf+4), normal silt in pan no shiny metal. I also put Lucas transmission fix in. Van drove fine for 189 miles then limp mode again, I went ahead and changed fluid and filter, pan filter and fluid were clean. No Lucas this time. Drove fine gain for maybe eighty miles before limp mode. I am mms or in a position to have it scanned for transmission codes. I know when it is going to be in limp mode as soon as the engine starts here is how. As soon as it starts there will be a slow ratchet sound ( for two seconds) two times. I know it is in limp mode. When it is not there is no ratcheting sound, and when I put it in gear it smooth with that normal solenoid buzz click sound. I have found no bad wires connections, or grounds. Relay is good, I have correct voltage at TCM connector pins 8,11,60,59,19,20,15,16,17,56 but not at 9,57,47. Wires for those 3 go to 8 pin connector on the solenoid assembly and test good with ohms. Any Ideas?
Jul 17, 2017 at 9:33 AM (Merged)
Avatar
STRAILER
  • CERTIFIED EXPERT
  • 53,854 POSTS
Hello,

Yep, it could be a speed sensor or the solenoid pack. I have seen failures for both, Here are some diagrams (below) and a guide to give you an idea when changing the sensor.

Please let us know what happens.

Cheers, Ken
Jul 17, 2017 at 9:33 AM (Merged)
Avatar
A604
  • MEMBER
  • 38 POSTS
I now also have voltage at pins 9,47, and 57 on tcm connector. So I did a amperage draw test. Pins 19,20,59, and 60 which are the solenoids they all fell into spec at 6.75amps. Is there a way to test the two speed sensors with a multimeter?
Jul 17, 2017 at 9:33 AM (Merged)
Avatar
STRAILER
  • CERTIFIED EXPERT
  • 53,854 POSTS
Yep here is a guide to help you get the job done.

https://www.2carpros.com/articles/how-to-use-a-voltmeter

Please let us know what you find.

Cheers, Ken
Jul 17, 2017 at 9:33 AM (Merged)
Avatar
A604
  • MEMBER
  • 38 POSTS
Do you know what they read
Jul 17, 2017 at 9:33 AM (Merged)
Avatar
STRAILER
  • CERTIFIED EXPERT
  • 53,854 POSTS
Look for open circuits telling you the component is bad check that first.

Jul 17, 2017 at 9:33 AM (Merged)
Avatar
A604
  • MEMBER
  • 38 POSTS
Well, circuits are good on both speed sensors. ( from tcm connector to and thru sensors). Not sure what to do next without a scanner?
Jul 17, 2017 at 9:33 AM (Merged)
Avatar
A604
  • MEMBER
  • 38 POSTS
I am troubleshooting transmission checking for voltage at TCM connector with a jumper wire at eatx relay I have one to two volts at pressure switch pins 50,47, and 9. I am supposed to have twelve volts (reference) correct? I do not know what to do next. I have no scan tool, van is in limp mode, no check engine light little.
Jul 17, 2017 at 9:33 AM (Merged)
Avatar
CARADIODOC
  • CERTIFIED EXPERT
  • 34,306 POSTS
Do you have twelve volts on the jumper wire at the relay socket? If not, check fuse fifteen under the hood.
Jul 17, 2017 at 9:33 AM (Merged)
Avatar
A604
  • MEMBER
  • 38 POSTS
Also could I get wiring diagram for the ECM
Jul 17, 2017 at 9:33 AM (Merged)
Avatar
A604
  • MEMBER
  • 38 POSTS
Yes I do.
Jul 17, 2017 at 9:33 AM (Merged)
Avatar
CARADIODOC
  • CERTIFIED EXPERT
  • 34,306 POSTS
okay, that twelve volts should also be found on the red wire, terminal four, at the solenoid pack. There are three pressure switches in the solenoid pack, but I have never worked on that part of the system. I cannot find a written description, so I am going to have to guess that twelve volts gets switched onto those three lines you are looking at when the appropriate switch turns on. If that is correct, we know all three switches will not fail at the same time. One failed switch would be detected as such, and an appropriate fault code would be set.

It is also possible the computer sends out twelve volts on all three of those lines, then the switches ground that and send the voltage on its line to zero volts when it turns on. There is no ground wire in the connector for the solenoid pack, but that circuit could be made through the mounting bolts. Regardless, it is again not likely all three circuits would develop a problem at the same time.

The first thing to do is have the diagnostic fault codes read and recorded in the transmission computer. That will indicate the circuit or system that needs further diagnosis, or the unacceptable operating condition. You are doing tests that are the last step in the procedure after you know which circuit to look at.
Jul 17, 2017 at 9:33 AM (Merged)
Avatar
A604
  • MEMBER
  • 38 POSTS
I know it but I can't afford a shop, nor the down time. It's my only ride and I take care of my mom 24/7 365. That and I do all my own wrenching have to it's a condition. I'll let you know how it comes out. Thank You
Jul 17, 2017 at 9:33 AM (Merged)
Avatar
CARADIODOC
  • CERTIFIED EXPERT
  • 34,306 POSTS
A lot of auto parts stores rent or borrow tools. See if one of them has a scanner that will access the Transmission Computer so you can read the fault codes. When the system goes to limp mode, the transmission relay is turned off, so you will be missing those voltages at the solenoid pack. You're trying to diagnose the clue, not the cause of the problem.

A good suspect at the mileage you listed is slippage in one of the clutch packs. The fault code will refer to "gear ratio error". The additional observation is it goes to limp mode during or right after a shift, usually an up-shift. If you identify that it always occurs when going from second to third, for example, accelerate a little harder to delay that shift, then let off the gas so the shift occurs with little torque on the transmission. If clutch plate slippage is the cause of the problem, doing that will give the overdrive clutch packs time to lock up before power is reapplied.

The scanner will also let you see the "clutch volume index", (CVI). That is a set of four numbers corresponding to the number of CCs of fluid it takes to apply each of the clutch packs. An experienced transmission specialist can tell how much life is left in each of them. Slippage occurs when the number for a clutch pack can't update any more, meaning no amount of additional fluid will be enough to fully apply it.
Jul 17, 2017 at 9:33 AM (Merged)
Avatar
A604
  • MEMBER
  • 38 POSTS
No it is going into limp mode as soon as the engine starts, almost immediately there will be two slow short ratchet sounds, which are not there normally.
Jul 17, 2017 at 3:31 PM
Avatar
A604
  • MEMBER
  • 38 POSTS
Transmission shop said only one code 43 od solenoid circuit failure. Solenoid pack is new and resistance test are good.
Sep 19, 2017 at 10:09 AM
Avatar
STRAILER
  • CERTIFIED EXPERT
  • 53,854 POSTS
It sounds like the transmission has an internal failure and needs to come apart to fix it.
Sep 19, 2017 at 10:29 AM
Avatar
A604
  • MEMBER
  • 38 POSTS
But sometimes the transmission shifts fine, can it do that with an internal failure?
Sep 19, 2017 at 11:35 AM
Avatar
A604
  • MEMBER
  • 38 POSTS
I followed a flow chart for narrowing down the cause of code 43 that I found on line. After testing this and that I ended up with "replace tcm" answered. Is there a way to positively know a TCM is bad? other than replacing it with your fingers crossed.
Sep 20, 2017 at 10:29 AM
Avatar
STRAILER
  • CERTIFIED EXPERT
  • 53,854 POSTS
The only way I know of is to whats the input and output readings on a pro scanner or you can send it into a re-builder they can run tests to see as well.
Sep 20, 2017 at 11:24 AM
Avatar
A604
  • MEMBER
  • 38 POSTS
Does the fact that it shifts fine sometimes and by that I mean it will work at start up or it won't, I doesn't go into limp while driving only on start up or with in the first ten seconds of putting it in drive. Rule out internal failure or not.
Sep 21, 2017 at 10:24 AM
Avatar
STRAILER
  • CERTIFIED EXPERT
  • 53,854 POSTS
To me it sounds like the transmission need to be rebuilt. Limp mode would happen when the internal seals would leak.
Sep 21, 2017 at 11:13 AM
Avatar
A604
  • MEMBER
  • 38 POSTS
Not what I wanted to hear, but thank you for your time. I think what you all are doing here is commendable.
Sep 21, 2017 at 12:26 PM
Avatar
STRAILER
  • CERTIFIED EXPERT
  • 53,854 POSTS
Good to hear, please use 2CarPros anytime we are here to help.

Cheers, Ken
Sep 22, 2017 at 9:51 AM
Avatar
A604
  • MEMBER
  • 38 POSTS
I have another question same vehicle what is the name or type of connector that plugs into the TCM, and ECM?. I tried using the term 40 pin, and 60 pin I got zero results. Here is a pic of it.
Sep 29, 2017 at 11:57 AM
Avatar
STRAILER
  • CERTIFIED EXPERT
  • 53,854 POSTS
Main ECM connector. I don't think it has a name that I know of. Caradiodoc might chime in with it


Sep 30, 2017 at 4:15 PM