I need a wiring diagram for my engine. I found coolant leaking onto my oil pressure sensor and to cylinder 4.
Dec 20, 2021 at 7:27 AM
Advertisement
JACOBANDNICKOLAS
CERTIFIED EXPERT
110,175 POSTS
Hi,
I will be happy to help, but I need clarification. The engine you indicated is not offered by Dodge. A 5.4L is a Ford engine.
Dodge offered a 4.7L or a 5.7L Hemi in this truck. Also, can you let me know what specific schematics in general you need, or would you rather have the entire powertrain management system, which will provide engine and transmission information?
Let me know.
Joe
Dec 20, 2021 at 7:49 PM
BOODYDRYWALL
MEMBER
2 POSTS
5.7 my apologies. I realized the typo after hitting submit. Can I have whole power train schematics please?
Dec 20, 2021 at 8:35 PM
Advertisement
JACOBANDNICKOLAS
CERTIFIED EXPERT
110,175 POSTS
Hi,
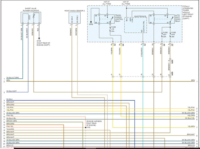
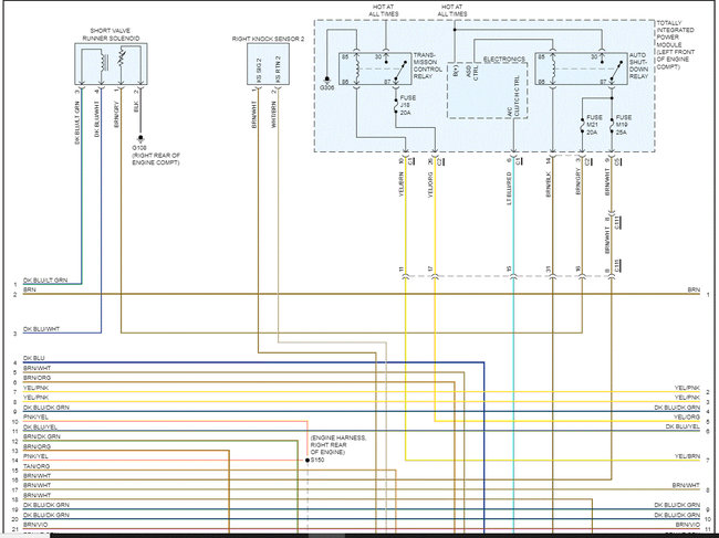
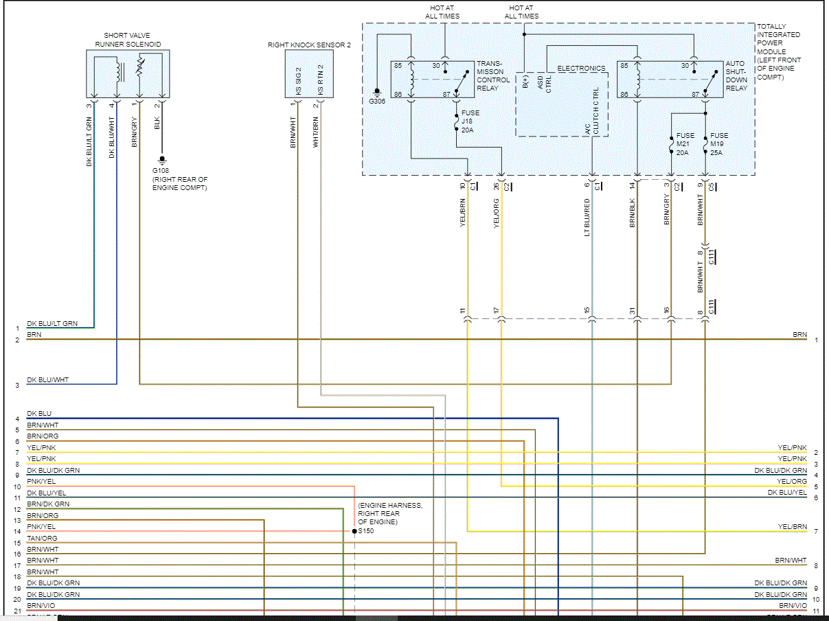
No problem whatsoever. If you look below, I included the schematics. They were 5 pages long. However, I had to cut them in half to make them readable for you. I did overlap them so you can follow from one to the next.
I'm not sure what you are working on, but here is a link you may find helpful.