By "wires everywhere", I hope you mean someone already removed the original radio. If not, what I recommend is to unplug the radio first, then check that everything else on the truck works. GM was the first manufacturer to dream up the insane idea that the Body Computer be built into the radio so it can't be removed from the truck, and they started that customer-unfriendly business practice on a few 2002 models. That forces most people to spend way too much money to have their radios repaired through the dealer rather than replaced with high-quality aftermarket units.
If you find such things as cruise control and the audible turn signal "click" are inoperative, there is a way to install your new radio, but the original one must remain in the truck, typically mounted under the front seat with a special wiring harness.
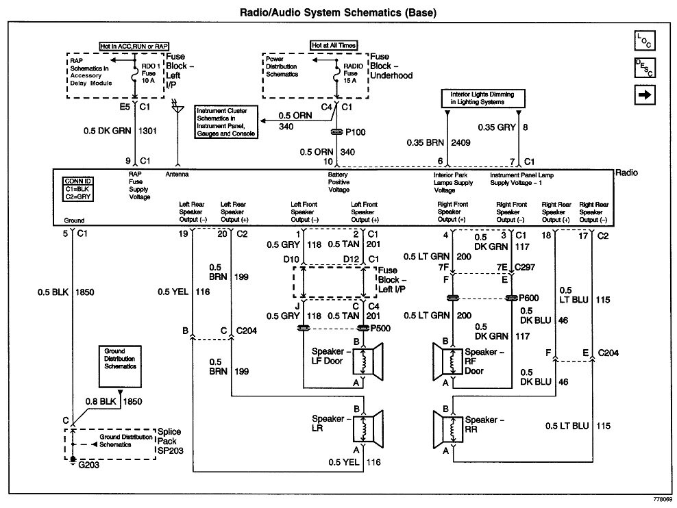
If everything still works with the radio not installed, this diagram is for the base model. Per their standardized wiring color codes, the orange wire is hot all the time. That's for the station presets and clock memory. The dark green wire is the switched 12 volts from the ignition switch.
Images (Click to enlarge)
Jan 14, 2025 at 9:05 PM