Wiring and fuse box diagram

1989 MITSUBISHI MIRAGE
190,139 MILES • 4 CYL • 2WD • MANUAL
Avatar
MULANG
  • MEMBER
  • 9 POSTS
I want to ask if someone has a wiring diagram for my car listed above? And a fuse box diagram would be nice as well.
Sep 7, 2018 at 6:55 AM
Advertisement
Avatar
DANNY L
  • CERTIFIED EXPERT
  • 5,648 POSTS
Hello, I am Danny.

Just a quick question first. Is it the 1.5 or 1.6L? I can get you the Fuse Box diagram but what other wiring diagrams would you like? Anything specific or the whole car? Hope this helps and thanks for using 2CarPros.
Danny-
Sep 7, 2018 at 1:41 PM
Avatar
MULANG
  • MEMBER
  • 9 POSTS
Hi Danny,

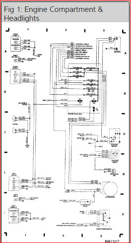
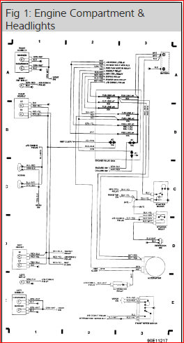
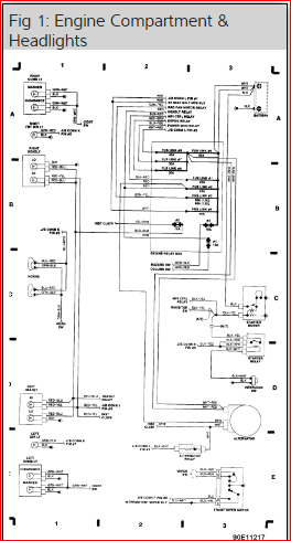
It is a 1.5L and I am looking for the headlight part of the wiring diagrams. But if you could provide the whole car that would be best.
Sep 8, 2018 at 7:02 AM
Advertisement
Avatar
DANNY L
  • CERTIFIED EXPERT
  • 5,648 POSTS
Hello again.

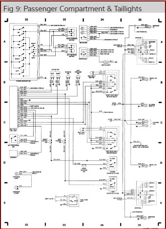
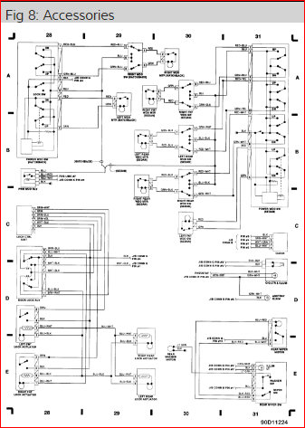
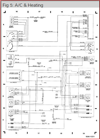
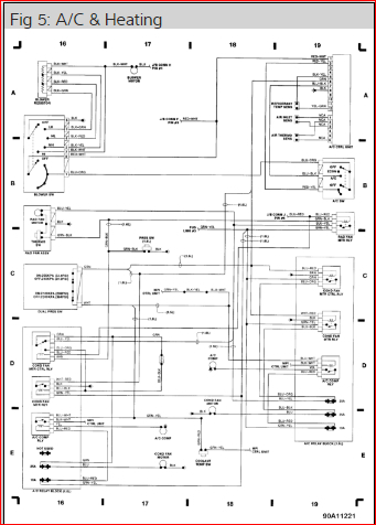
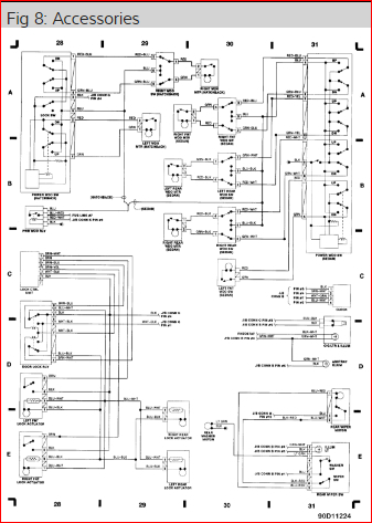
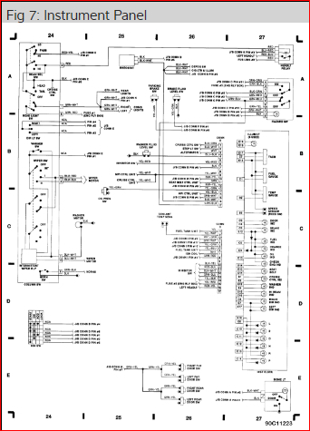
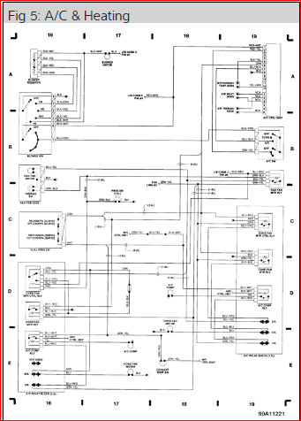
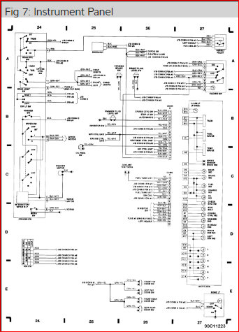
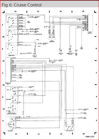
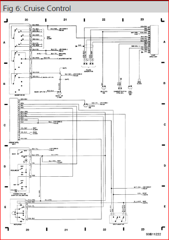
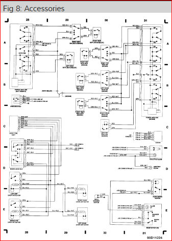
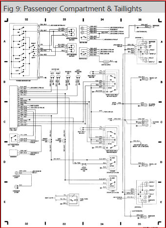
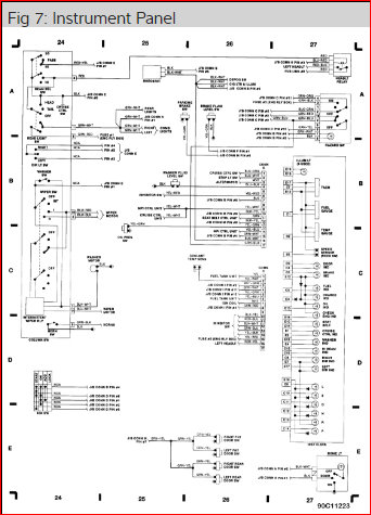
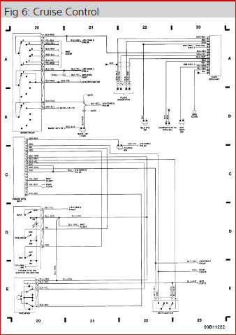
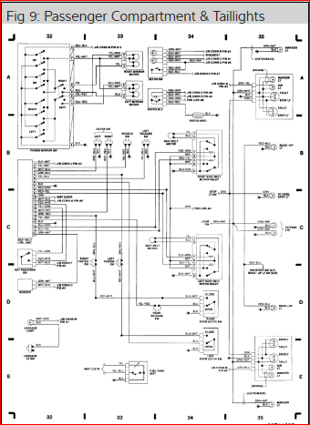
Here you go. I have attached seventeen pictures of the wiring diagrams and fuse boxes. Hope this helps and thanks again for using 2CarPros.
Danny-
Sep 8, 2018 at 10:21 PM
Avatar
MULANG
  • MEMBER
  • 9 POSTS
Thank you, this is very helpful.
Sep 8, 2018 at 10:34 PM
Avatar
DANNY L
  • CERTIFIED EXPERT
  • 5,648 POSTS
You are welcome!
Thanks again for using 2CarPros.
Danny-
Sep 8, 2018 at 10:56 PM