I am looking for complete wiring schematics for this truck. However, do not have extra money to purchase a repair manual.
Jun 12, 2018 at 2:38 PM
Advertisement
ASEMASTER6371
CERTIFIED EXPERT
52,796 POSTS
Good afternoon.
Information systems have wiring diagrams for areas and componet controls.
What specifically are you looking for in wiring diagrams?
Roy
Jun 12, 2018 at 2:47 PM
JERICHO HOUSMAN
MEMBER
4 POSTS
Complete wiring diagram for 1989 Dodge W150, 318, manual, 4x4. Hillbilly's who owned it previously messed it all up.
Jun 14, 2018 at 7:25 PM
Advertisement
STRAILER
CERTIFIED EXPERT
53,854 POSTS
There are too many diagrams to send for the complete truck can you give us particulars like engine?
Jun 18, 2018 at 11:06 AM
STEVE W.
CERTIFIED EXPERT
15,113 POSTS
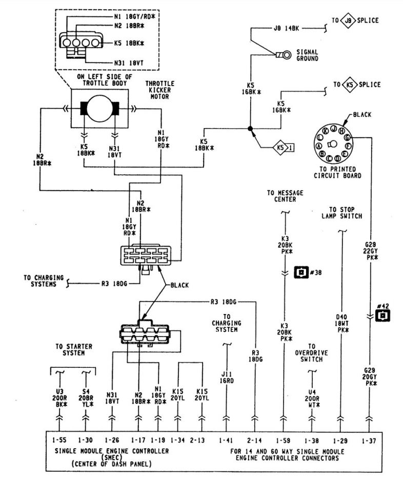
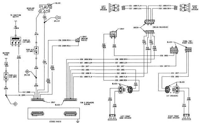
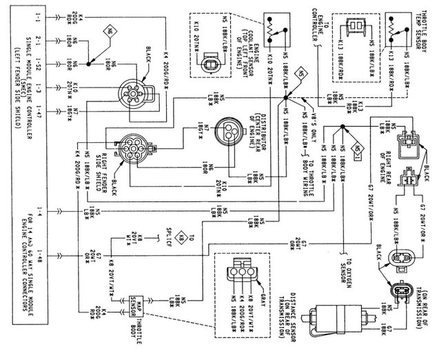
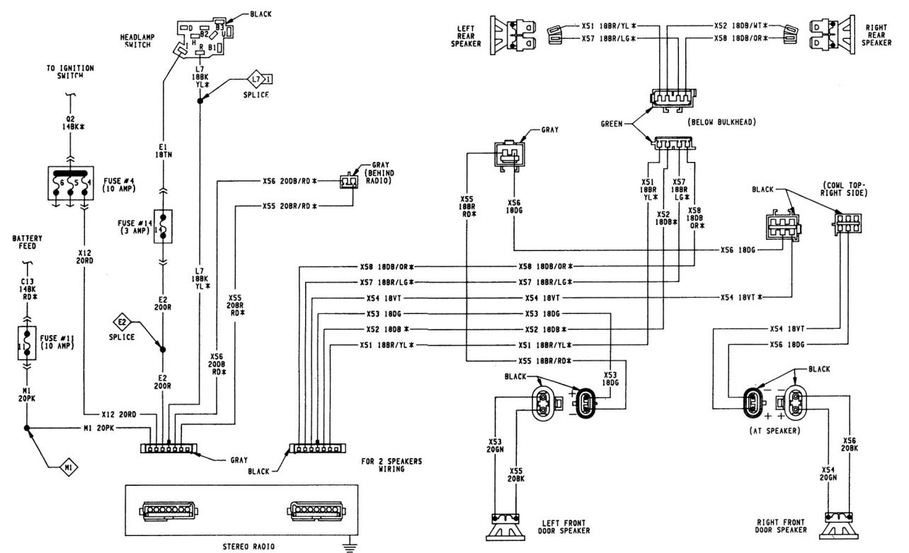
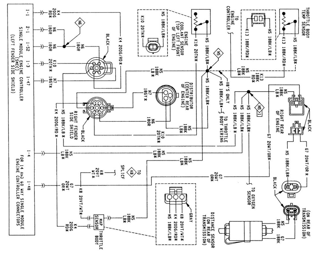
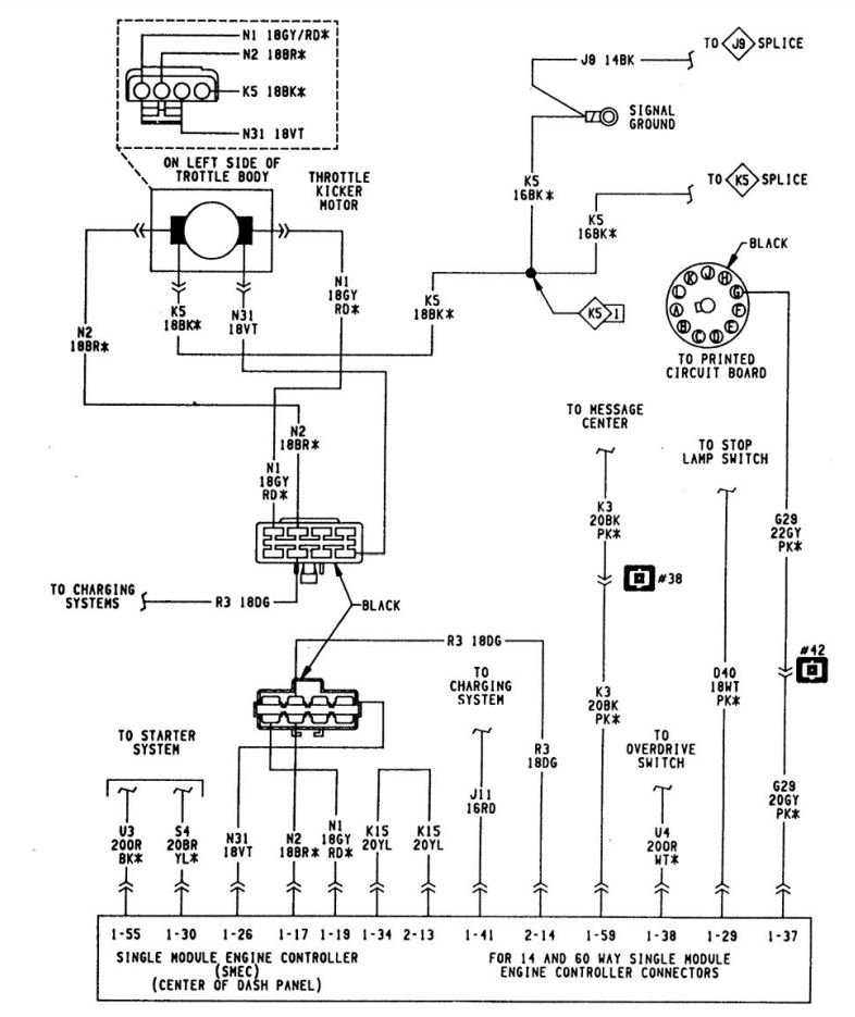
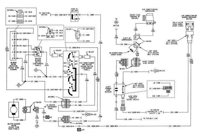
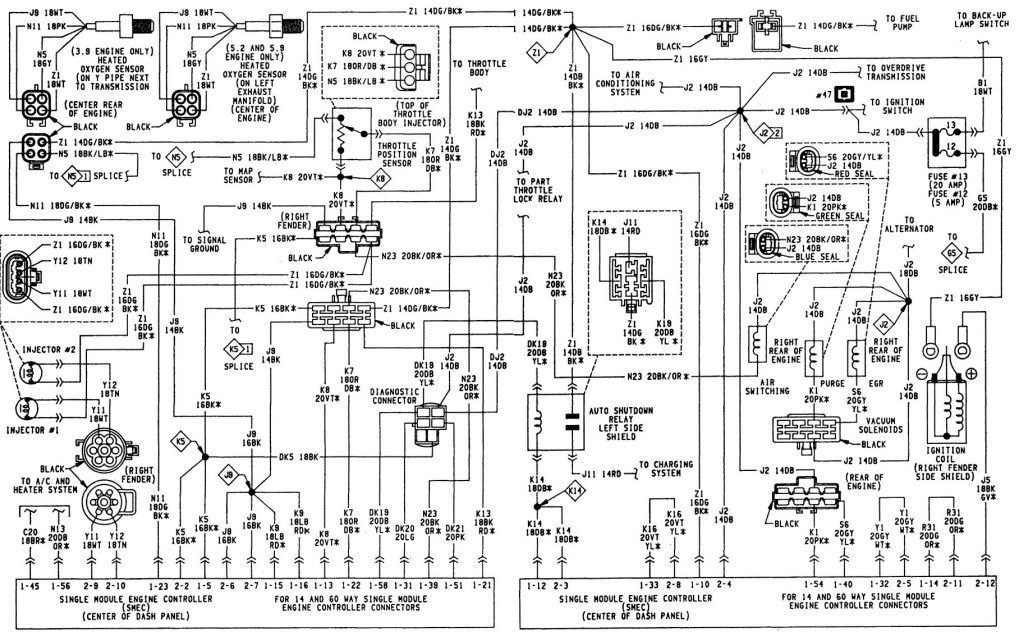
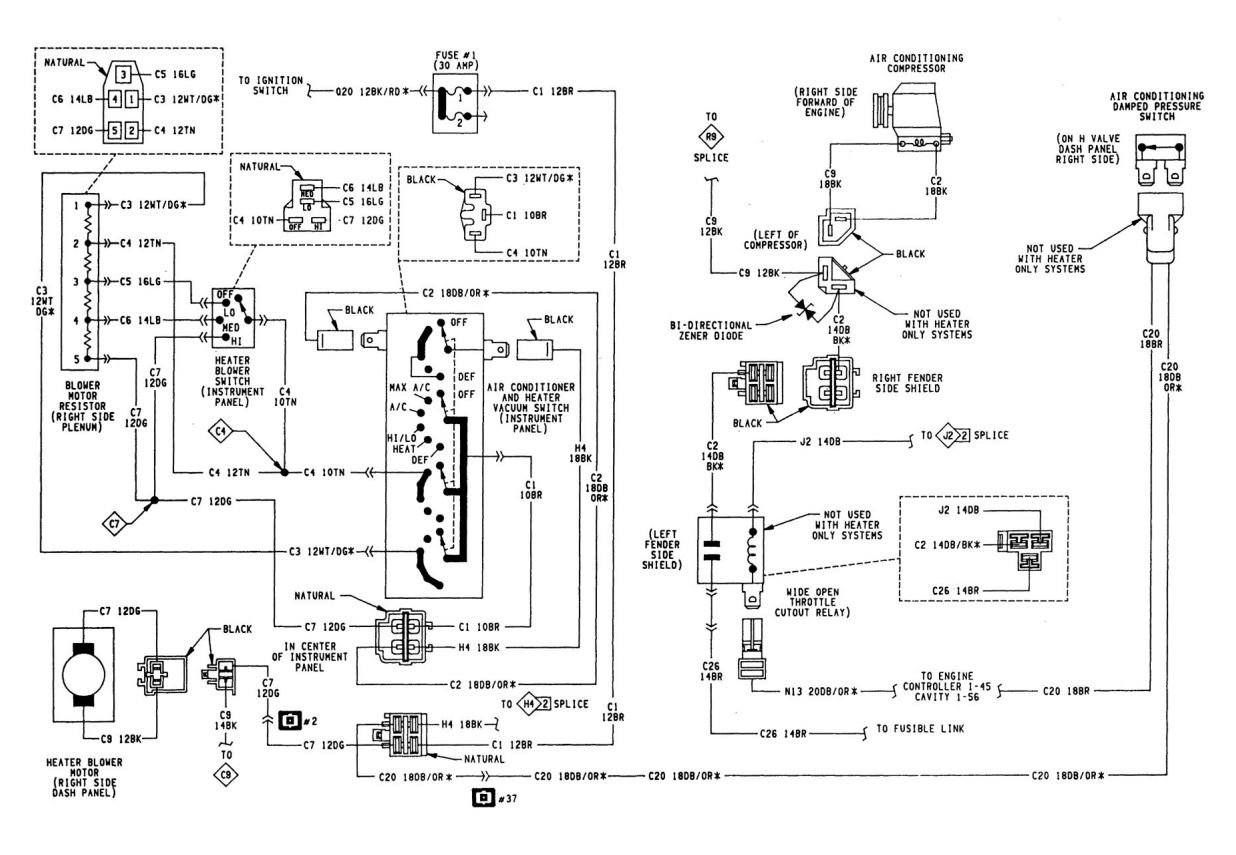
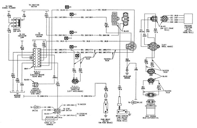
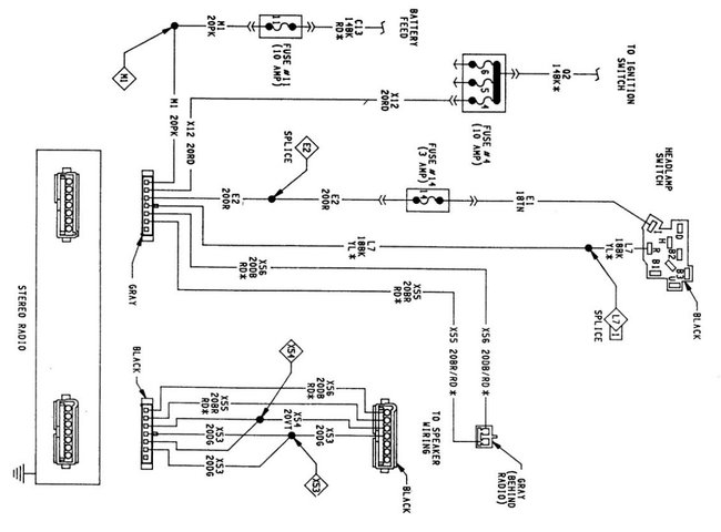
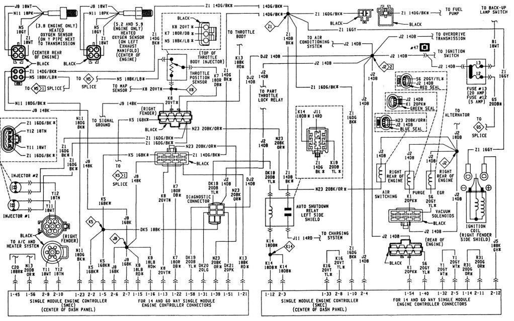
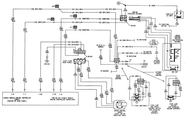
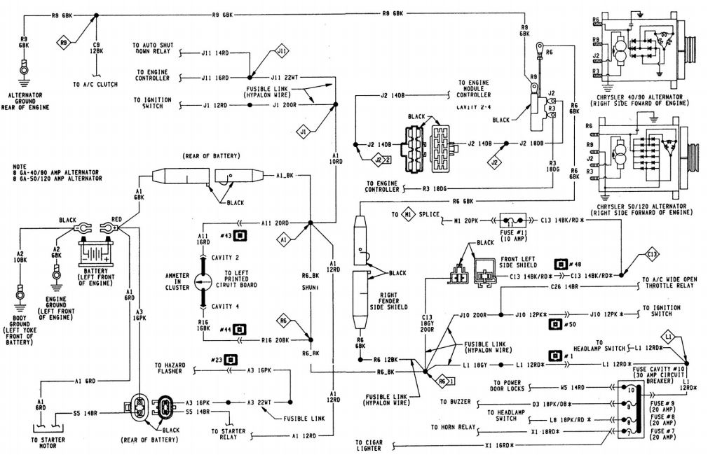
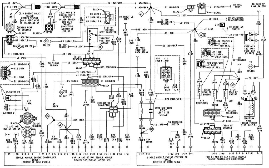
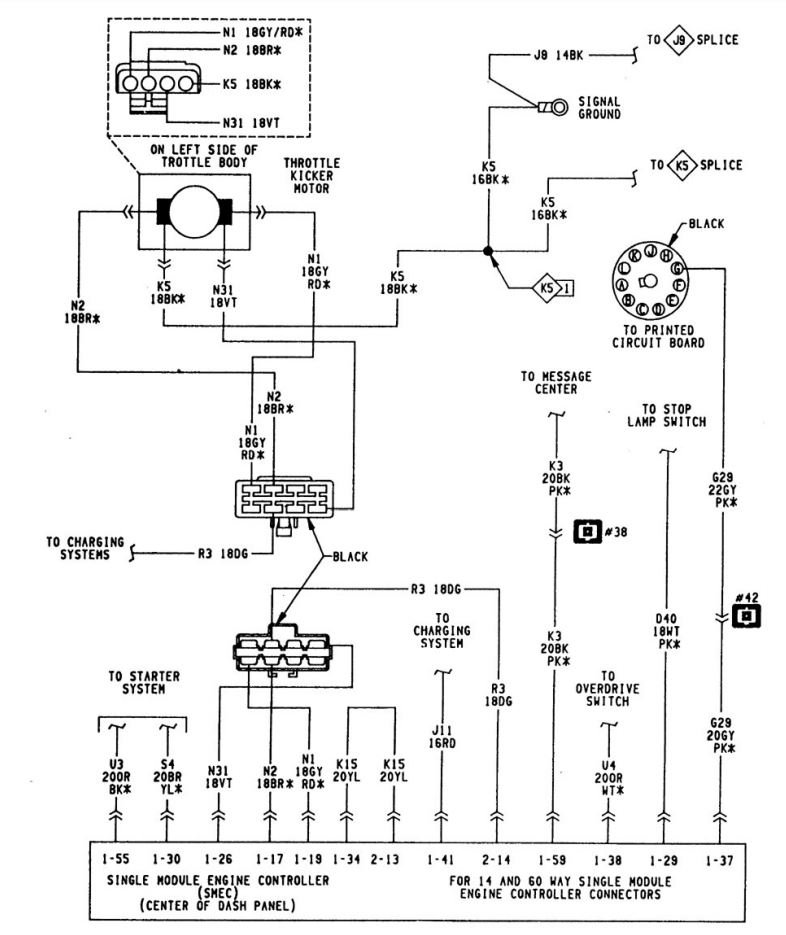
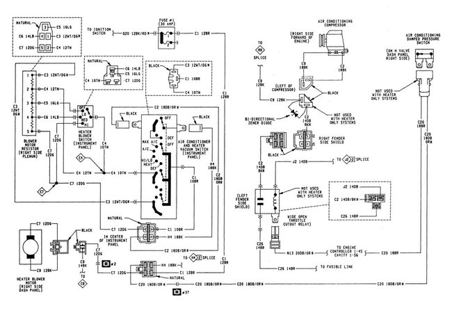
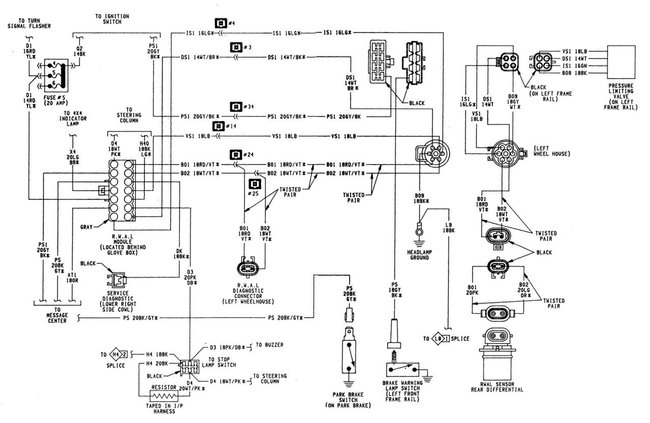
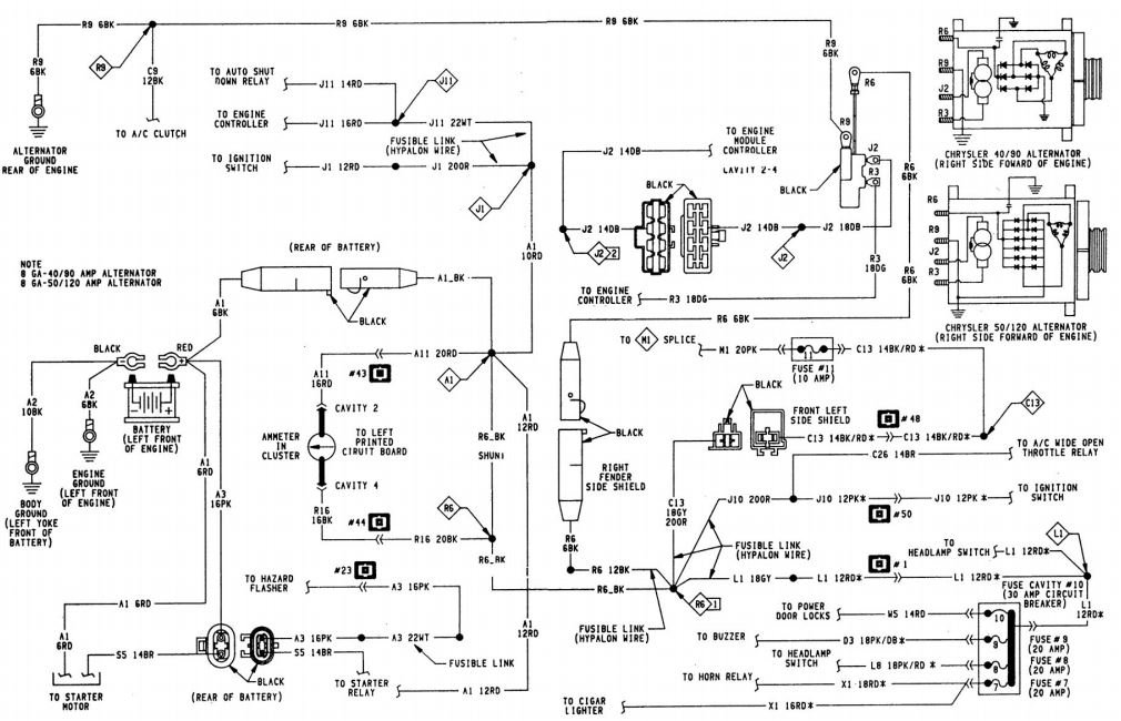
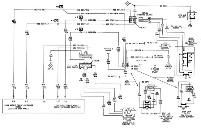
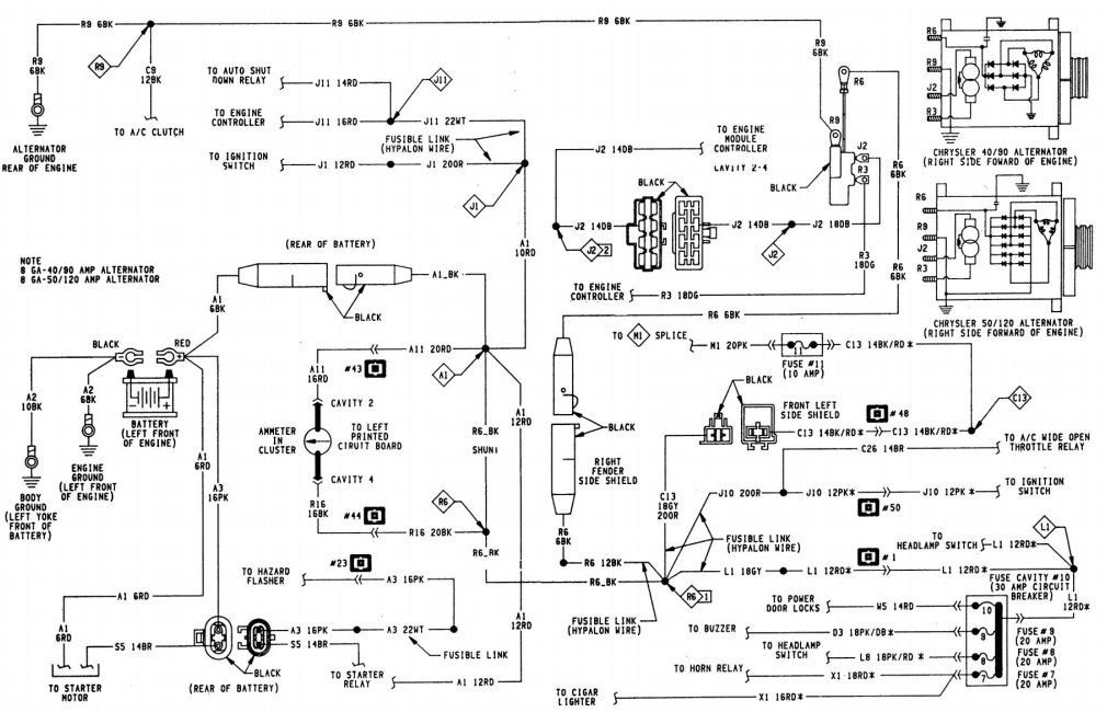
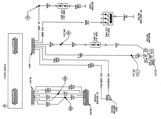
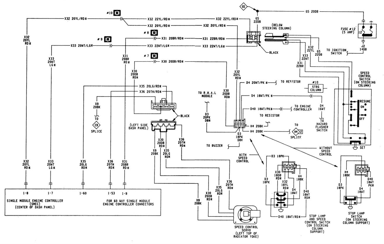
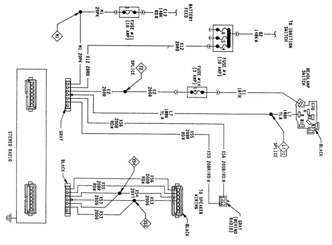
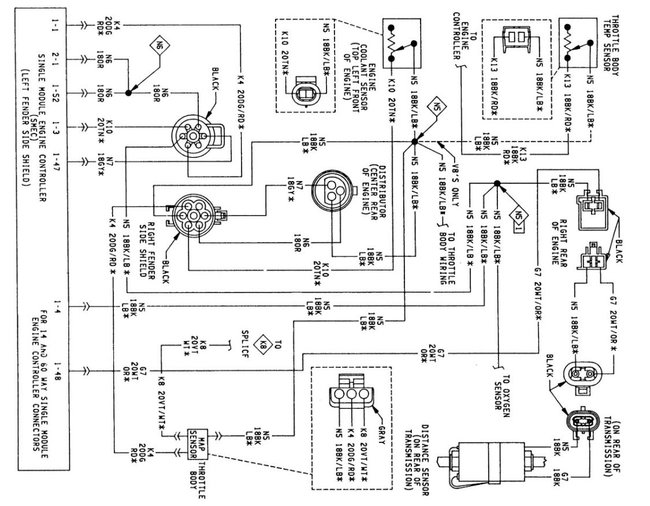
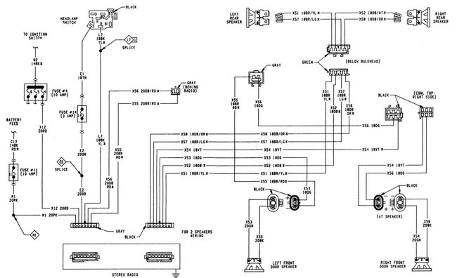
Try these. Just ignore the items that you do not have.
Images (Click to enlarge)
Jun 18, 2018 at 11:14 AM
JERICHO HOUSMAN
MEMBER
4 POSTS
So the other day I was changing out the starter fuel pump relays, put in some new ones. Well, I accidentally put a third one in the thinking about it now, I have no fuel pump, no starter, no anything. Smell smoke burnt spot on the fender, but I cannot find the wire. Did I fry the ECM ECU out or something else? Thank you, I would appreciate it very quick responses and try to get this thing on the road.
Jun 20, 2018 at 10:42 AM
(Merged)
STRAILER
CERTIFIED EXPERT
53,854 POSTS
It sounds like it, I would go over all the engine computer wiring before plugging in a different one.