Hi,
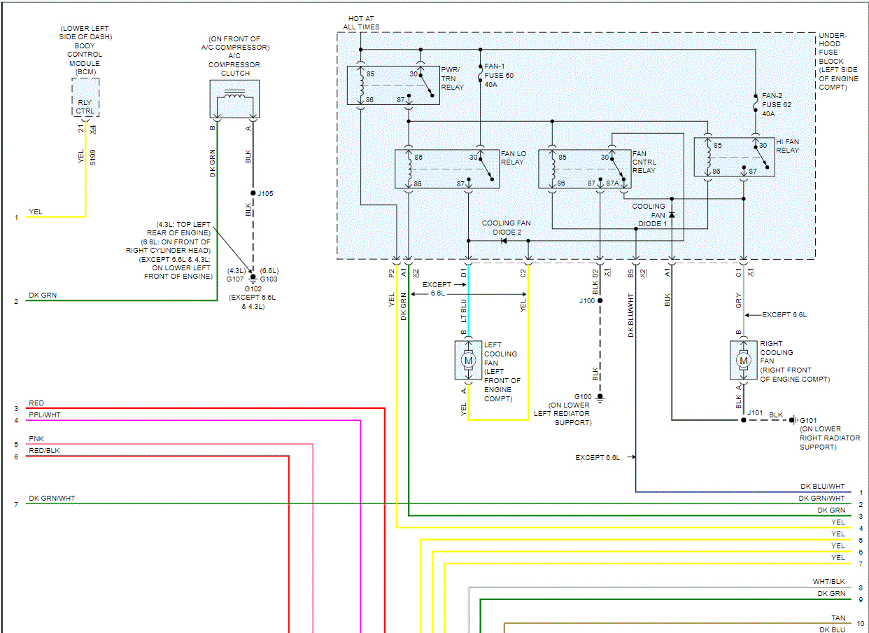
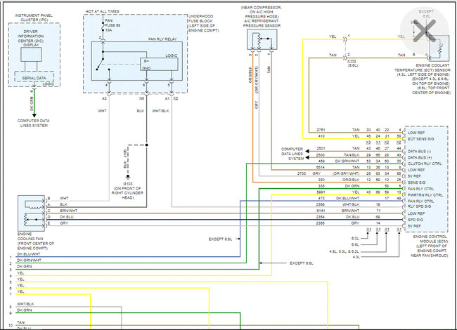
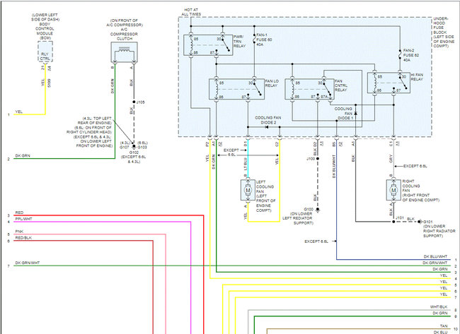
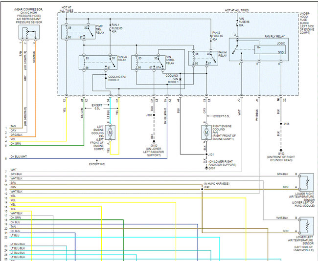
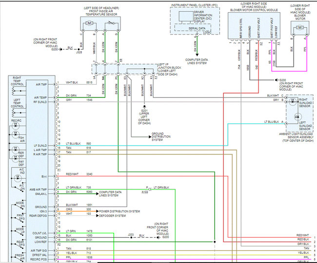
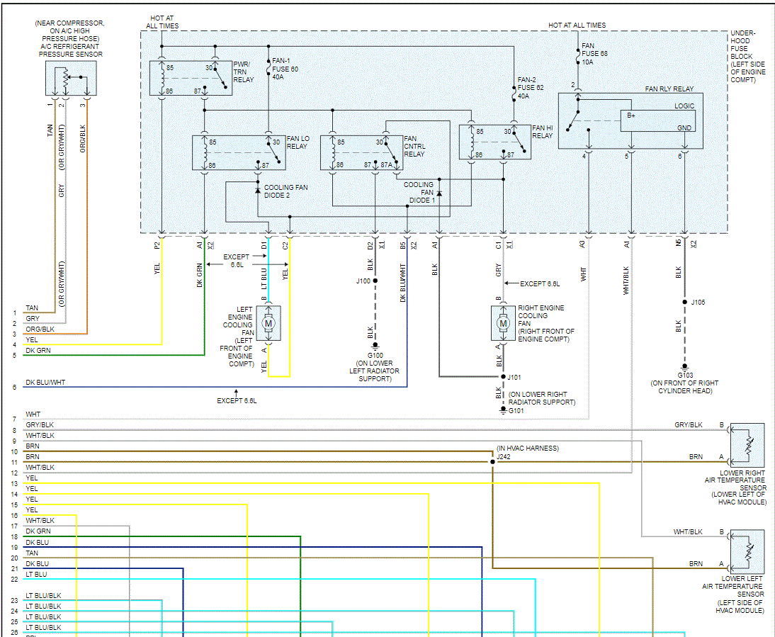
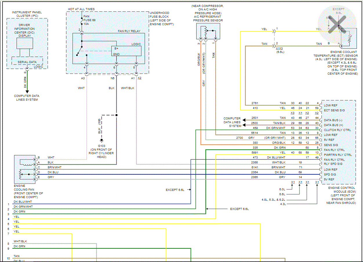
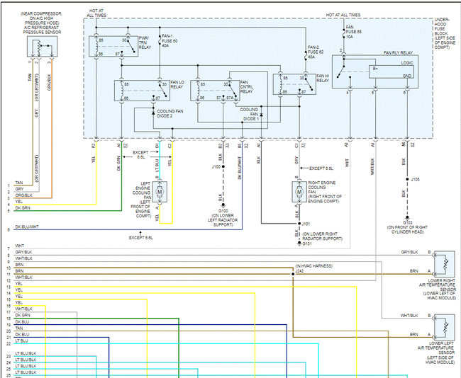
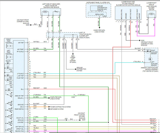
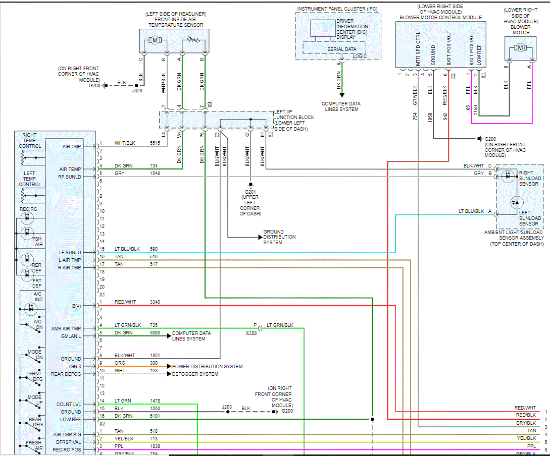
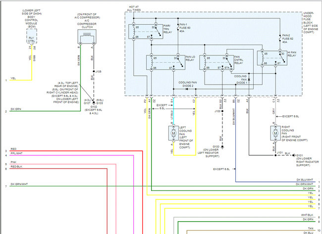
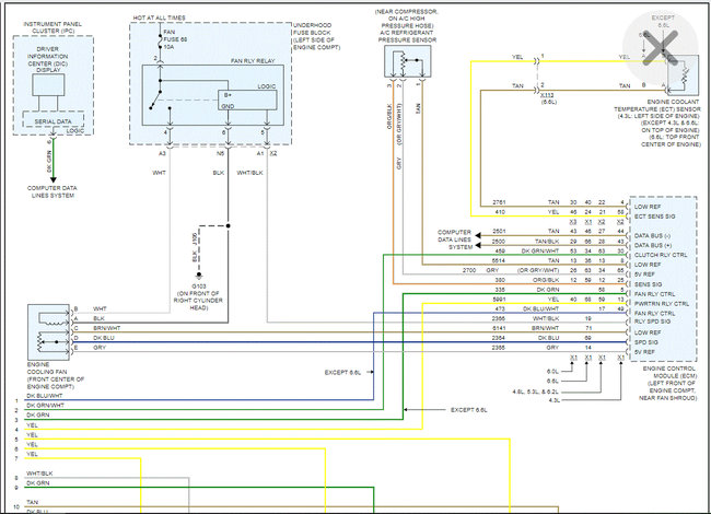
I attached the entire schematic for the HVAC system. The first six pics are for a manual climate control. The remaining pics are for automatic climate control. Note, if this is a hybrid, let me know.
Here is a link you may find helpful:
https://www.2carpros.com/articles/how-to-check-wiring
I had to cut the pics in half to make them readable. I did overlap them so you can follow easier.
I hope this helps. Let me know if you have other questions.
Take care,
Joe
Images (Click to enlarge)
Mar 22, 2021 at 7:23 PM