wiring Diagram for transmission connector?

2017 HYUNDAI SANTA FE
23,456 MILES • 2.4L • 4 CYL • 4WD • MANUAL
Avatar
ANDRIN ATEM
  • MEMBER
  • 393 POSTS
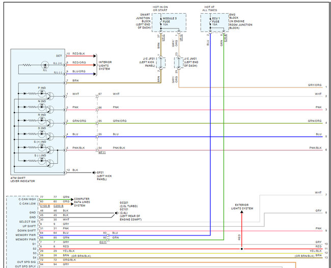
please need Diagram for transmission connector and the pinout for transmission switch range sensor. Thanks!
Jun 28, 2025 at 2:37 PM
Advertisement
Avatar
STRAILER
  • CERTIFIED EXPERT
  • 53,854 POSTS
They don't give us the pi outs bad here is the wiring daigrams for the transmission which include the range sensor. Check out the images (below). Let us know if you need anything else.
Jun 29, 2025 at 10:23 AM
Avatar
ANDRIN ATEM
  • MEMBER
  • 393 POSTS
Thank you Ken, this will help out.
Jun 29, 2025 at 11:32 AM
Advertisement
Avatar
STRAILER
  • CERTIFIED EXPERT
  • 53,854 POSTS
You are welcome, please use 2CarPros anytime.
Jun 30, 2025 at 9:59 AM