Joe,
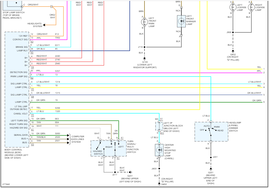
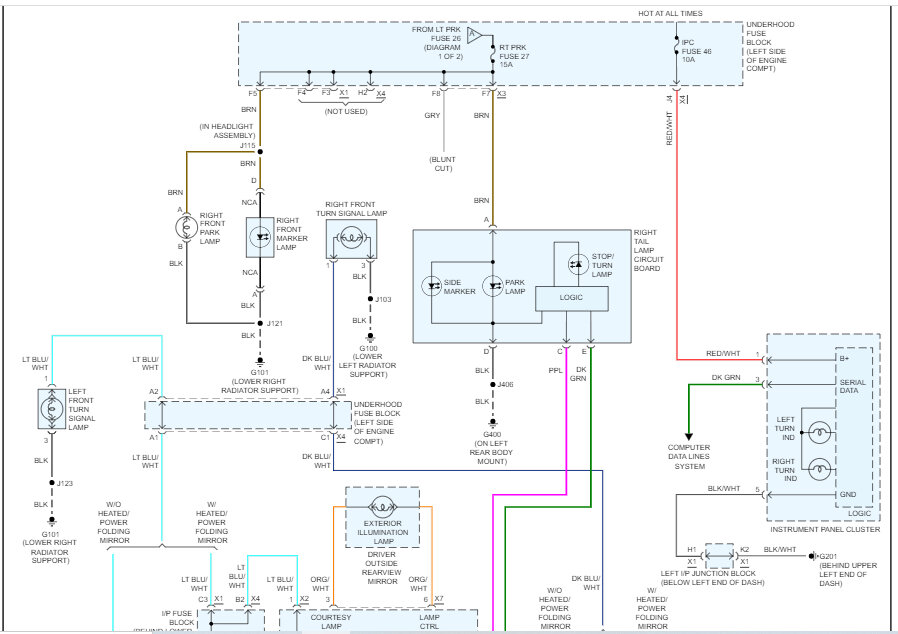
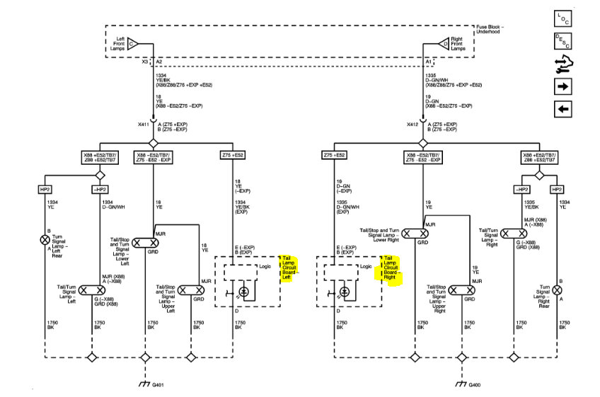
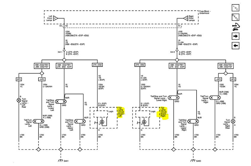
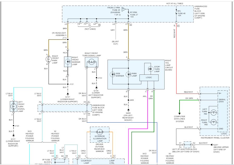
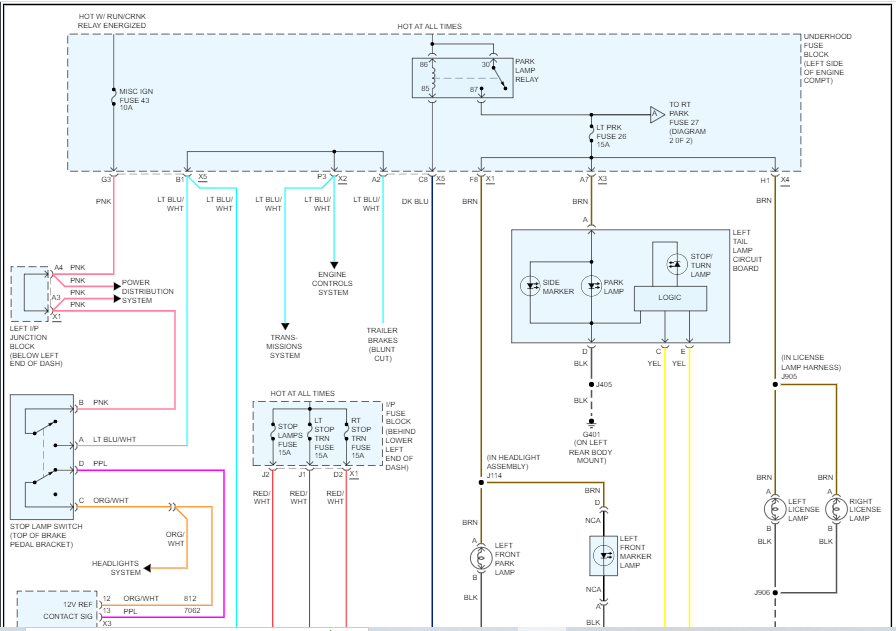
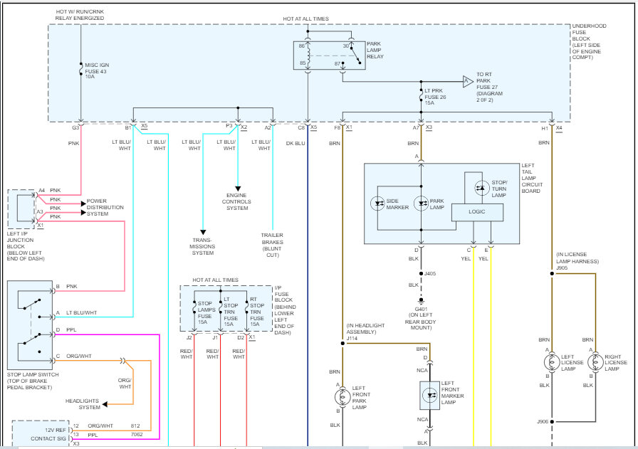
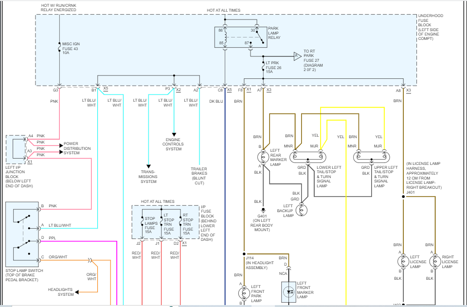
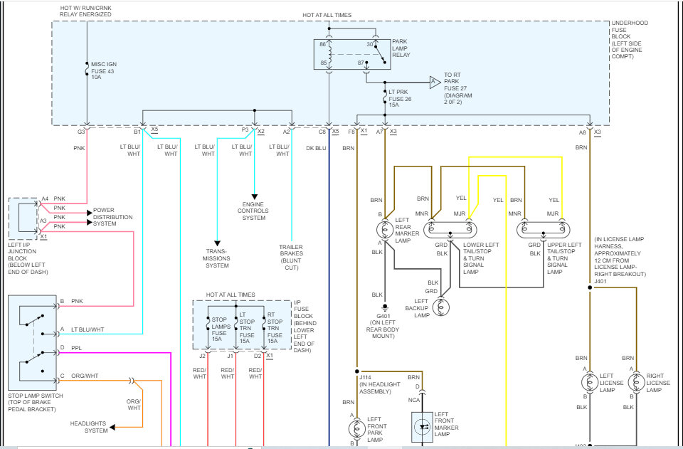
Thank you so much, that was exactly what I needed. I never thought those circuits would be fused but they are - apparently, for the electronics inside the taillights - and I went to check the fuses first. Unfortunately, they are good so it's something else. From your diagram I see that each taillight has a built-in circuit board - that one I could have easily guessed alright - but:
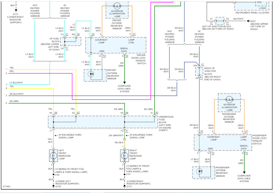
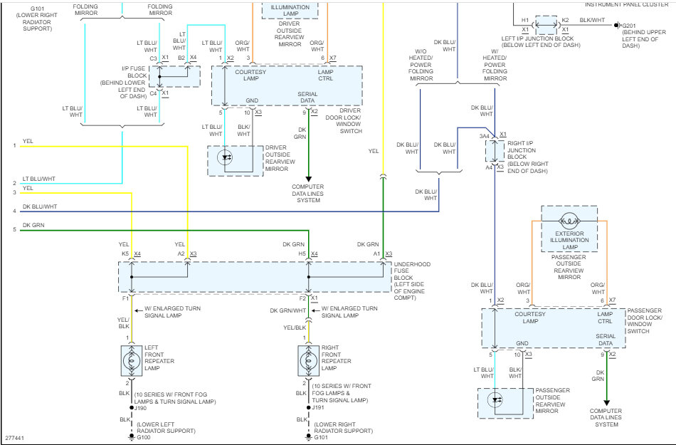
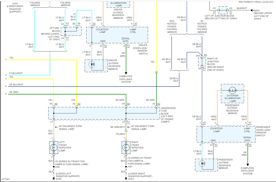
I can't really recognize the wiring that goes in and out of the taillights. On both sides of the car, I have the same set of 5 colors and if I do a voltmeter test, I can see which wire is for the brake (stop light) and which is for the turn signal. This is not what I see on your diagram.
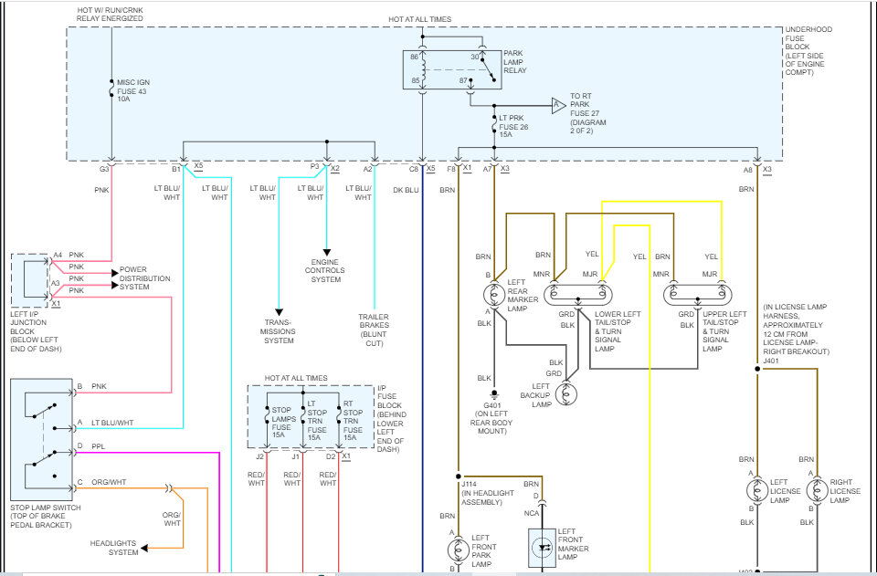
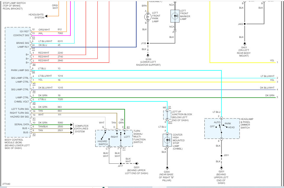
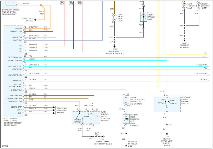
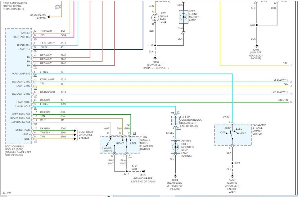
So, if there's a common signal that gets distributed inside the taillight circuit board to different functions, I have the taillights working, only the stop lights/turn signals are not. This brings me to the theory that the issue could be in the fuses wiring because those fuses are the only element in the whole chain that matches the problem exactly. Again, fuses are good so I'm thinking of measuring voltage at them as well as the corresponding pins on the BCM.
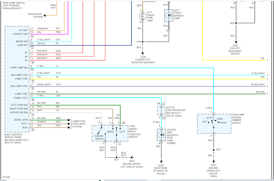
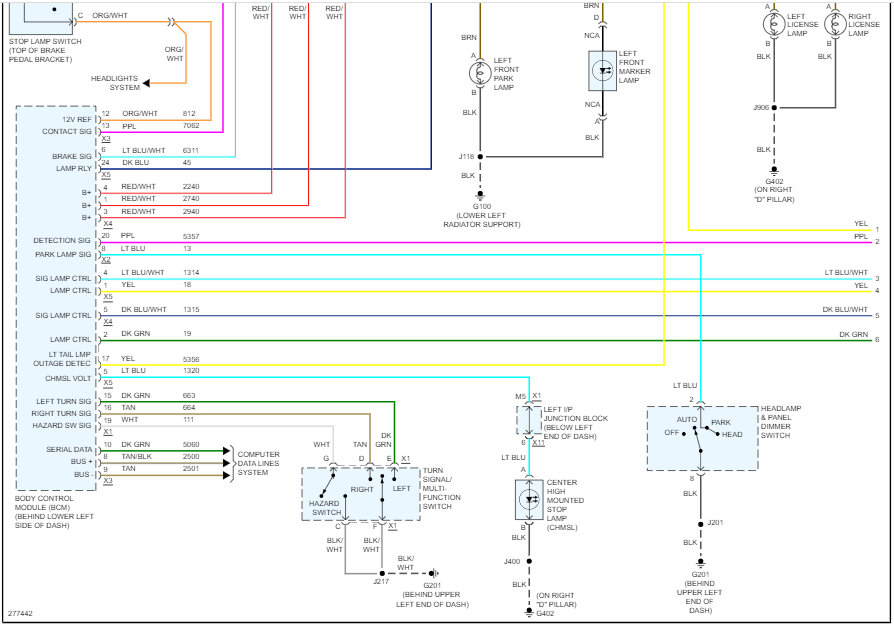
So, my question to you is this: I see the pins are #1 and #3; would you happen to have the pinout or even just the numbering on the BCM? I don't even know where it's located yet but I'll find it, I just need to know which pins to measure at.
If you have any other thoughts; please feel free to share them.
Thank you.
Jan 24, 2023 at 6:59 AM