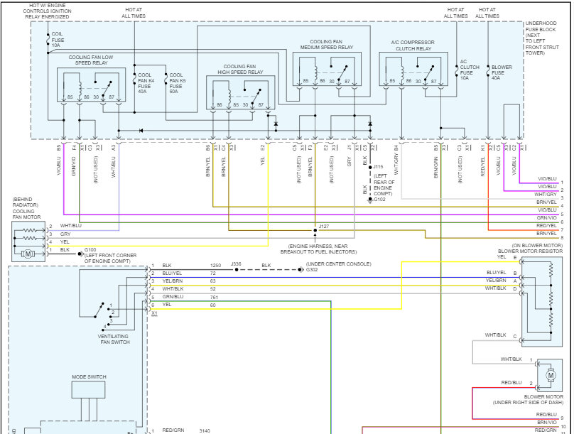
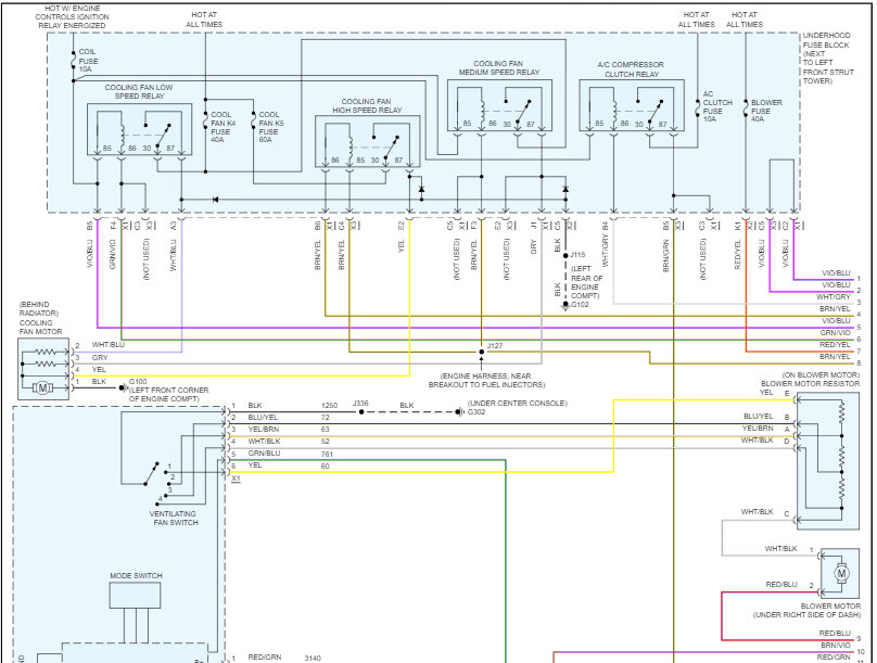
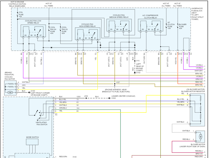
field mice ate my A/C wires. I can't find any video that shows how to rewire the A/C wires, or where they go to or come from. Do you have a video for this problem?
Jul 11, 2023 at 4:08 PM








