Alternator installation instructions needed

1993 CHRYSLER FIFTH AVENUE
137,000 MILES • 3.8L • 6 CYL • 2WD • AUTOMATIC
Avatar
ROSEKELLER987
  • MEMBER
  • 3 POSTS
Alternator wiring how to hook it up.
Jan 8, 2020 at 1:08 PM
Advertisement
Avatar
ASEMASTER6371
  • CERTIFIED EXPERT
  • 52,796 POSTS
Good afternoon,

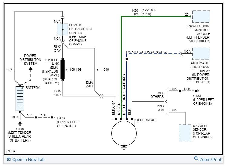
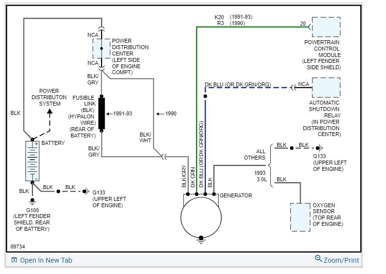
I attached the wiring diagram plus the connection view for you as well. Check out the diagrams (Below). Please let us know if you need anything else to get the problem fixed.Let me know if you have any other questions.
Jan 8, 2020 at 1:40 PM
Avatar
BILLIEJO
  • MEMBER
  • 1 POST
i am female just ordered a new alternator will be here soon. I will be doing it by myself heard it was simple need to know in detail how to remove then replace the alternator PLEASE
Dec 26, 2020 at 10:36 AM (Merged)
Advertisement
Avatar
CARADIODOC
  • CERTIFIED EXPERT
  • 34,306 POSTS
Which engine do you have? Most of the time these alternators develop worn brushes which can be replaced for around ten bucks. You can tell that by measuring the voltages on the two smaller wires on the back while the engine is running.
Dec 26, 2020 at 10:36 AM (Merged)
Avatar
JUDI TODD
  • MEMBER
  • 5 POSTS
Alternator on 1987 Chrysler 5th Ave is cranking out 20 volts and burned out battery. New battery installed and still alt. cranking 20 volts. Does this car have a votage regulator that can be replaced? Or an EMC?
Dec 26, 2020 at 10:37 AM (Merged)
Avatar
SATURNTECH9
  • CERTIFIED EXPERT
  • 30,869 POSTS
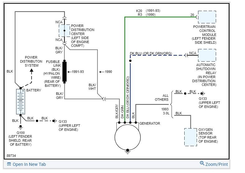
It's a external voltage regulator then can be replaced.I posted a diagram of where it is.
Dec 26, 2020 at 10:37 AM (Merged)
Avatar
JUDI TODD
  • MEMBER
  • 5 POSTS
Thank you very much for your quick answer. This is what I was hoping, as my son can replace it for me now. I sure appreciate your answer. Merry Christmas to you. Judi
Dec 26, 2020 at 10:37 AM (Merged)
Avatar
JUDI TODD
  • MEMBER
  • 5 POSTS
Thank ou saturntech9. Your answer is very much appreciated. Merry Christmas.....Judi
Dec 26, 2020 at 10:37 AM (Merged)
Avatar
SATURNTECH9
  • CERTIFIED EXPERT
  • 30,869 POSTS
Your welcome hope you had a merry christmas.
Dec 26, 2020 at 10:37 AM (Merged)
Avatar
JUDI TODD
  • MEMBER
  • 5 POSTS
My son wanted me to ask you also, if pretty much it sounds like it IS the voltage regulator that is causing the alternator to crank out 20 volts instead of 12 to 13? I mean, it seems like that would be the only thing that it could be. What is an (and I might get this wrong), EMI or EMC? Or if the car has an external VR, it doesn't have this other EMI or EMC? Thanks again for helping with this.
Dec 26, 2020 at 10:37 AM (Merged)
Avatar
SATURNTECH9
  • CERTIFIED EXPERT
  • 30,869 POSTS
You have a external voltage regulator i posted the wire diagram to show you that.I also posted how to test the voltage regulator to see if it's bad.You could have a bad voltage regulator but i would do the test i posted to make sure that's what the problem is.
Dec 26, 2020 at 10:37 AM (Merged)
Avatar
JUDI TODD
  • MEMBER
  • 5 POSTS
Thank you again for your help. I will forward this info to my son. Again, Happy Holidays! Judi
Dec 26, 2020 at 10:37 AM (Merged)
Avatar
SATURNTECH9
  • CERTIFIED EXPERT
  • 30,869 POSTS
Your welcome that's what were here for happy holidays to you too.'
Dec 26, 2020 at 10:37 AM (Merged)