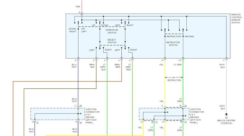
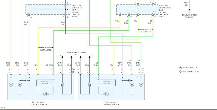
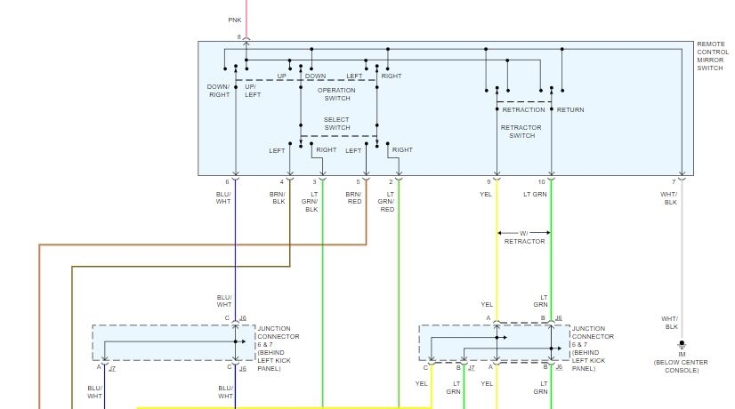
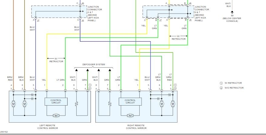
If possible I would like to know the wire colors on the pigtail for the plug going to the side view mirrors. I have the mirrors that fold in and are not heated. Thanks
Feb 9, 2019 at 7:07 PM

