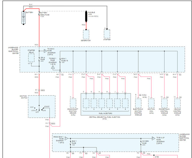
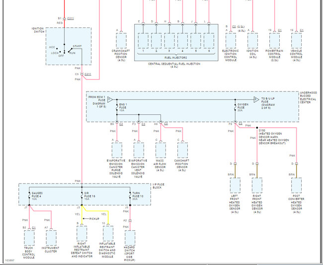
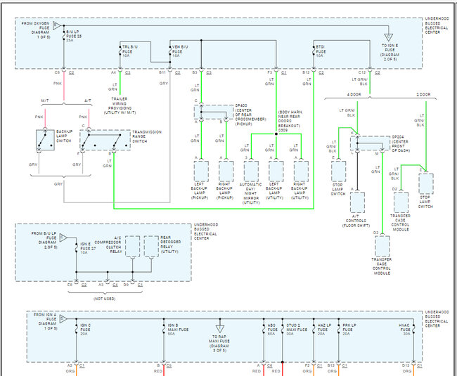
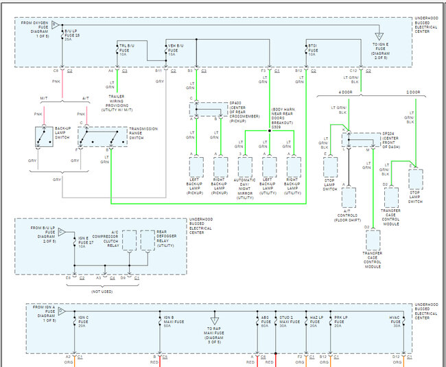
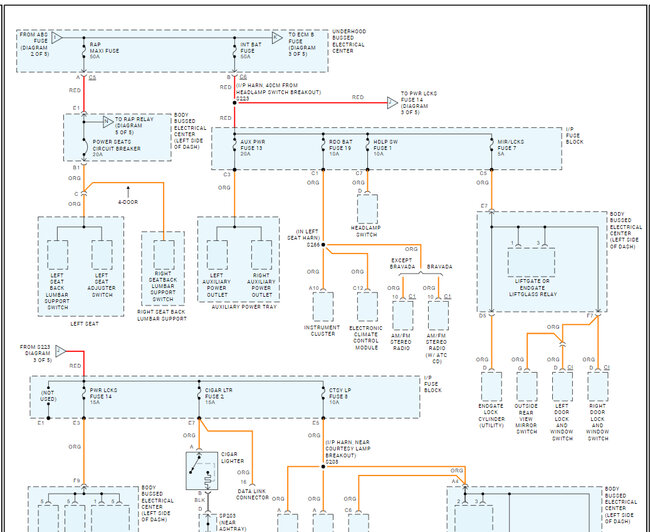
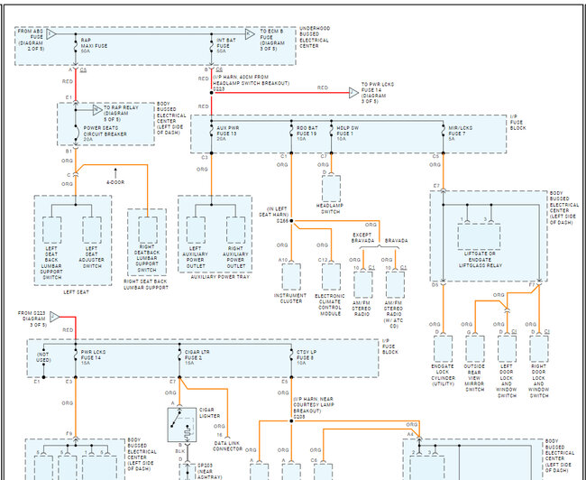
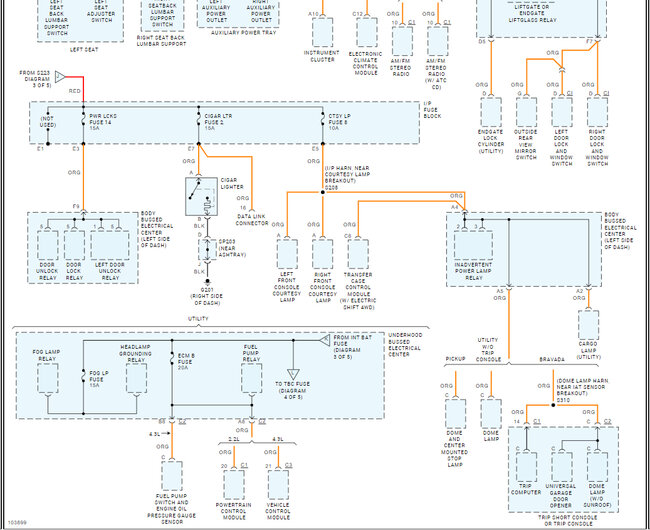
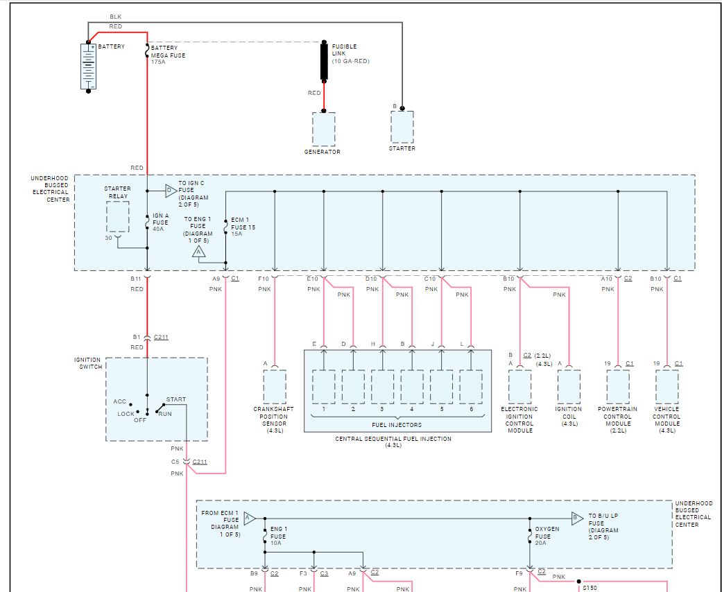
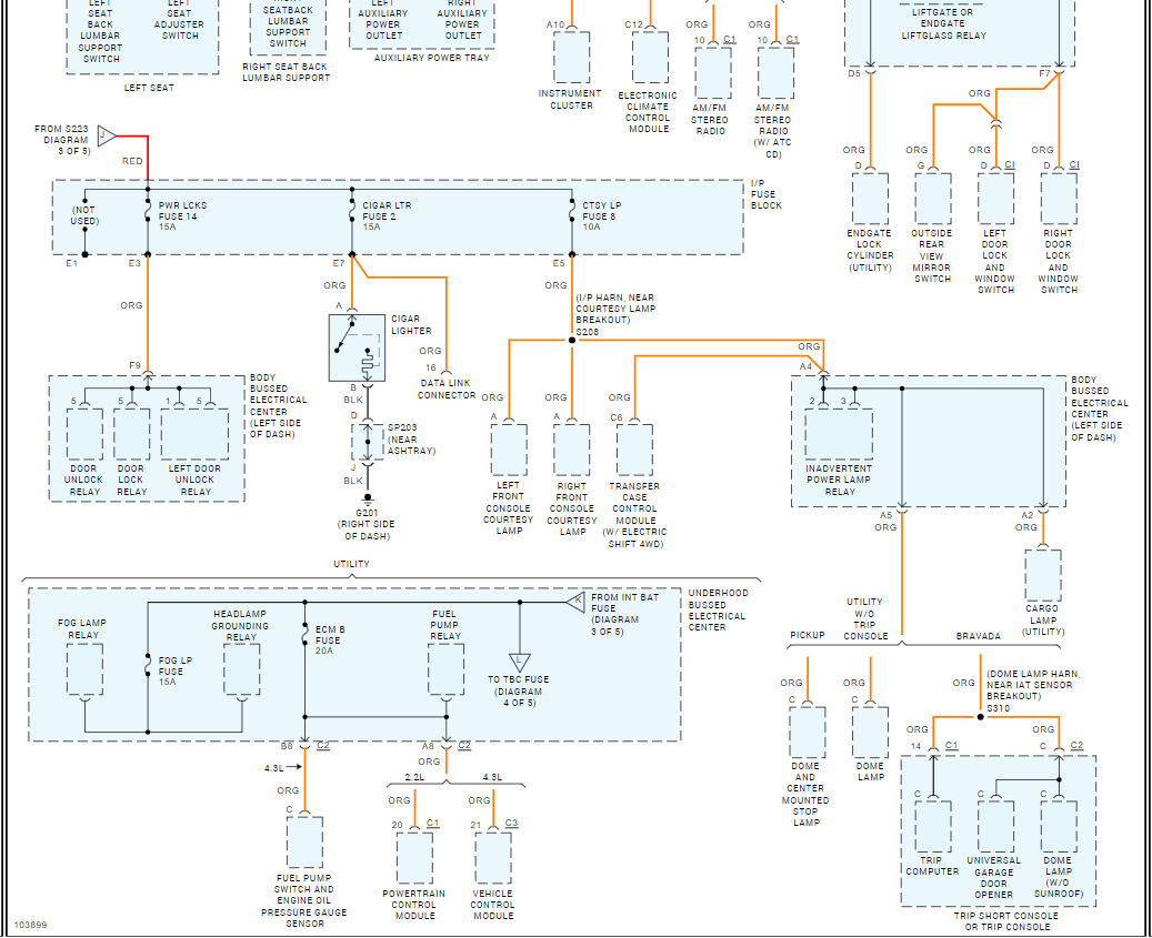
The wiring harness fried have a doner harness from a 2001 s10 2.2 and need computer and fuse block pinouts and harness pinouts for computer, please. any help is great.
Aug 23, 2024 at 5:06 AM















