My brake lights no longer turn on, need wiring diagrams please?

1998 MAZDA PROTEGE
238,675 MILES • 1.7L • 4 CYL • 2WD • AUTOMATIC
Avatar
MALINA7
  • MEMBER
  • 22 POSTS
My brake lights no longer come on and it's because of the wires under the dash. I'm just not sure which wire it is. Also, the parking lights don't come on for the same reason.
Oct 19, 2022 at 6:53 AM
Advertisement
Avatar
STRAILER
  • CERTIFIED EXPERT
  • 53,854 POSTS
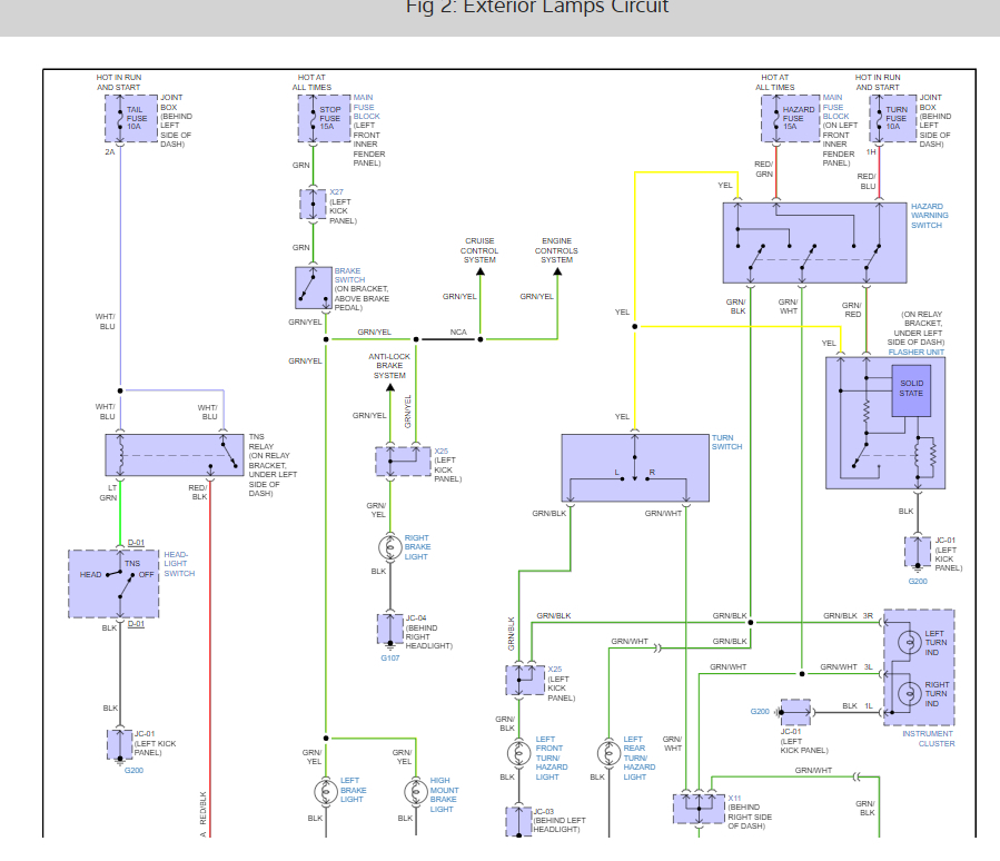
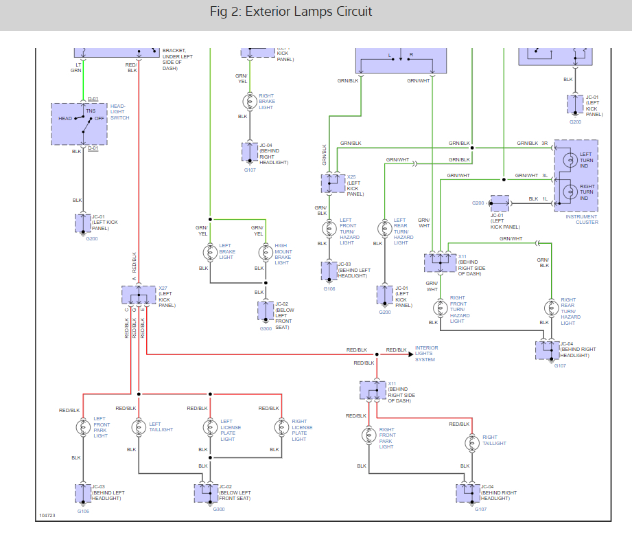
Here is a guide to help you check the wiring and the brake light and running light wiring diagrams so you can see how they work and which wires to test.

https://www.2carpros.com/articles/how-to-check-wiring

Check out the images (below). Please let us know if you need anything else to get the problem fixed.
Oct 19, 2022 at 10:38 AM