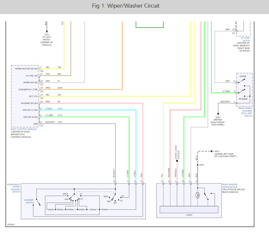
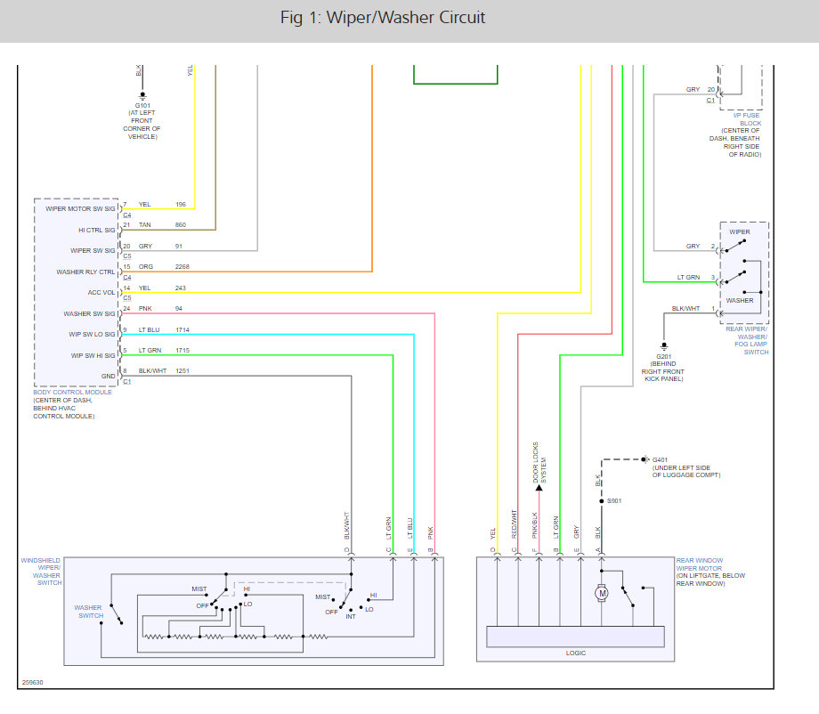
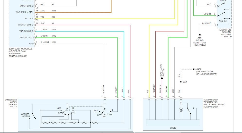
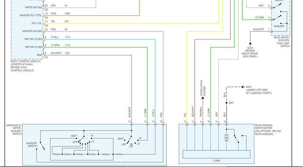
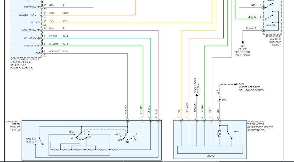
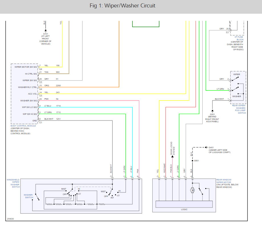
Girlfriend's dog chewed the wiper control switch off . I’m attempting to reattach it, but I need a wiring diagram that shows where the wires that come out of the steering column attached to the motherboard in the wiper control switch.
Feb 17, 2020 at 1:43 PM





