i need to know the wiring colors to the starter solenoid. i have two yellow wires and red wire. e250 econoline.
Jan 31, 2018 at 2:07 PM
Advertisement
PATENTED_REPAIR_PRO
CERTIFIED EXPERT
1,853 POSTS
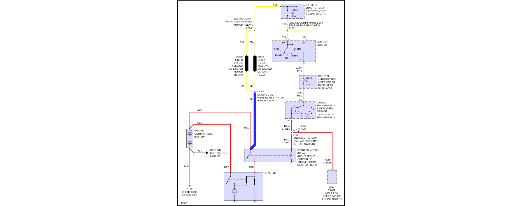
here is the wiring diagram. The two yellow wires are supposed to be spliced together at that splice S1009 which is near the relay. Check out the diagrams (Below). Please let us know if you need anything else to get the problem fixed.