everything seems to work except cluster and my blinkers?

1998 CHEVROLET S-10
200,000 MILES • 2.2L • 4 CYL • 2WD • AUTOMATIC
Avatar
FRANK17
  • MEMBER
  • 6 POSTS
To start off thanks for the help on the last couple questions got the wiring harness in and everything seems to work except 2 things my cluster and my blinkers. My hazards turn on but my blinkers aren’t having it and my cluster shows battery and prndl and that’s it so can anyone point me in the direction of what wire I need to find to send power to those two things from my engine bay? Thank in advance
Aug 26, 2024 at 4:18 PM
Advertisement
Avatar
STRAILER
  • CERTIFIED EXPERT
  • 53,854 POSTS
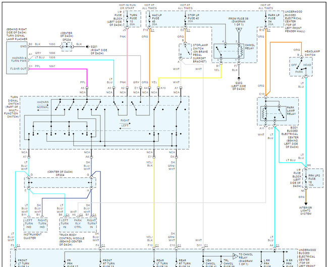
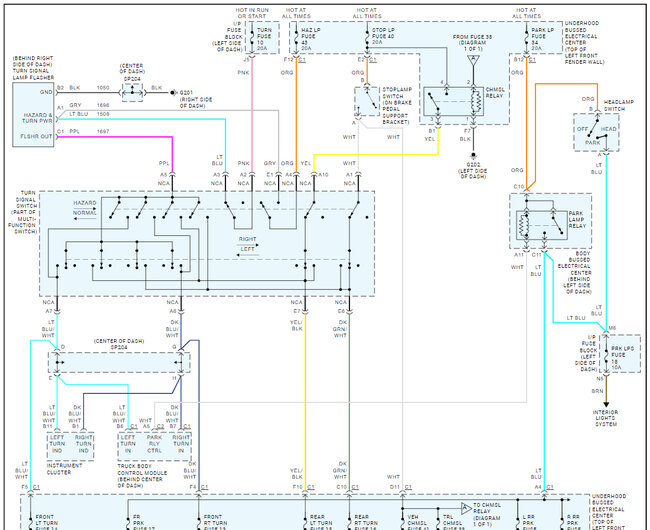
Here are the fuses that run the system and I would check the ground at the rear side of the dash which will complete the circuit for the cluster.

Here is a guide to help with the fuse and power testing:

https://www.2carpros.com/articles/how-to-check-a-car-fuse

Here are the fuses and wiring diagrams so you can see which fuses to test and how the systems work. Check out the images (below). Let us know what you find.
Aug 27, 2024 at 9:35 AM
Avatar
FRANK17
  • MEMBER
  • 6 POSTS
Thanks, I will update if I find anything new.
Aug 27, 2024 at 1:43 PM
Advertisement