wiring diagram for the fuse 37?

2003 PONTIAC GRAND PRIX
227,910 MILES • 3.1L • 6 CYL • 2WD • AUTOMATIC
Avatar
JOHNNYBRAVO73
  • MEMBER
  • 3 POSTS
My dash lights, parking lights, tag lights cut off completely unless I tap or move my underwood fuse box. A wiring diagram for the fuse 37 would be a great help.
Jul 12, 2025 at 1:51 AM
Advertisement
Avatar
AL514
  • CERTIFIED EXPERT
  • 5,465 POSTS
Hello, we can provide the wiring diagram needed, but if you're able to tap on the under-hood fuse panel and get things working, it sounds like you're in the trouble area already, to begin with I would check the connectors on the bottom of the fuse box for any corrosion or loose connectors. Same with the fuses in that box, look at the pins that hold the fuses for any green corrosion as well. Ill grab the wiring diagrams for the power distribution for you.
Jul 12, 2025 at 11:57 AM
Avatar
AL514
  • CERTIFIED EXPERT
  • 5,465 POSTS
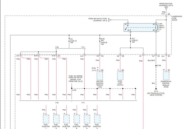
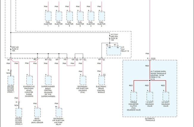
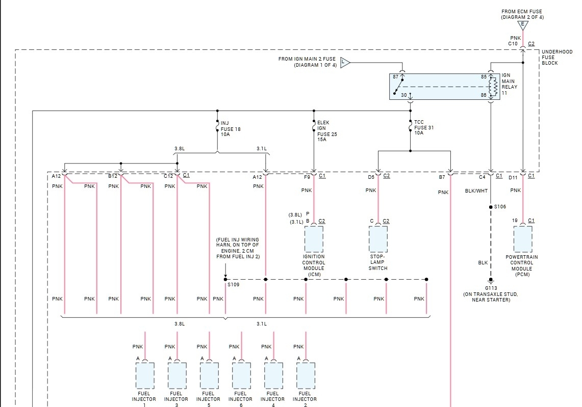
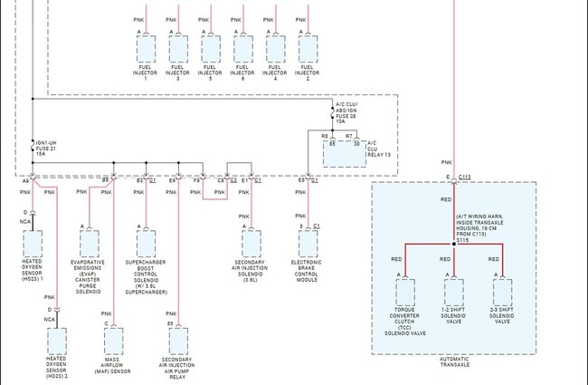
These are the Power Distribution wiring diagrams, diagram 1,2 (top and bottom) and so on. There are 4 pages in total, Fuse 37 is indicated in the first diagram. But inside these fuse boxes there are soldered traces which run power to each fuse and relay, so there is most likely a broke solder trace inside the fuse box if you don't find any corroded connectors on the bottom of the fuse box. If you are experience in soldering, sometimes you can take these boxes apart and re-solder the broke trace. You will need to take a picture of all the fuse locations to make sure everything goes back to its original place. Let us know what you find.
Jul 12, 2025 at 12:26 PM
Advertisement
Avatar
JOHNNYBRAVO73
  • MEMBER
  • 3 POSTS
You're exactly right. It was a wire under or within the the under hood fuse box , with the back pulled off, that went to no fuse at all. It was burnt and needed repair. Easy fix. But really cool you hit the nail on the head with that. Heat being an issue on this car. Have done head gaskets and went through the over heating issues that go with it. So much heat in fact heads were warped and couldn't get the 11 foot pounds of torque on the valves. I went with 3.4 heads on it. But the overheating had taken its toll. Radiator issues with oil in coolant. I replaced it along with hoses. Radiator cap even went bad. Engine coolant sensor was brittle and broke easily. Cam shaft sensor wiring brittle and needed rewiring. On and on. But now it's all coming together, can't ask for a better handling car. Fun to drive. Shift kit installed. 2 1/2 exhaust pipes from y pipe back gave it a deep sound. Really love this car and although it used to be my beater project car, I drive this modified 2003 se grand prix everyday now. Thank you very for your response and amazed it was so accurate. John Simmons.
Jul 12, 2025 at 1:09 PM
Avatar
JOHNNYBRAVO73
  • MEMBER
  • 3 POSTS
And although I pulled this car out a field with tall grass growed up around it with a tractor, I did all work myself. No one but me has ever touched this car. Hehe. ;-)
Jul 12, 2025 at 1:12 PM
Avatar
AL514
  • CERTIFIED EXPERT
  • 5,465 POSTS
Sounds like you've done a ton of work to it, over heating issues always effect so much more than people tend to think, but its common to have corroded or broken wires in the engine compartment or any place that is exposed to the elements. Glad you found the issue so quick, seems like you know what you're doing.
Jul 12, 2025 at 1:13 PM
Avatar
AL514
  • CERTIFIED EXPERT
  • 5,465 POSTS
Its good to have things come together like that, especially getting something running that's been sitting for years, those are the tough ones.
Jul 12, 2025 at 1:14 PM