Transmission wiring diagram needed

2000 FORD MUSTANG
200,000 MILES • 3.8L • V6 • 2WD • AUTOMATIC
Avatar
SIREN THESAV
  • MEMBER
  • 1 POST
I need a diagram for the transmission wiring for my car. 'm installing a 4r70w 3.8 v6.
Feb 21, 2022 at 4:19 PM
Advertisement
Avatar
SQM
  • CERTIFIED EXPERT
  • 6,383 POSTS
Hello,

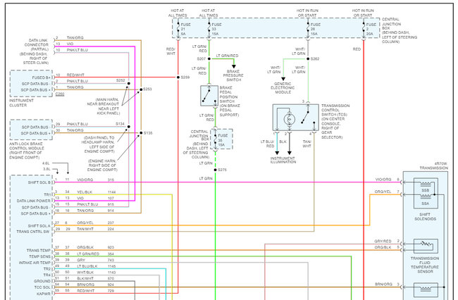
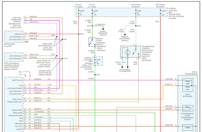
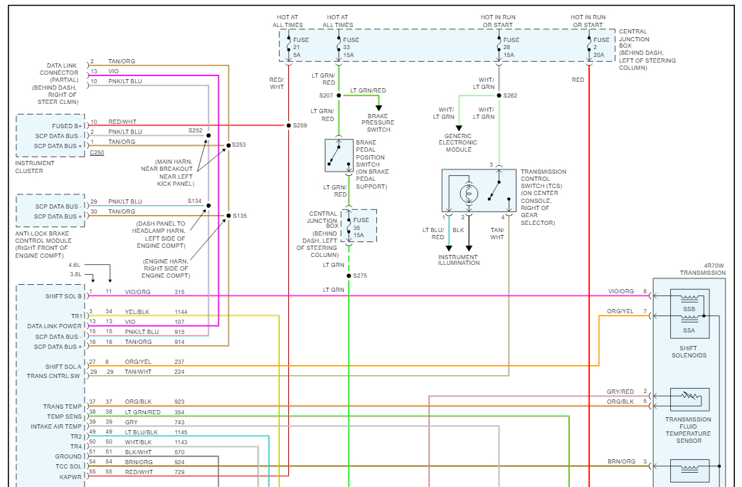
I have attached the wiring schematics for the transmission below.

https://www.2carpros.com/articles/how-to-check-wiring

I have also attached the transmission replacement procedure below.

https://www.2carpros.com/articles/how-to-remove-an-automatic-transmission-rwd

Please let me know if you have any questions.
Thank you.

Feb 21, 2022 at 9:42 PM