Wiring

1996 GMC SIERRA
246,000 MILES • 4.3L • 6 CYL • 4WD • MANUAL
Avatar
BABYJAY531
  • MEMBER
  • 89 POSTS
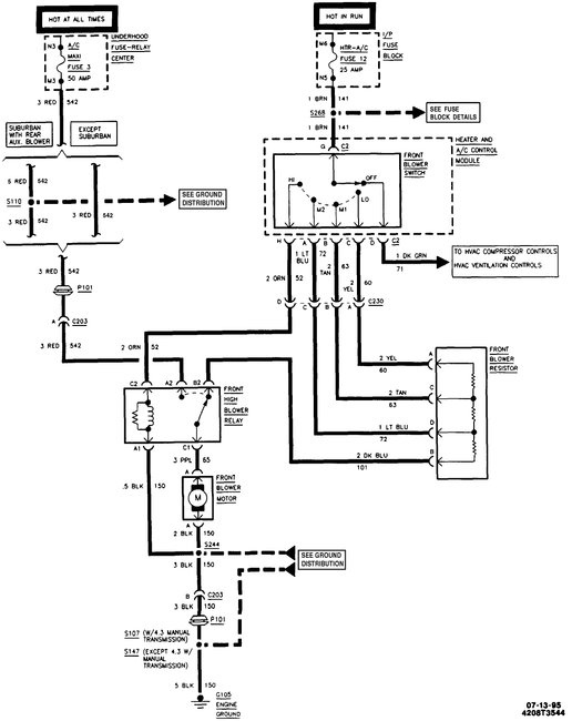
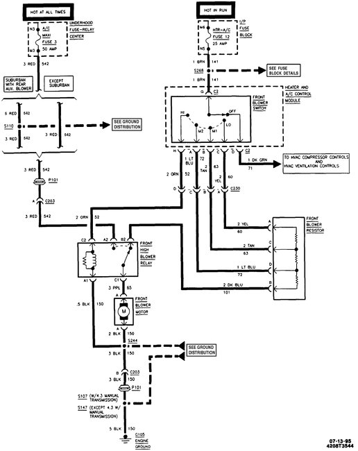
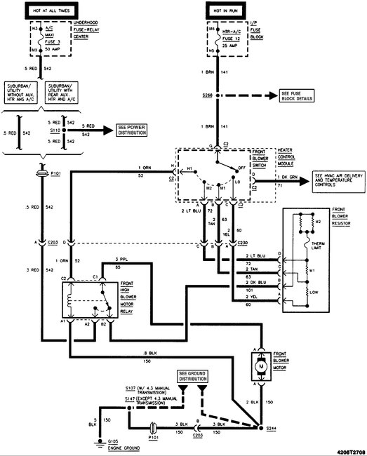
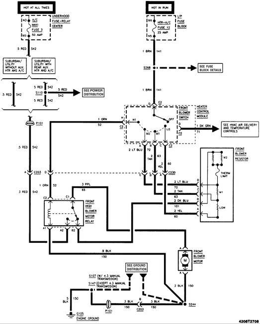
My wiring for my blower motor is wrong so I got another wiring harness for the passenger side. On the old one there is not enough of the wires the new plug has more.
Nov 24, 2017 at 1:36 PM
Advertisement
Avatar
STEVE W.
  • CERTIFIED EXPERT
  • 15,113 POSTS
Then the replacement harness is not correct. There are two versions for that truck, one has AC the other does not. The wires to the blower motor itself are simple. One power One ground. The rest depends on which control system you have and if it has AC or not.
Nov 24, 2017 at 11:32 PM
Avatar
BABYJAY531
  • MEMBER
  • 89 POSTS
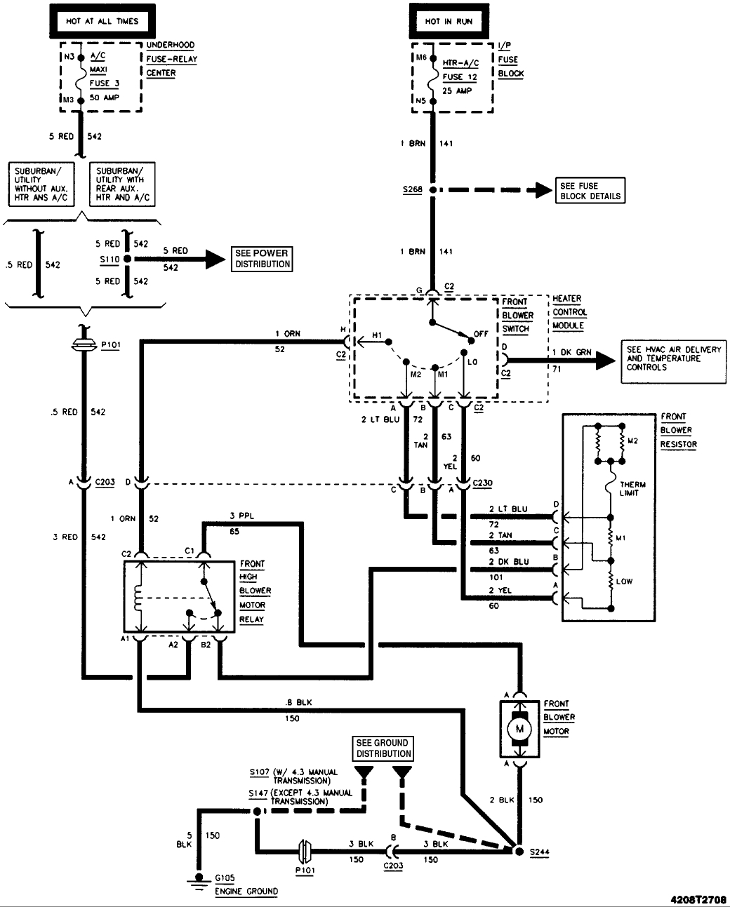
Okay, now the old wire that is like a bike brake wire the connects to the heater switch.
Nov 25, 2017 at 5:02 AM
Advertisement
Avatar
BABYJAY531
  • MEMBER
  • 89 POSTS
This goes to the heater controls.
Nov 25, 2017 at 8:48 AM
Avatar
STEVE W.
  • CERTIFIED EXPERT
  • 15,113 POSTS
That is a manual mode control cable, used on the systems that do not have AC. It is either for the heat/defrost control or the hot/cold. Depends on the part number. Should be two total.

Nov 25, 2017 at 5:46 PM
Avatar
BABYJAY531
  • MEMBER
  • 89 POSTS
Where could I buy this part at?
Nov 25, 2017 at 7:21 PM
Avatar
STEVE W.
  • CERTIFIED EXPERT
  • 15,113 POSTS
Dealer or salvage yard. I would probably opt for salvage and get the control head and cables as a unit, then you just bolt it in place.
Nov 26, 2017 at 5:53 AM
Avatar
BABYJAY531
  • MEMBER
  • 89 POSTS
Where can u get a evap box
Dec 26, 2017 at 6:58 PM
Avatar
STEVE W.
  • CERTIFIED EXPERT
  • 15,113 POSTS
If you mean the charcoal canister try RockAuto.com.
Dec 27, 2017 at 5:53 AM
Avatar
BABYJAY531
  • MEMBER
  • 89 POSTS
The box that has the heater core in it
Dec 27, 2017 at 8:22 AM
Avatar
STEVE W.
  • CERTIFIED EXPERT
  • 15,113 POSTS
Oh you mean the HVAC case. Salvage yard will likely be the only place for that. 96 is in that limbo land, they are not the "popular" year but they are old enough that the factory doesn't have much either. What is the issue with the case you have?
Dec 27, 2017 at 12:57 PM
Avatar
BABYJAY531
  • MEMBER
  • 89 POSTS
It is busted
Dec 27, 2017 at 1:34 PM